Принцип работы.
Классическая система батарейного зажигания с одной катушкой и многоискровым механическим распределителем до сих применяется на автомобилях. Главным достоинством этой системы является ее простота, обеспечиваемая двойной функцией механизма распределителя: прерывание цепи постоянного тока для генерирования высокого напряжения и синхронное распределение высокого напряжения по цилиндрам двигателя.
Принципиальная схема классической системы зажигания состоит из следующих элементов (рис 1.1):
· источника тока - аккумуляторной батареи 7 (генератора);
· катушки зажигания (индукционной катушки) 5, которая преобразует токи низкого напряжения в токи высокого напряжения (между первичной и вторичной обмотками существует трансформаторная связь);
· прерывателя 17, содержащего рычажок 6 с подушечкой 7 из
текстолита, поворачивающийся около оси, контакты прерывателя 8, кулачок 16, имеющий число граней, равное числу цилиндров. Неподвижный контакт прерывателя присоединен к «массе»; подвижный контакт укреплен на конце рычажка. Если подушечка не касается кулачка, контакты замкнуты под действием пружины. Когда подушечка находит на грань кулачка, контакты размыкаются. Прерыватель управляет размыканием и замыканием контактов и моментом подачи искры;
· конденсатора первичной цепи 18, подключенного параллельно контактам 8, который является составным элементом колебательного контура в первичной цепи после размыкания контактов;
· распределителя 14, включающего в себя бегунок 12, крышку
10, на которой расположены неподвижные боковые электроды 11
(число которых равно числу цилиндров двигателя) и неподвижный
центральный электрод, который подключается через высоковольтный провод к катушке зажигания. Боковые электроды через высоковольтные провода соединяются с соответствующими свечами зажигания. Высокое напряжение к бегунку 12 подается через центральный электрод с помощью скользящего угольного контакта. На бегунке имеется электрод 13, который отделен воздушным зазором от боковых электродов 11. Бегунок 12 распределителя и кулачок 16 прерывателя находятся на одном валу, который приводится во вращение зубчатой передачей от распределительного вала двигателя с частотой, вдвое меньшей частоты вращения коленчатого вала. Прерыватель и распределитель расположены в одном аппарате, называемом распределителем зажигания;
· свечей зажигания 15, число которых равно числу цилиндров
двигателя;
· выключателя зажигания 2;
· добавочного резистора 3 (Rдоб), который уменьшает тепловые
потери в катушке зажигания (при пуске двигателя Rдоб шунтируется выключателем 4 одновременно с включением стартера.) Добавочный резистор изготовляют из нихрома или константана и наматывают на керамический изолятор.
|
| Рис. 6.3. Принципиальная схема классической системы зажигания. |
Принцип работы классической системы батарейного зажигания состоит в следующем. При вращении кулачка 16 контакты 8 попеременно замыкаются и размыкаются. После замыкания контактов (в случае замкнутого выключателя 2) через первичную обмотку катушки зажигания 5 протекает ток (рис. 6.4), нарастая от нуля до определенного значения за данное время замкнутого состояния контактов. При малых частотах вращения валика 9 распределителя 14 ток может нарастать до установившегося значения, определенного напряжением аккумуляторной батареи и омическим сопротивлением первичной цепи (установившийся ток). Протекание первичного тока вызывает образование магнитного потока, сцепленного с витками первичной и вторичной обмоток, и накопление электромагнитной энергии.
После размыкания контактов прерывателя, как в первичной, так и во вторичной обмотке индуцируется ЭДС самоиндукции. Согласно закону индукции вторичное напряжение тем больше, чем больше скорость изменения магнитного потока, созданного током первичной обмотки, больше первичный ток в момент разрыва и больше число витков во вторичной обмотке.
В результате переходного процесса во вторичной обмотке возникнет высокое напряжение, достигающее 15 – 20 кВ. В первичной обмотке также индуцируется ЭДС самоиндукции, достигающая 200 – 400 В, препятствующая уменьшению (исчезновению) тока в первичной обмотке. При отсутствии конденсатора 18 ЭДС самоиндукции вызывает образование между контактами прерывателя во время их размыкания сильной искры, носящий дуговой характер. При наличии конденсатора 18 искрообразование уменьшается, так как ЭДС самоиндукции создает ток, заряжающий конденсатор. В следующий период времени конденсатор разряжается через первичную обмотку катушки и аккумуляторную батарею. Таким образом, конденсатор 18 практически устраняет дугообразование в прерывателе, обеспечивая долговечность контактов и индуцирование во вторичной обмотке высокой ЭДС.
Вторичное напряжение подводится к бегунку распределителя, а затем через электроды в крышке и высоковольтные провода поступает к свечам соответствующих цилиндров.
|
Рис. 1.2. Временные диаграммы тока первичной цепи и вторичного напряжения.
Таким образом, рабочий процесс любой батарейной системы зажигания, использующей для получения высокого напряжения индукционную катушку можно разбить на три этапа:
1.Замыкание контактов прерывателя. На этом этапе происходит
подключение первичной обмотки катушки зажигания (накопителя) к
источнику тока. Этап характеризуется нарастанием первичного тока
и, как следствие этого, накоплением электромагнитной энергии, запасаемой в магнитном поле катушки.
2. Размыкание контактов прерывателя. Источник тока отключается
от катушки зажигания. Первичный ток быстро уменьшается, в результате чего накопленная электромагнитная энергия превращается в электростатическую. Возникает ЭДС высокого напряжения во вторичной обмотке.
3. Пробой искрового промежутка свечи. В рабочих условиях при
определенном значении напряжения происходит пробой искрового
промежутка свечи с последующим разрядным процессом.
На 1 -м этапе вторичная цепь практически не влияет на процесс нарастания первичного тока. Токи и напряжения во вторичной цепи при относительно малой скорости нарастания первичного тока незначительны. Вторичную цепь можно считать разомкнутой. Первичный конденсатор С1 замкнут накоротко контактами К. Схема замещения для этого рабочего этапа приведена на рис.1.3.
Процесс нарастания первичного тока согласно второму закону Кирхгофа описывается дифференциальным уравнением
, (1.1)
где
- напряжение первичного источника питания (аккумулятора или генератора);
- индуктивность первичной обмотки;
- ток в первичной цепи;
- сопротивление первичной цепи.
|
Рис. 1.3. Схема замещения классической системы зажигания после замыкания контактов прерыватели (К – контакты прерывателя, М - взаимоиндукция).
Решением этого уравнения является выражение
или
, (1.2)
где
- постоянная времени первичного контура (
).
На 2 – м этапе контакты размыкаются. Ток разрыва зависит от времени замкнутого состояния контактов
:
. (1.3)
где
- зависит от частоты вращения коленчатого вала двигателя
, числа цилиндров
, профиля кулачка (т.е. соотношения между углом замкнутого и разомкнутого состояния контактов);
- постоянная времени первичного контура. Частота размыкания контактов для четырехтактного двигателя определяется
. (1.4)
Время полного периода работы прерывателя
, (1.5)
где
- время разомкнутого состояния контактов.
Запасенная электромагнитная энергия в первичной обмотке катушки зажигания
. (1.6)
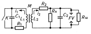
Схема замещения для этого рабочего этапа приведена на рис.1.4.
|
Рис. 1.4. Упрощенная схема замещения классической системы зажигания после размыкания контактов прерывателя.
Согласно этой схеме имеем два магнитосвязанных контура, каждый из которых содержит емкость (С1 - конденсатор первичной цепи; С2 - распределенная емкость вторичной цепи), индуктивность (L1, L2 - индуктивности соответственно первичной и вторичной обмоток катушки зажигания), эквивалентное активное сопротивление (R1, R2 - суммарные активные сопротивления соответственно первичной и вторичной цепей). Во вторичный контур включены шунтирующее сопротивление Rш и сопротивление потерь Rп, учитывающее соответственно утечки тока на свече и магнитные потери.
В момент размыкания контактов прерывателя электромагнитная энергия, запасенная в катушке, преобразуется в энергию электрического поля конденсаторов С1 и С2 и частично превращается и теплоту. Значение максимального вторичного напряжения можно получить из уравнения электрического баланса в контурах первичной и вторичной цепей, пренебрегая потерями в них:
, (1.7)
где
,
- максимальные значения соответственно первичного и вторичного напряжений.
Так как
, то
. (1.8)
Однако, это выражение не учитывает потери энергии в сопротивлении нагара, шунтирующего искровой промежуток свечи, магнитные потери в стали, электрические потери в искровом промежутке распределителя и в дуге на контактах прерывателя. Указанные потери приводят к снижению вторичного напряжения. На практике для учета потерь в контурах вводят в виде множителя коэффициент затухания
, выражающий уменьшение максимума напряжения из-за потерь энергии:

, (1.9)
где
- коэффициент затухания составляет для контактных систем зажигания 0,75 – 0,85.
Для зажигания рабочей смеси электрическим способом необходимо образование электрического разряда между двумя электрода ми свечи, которые находятся в камере сгорания. Протекание электрического разряда в газовом промежутке может быть представлено вольт-амперной характеристикой (рис. 1.5).
Участок Оаbсоответствует несамостоятельному разряду. Напряжение возрастает, ток остается практически неизменным и по силе ничтожно мал. При дальнейшем увеличении напряжения скорость движения ионов по направлению к электродам увеличивается. При начальном напряжении Uн, начинается ударная ионизация, т. е. такой разряд, который, однажды возникнув, не требует для своего поддержания воздействия постороннего ионизатора. Если поле равномерное, то процесс ионизации сразу перерастает в пробой газового промежутка. Если поле неравномерное, то вначале возникает местный пробой газа около электродов в местах с наибольшей напряженностью электрического поля, достигшей критического значения. Этот тип разряда называется короной и соответствует устойчивой части вольт-амперной характеристики bс. При дальнейшем повышении напряжения корона захватывает новые области межэлектродного пространства, пока не произойдет пробой (точка с), когда между электродами проскакивает искра. Это происходит при достижении напряжением значения пробивного напряжения Uпр.
|
| Рис. 1.5. Вольт-амперная характеристика разряда в воздушном промежутке. |
Проскочившая искра создает между электродами сильно нагретый и ионизированный канал. Температура в канале разряда радиусом 0,2 – 0,6 мм превышает 10 000 К.
Сопротивление канала зависит от силы протекающего по нему тока. Дальнейшее протекание процесса зависит от параметров газового промежутка цепи источника энергии. Возможен или тлеющий разряд (участок de), когда токи малы, или дуговой разряд (участок тп), когда токи велики вследствие большой мощности источника тока и малого сопротивления цепи. Оба эти разряда являются самостоятельными и соответствуют устойчивым участкам вольт-амперной характеристики. Тлеющий разряд характеризуется токами величиной 10-5 – 10-1 А и практически неизменным напряжением разряда. Дуговой разряд характеризуется большими токами при относительно низких напряжениях на электродах.
Пробивное напряжение
ниже максимального вторичного напряжения
, развиваемого системой зажигания, и поэтому, как только возрастающее напряжение достигает значения
, в свече происходит искровой разряд, и колебательный процесс обрывается (рис. 1.2 и 1.6).
Электрический разряд имеет две составляющие; емкостную и индуктивную. Емкостная составляющая искрового разряда представляет собой разряд энергии, накопленной во вторичной цепи, обусловленной ее емкостью С2. Емкостный разряд характеризуется резким падением напряжения и резкими всплесками токов, по своей силе достигающих десятков ампер (см. рис. 1.6). Несмотря на незначительную энергию емкостной искры (
), мощность, развиваемая искрой, благодаря кратковременности (высокой скорости) процесса может достигать десятков и даже сотен киловатт. Емкостная искра имеет яркий голубоватый цвет и сопровождается специфическим треском.
Высокочастотные колебания (106 – 107 Гц) и большой ток емкостного разряда вызывают сильные радиопомехи и эрозию электродов свечи. Для уменьшения эрозии электродов свечи (а в неэкранированных системах и для уменьшения радиопомех) во вторичную цепь (в крышку распределителя, бегунок, наконечники свечей, в провода) включается помехоподавляющий резистор.
|
Рис. 1.6. Изменение напряжения и тока искрового разряда:
а и б - соответственно емкостная и индуктивная фазы разряда;
- время индуктивной составляющей разряда;
-амплитудное значение тока индуктивной фазы разряда;
- напряжение индуктивной фазы разряда.
Поскольку искровой разряд происходит раньше, чем вторичное напряжение достигает своего максимального значения
, а именно при напряжении
, на емкостный разряд расходуется лишь небольшая часть магнитной энергии, накопленной в сердечнике катушки зажигания.
Оставшаяся часть энергии выделяется в виде индуктивного разряда. При условиях, свойственных работе распределителей и разрядников, и при обычных параметрах катушек зажигания индуктивный разряд всегда происходит на устойчивой части вольт-амперной характеристики, соответствующей тлеющему разряду. Ток индуктивного разряда составляет 20 – 40 мА. Напряжение между электродами свечи сильно понижается до величины 220 – 330 В.
Продолжительность индуктивной составляющей разряда на 2 – 3 порядка выше емкостной и достигает в зависимости от типа катушки зажигания, зазора между электродами свечи и режима работы двигателя (пробивного напряжения) 1 – 1.5 мс. Искра имеет бледный фиолетово-желтый цвет. Эта часть разряда получила название хвоста искры.
За время индуктивного разряда в искровом промежутке свечи выделяется энергия, которая может быть определена аналитически:
. (1.10)
На практике широко используется приближенная формула для подсчета энергии искрового разряда:
. (1.11)
Расчеты и эксперименты показывают, что при низких частотах вращения двигателя энергия индуктивного разряда Wир = 15 – 20 мДж для обычных классических автомобильных систем зажигания.
Дата добавления: 2015-08-14; просмотров: 2316;
