ОБОРУДОВАНИЕ ДЛЯ ИСПЫТАНИЯ ГИДРОАГРЕГАТОВ
Для участков контроля и текущего ремонта гидроагрегатов в мастерских хозяйств и на станциях технического обслуживания используют универсальные стенды КИ-4815М-03, КИ-4815М и КИ4896М. На стендах КИ-4200, КИ-4815 и КИ-4896 проверяют техническое состояние гидроагрегатов и регулируют клапанные устройства.
Стенды КИ-4815М-03 и КИ-4815М предназначены для обкатки, регулирования, испытания и проверки в процессе эксплуатации и при ремонте агрегатов гидроприводов тракторов, комбайнов, экскаваторов и сельскохозяйственных машин. На стенде КИ4815М-03 можно испытывать: насосы НШ10, НШ32, НШ46 и НШ50; распределители типа Р75 и Р80; цилиндры Ц55, Ц75, Ц90, Ц100, Ц110 и Ц125; агрегаты гидросистем комбайнов и гидроувеличители сцепного веса тракторов МТЗ-80/82. На стенде КИ-4815М, кроме указанного, испытывают и регулируют насосы НШ67, НШ-71 и НШ100 и распределители типа Р150.
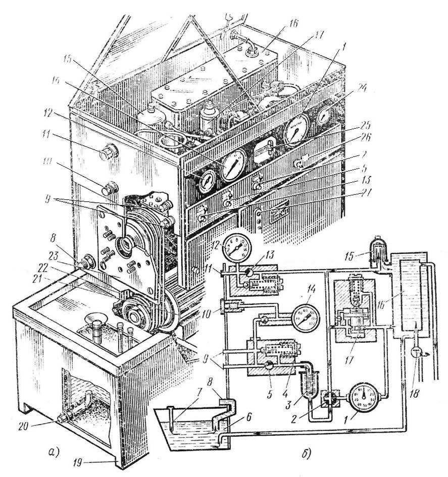
Стенды конструктивно подобны и имеют одинаковые габариты. Они состоят из рамы, привода, гидросистемы и электрооборудования (рисунок 2).
Рама стендов сварной конструкции служит для установки и крепления привода, узлов и агрегатов гидросистемы, электрооборудования и других элементов. Привод испытуемых насосов осуществляется от электродвигателя мощностью 15 кВт (21) через клиноременную передачу (22) и шлицевую муфту. Запуск электродвигателя проводится кнопочной станцией КМЗ-3 (27) через автомат токовой и тепловой перегрузки и магнитный пускатель.
С левой (торцевой) стороны стенда расположена установочная плита (23) для крепления насосов. Для обслуживания агрегатов стенда предусмотрены верхняя и боковые дверцы. Гидравлическая система состоит из расходного бака (6), дросселя высокого давления (5), предохранительного клапана (4), трехходового крана (2), счетчика жидкости (I) ШУ-26-6 на КИ-4200; и ИЖ-40С-6 на КИ-4815М, фильтра центробежного (15), фильтра сетчатого (3), охлаждающего устройства (16) (бак с встроенные радиатором трактора МТЗ-50) и терморегулятора (18), манометров высокого (14) и низкого давления (12).
К манометру высокого давления (14) за дроссельной заслонкой присоединено устройство (10) для регулирования гильз золотников распределителей.
Расходный бак емкостью 90 литров служит резервуаром рабочей жидкости. Сверху бак закрыт заглубленным поддоном, который имеет штуцер с сетчатым фильтром. Через 70…80 ч работы его промывают дизельным топливом. Служит он для прямого слива масла в расходный бак при монтаже или демонтаже испытуемых агрегатов. На поддоне имеется указатель уровня масла с отметками.
|
1- счетчик жидкости;
2- кран трехходовой;
3- фильтр сетчатый;
4- клапан предохранительный;
5- дроссель высокого давления;
6- бак расходный;
7- маслопровод сливной;
8- всасывающий маслопровод;
9- штуцера присоединения
гидроагрегатов;
10-основания для регулировки
гильз золотников;
11- штуцер вывода магистрали
низкого давления;
12- манометр низкого давления;
13- манометр высокого давления;
14- дроссель низкого давления;
15- центрифуга;
16- охлаждающее устройство;
17- сливной золотник;
18- терморегулятор;
19- рама;
20- пробка сливной трубы;
21- электродвигатель;
22- клиноременная передача;
23- плита;
24- термометр;
25- счетчик импульсов;
26- выключатель счетчика
импульсов;
27- кнопочная станция.
Рисунок 2.- Общий вид и гидравлическая схема стенда КИ -4200 для испытания гидроагрегатов.
Сливная труба закрыта заглушкой. Гидроблок высокого давления имеет дроссель (5) щелевого типа для создания требуемого давления в магистрали, а также предохранительный клапан (4), отрегулированный на давление 14,0… 15,0 МПа.
К нагнетательной магистрали гидроблока присоединен манометр (14), который показывает давление. Кран 3-х ходовой (2) служит для включения счетчика жидкостного (1). Счетчик жидкости служит для замера подачи производительности насосов. В составе КИ-4815М их два: для насосов с малой подачей 8…40 л/мин и большой подачей 50…100 л/мин. Для изменения направления потока рабочей жидкости служит один 3-х ходовой кран. Счетчики надо включать только после предварительной обкатки вновь установленного насоса для замера производительности.
Фильтр сетчатый грубой очистки служит для защиты центробежного фильтра и предохранительного клапана от засорения и повреждения грубыми металлическими и другими частицами.
При испытании насосов с подачей более 40 л/мин часть масла сливается через предохранительный клапан в бак охлаждения, минуя центробежный фильтр.
При обкатке насосов манометр низкого давления показывает давление в магистрали перед центробежным фильтром (при открытом дросселе высокого давления).
Охлаждающее устройство служит для поддержания во время длительных испытаний требуемой температуры рабочей жидкости (М-10Г2,М-10Б2 45±5°С). Оно состоит из бака охлаждения радиатора, терморегулятора и водопровода. Присоединительные штуцеры стенда для водопровода обозначены табличками «ПОДВОД» и «ОТВОД».
Установку стенда, его подключение к электросети и водопроводу осуществляют в соответствии с инструкцией по эксплуатации.
Рабочую жидкость в расходном баке меняют через 250 ч работы стенда. Отстой из расходного бака сливают через нижнюю пробку не реже одного раза в неделю.
Ежесменно следует проверять состояние рабочих поверхностей ремней; при замасливании их промывают чистым бензином. Натяжение ремней должно быть равно 37 Н при стреле прогиба 9мм.
Дата добавления: 2015-07-10; просмотров: 9529;
