Термоэмиссионный метод определения работы выхода
1) Характеристика Ричардсона–Шоттки
Аналогично (8.3), запишем формулу для тока термоэлектронной эмиссии в виде
, (9.1)
где S - площадь эмиссии и
. (9.2)
Формулу (9.1) удобно представить в виде
. (9.3)
Зависимость (9.3) носит название характеристики Ричардсона–Шоттки и представлена на рис. 9.1. По углу с осью абсцисс можно определить термоэмиссионную работу выхода
. (9.4)
По отрезку, отсекаемому пересечением продолжения характеристики Ричардсона–Шоттки с осью ординат, определяется произведение SA. В данном случае площадь S легко находится, так как это разогретая область эмиссии. Зная S, определяется величина А. И хотя, согласно (9.2), А состоит из комбинации мировых констант, реально ее величина различна для разных материалов, из которых может быть выполнен термокатод.

Рис. 9.1
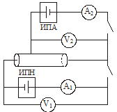
2) Калориметрический метод
Другим независимым методом определения термоэмиссионной работы выхода является калориметрический метод. Принципиальная схема прибора показана на рис. 9.2. С помощью источника питания цепи анода (ИПА) подают на анод отрицательное смещение и делают равным нулю анодный ток, что фиксируется амперметром А2. В цепи накала посредством источника питания накала (ИПН) создают ток I1 при падении напряжения U1 (показания амперметра А1 и вольтметра V1). Тогда подводимая к катоду мощность будет
. (9.5)
В стационарных условиях эта мощность компенсируется потерями на излучение. Согласно закону Стефана-Больцмана
. (9.6)
s – постоянная Стефана-Больцмана. Температура Т проволочного катода фиксируется с помощью пирометра. Затем на анод подают положительное смещение и фиксируют в анодной цепи ток I. Необходимо только, чтобы ток I был ограничен эмиссионной способностью катода и можно было пренебречь эффектом Шоттки. С помощью ИПН добиваются того, чтобы температура катода была по-прежнему равна Т, (та же светимость накала катода и нити пирометра). Используя результаты раздела 2, можно записать
(9.7)
и
. (9.8)
Откуда
. (9.9)
В данном случае работа выхода
и величина
выражены в вольтах. Соотношение (9.9) позволяет независимым образом определить термоэмиссионную работу выхода.

Рис. 9.2
Дата добавления: 2015-08-11; просмотров: 824;
