Анализ неразветвленных магнитных цепей
1.
Прямая задача
Дано:
1) Is,d,S
2) Характеристика Ме
3) Ф (обязательно для прямой задачи).
Найти: Iw
Решение:
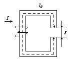
1) Магнитную цепь разбиваем на однородные участки одинакового сечения:
- Ic,S
- d,S
2) Для каждого участка определяем магнитную индукцию: 
3) Определяем напряженность магнитного поля:
а) для ферромагнитного участка из кривой намагничивания;
б) для воздушного зазора 
4) Используя закон полного тока находим намагничивающую силу
|
2. Обратная задача.
Дано:
3) Iw
Найти: Ф
Решение:
1) Строим вебер-амперную характеристику цепи
2)
Дата добавления: 2015-08-11; просмотров: 1311;
