X. АКУСТИЧЕСКИЙ КОНТРОЛЬ
Из всех видов неразрушающего контроля акустический – самый «богатый» по количеству методов. Классификация этих методов приведена в таблице 8.
Таблица 8. Методы акустического контроля.
| Акустические методы контроля | |||||||||||||||||||
| Активные | Пассивные | ||||||||||||||||||
| Ультразвуковые методы бегущих волн | Спектральные | Импедансный | Акустико-эмиссионный | Спектральные | |||||||||||||||
| Основанные на прохождении | Комбинированные | Основанные на отражении | Вынужденных колебаний | Свободных колебаний | |||||||||||||||
| Теневой амплитудный | Теневой временной | Велосиметрический | Зеркально-теневой | Эхо-теневой | Эхо-сквозной | Эхо-метод | Эхо-зеркальный метод | Дельта-метод | Дифракционно-временной | Реверберационный | Толщинометрия | Локальный | Интегральный | Локальный | Интегральный | Шумодиагностический | Вибродиагностический | ||
Пассивные методы –методы контроля, при которых не требуется внесение в материал энергии данного вида (дефект сам проявляет себя ее излучением).
Активные методы –методы контроля, при которых в материал вносится энергия данного вида, и о состоянии материала судят по явлениям, происходящим с этой энергией.
Спектральные методы(среди пассивных – шумодиагностический и вибродиагностический; среди активных – методы свободных и вынужденных колебаний) основаны на анализе параметров непрерывных не перемещающихся по объекту колебаний.
Методы бегущих волноснованы на анализе параметров непрерывных (теневой амплитудный) или импульсных (прочие) перемещающихся по объекту колебаний (волн).
Далее в таблице 9 дано краткое описание акустических методов контроля.
Таблица 9. Краткое описание методов акустического контроля.
| Метод | Схема контроля | Описание | ||||||
| Пассивные методы | ||||||||
| Шумодиагностический (вариант) |
| На работающих однотипных агрегатах измеряют амплитудно-частотные характеристики шумов, которые сравнивают с таковыми для эталонного (заведомо бездефектного) агрегата. В случае кардинального отличия от характеристик эталона агрегат выводят из эксплуатации. | ||||||
| Вибродиагностический |
| На работающих однотипных агрегатах измеряют характеристики активности вибрации, которые сравнивают с таковыми для эталонного (заведомо бездефектного) агрегата. В случае кардинального отличия от характеристик эталона агрегат выводят из эксплуатации | ||||||
| Акустико-эмиссионный (вариант) |
| Объект контроля подвергают механическому напряжению (например, в сосуде - создают внутреннее давление). При этом развивающиеся трещины подрастают скачками. При каждом акте подрастания (скачке) от венца трещины в материал излучается импульс акустической энергии ("щелчок", эмиссия). Такие импульсы улавливаются и анализируются специальной аппаратурой. | ||||||
| Импедансный метод | ||||||||
| Импедансный(вариант) |
| Прибор 1 возбуждает непрерывные акустические колебания в излучающей пьезопластине, помещенной вверху датчика 2. Принимающая пьезопластина расположена внизу датчика и разделена с излучающей стальным стержнем. Если слоистый ОК качественно склеен, то в контакте наконечника с поверхностью ОК он хорошо демпфирует (затормаживает) приемную пьезопластину, и большая доля звуковой энергии в ней вынуждена переходить в электрическую. Если под датчиком дефект 3 (непроклей), то в этой зоне импеданс ОК (сопротивление колебаниям) меньше, демпфирование слабее, и амплитуда электросигнала на приемной пластине ниже. | ||||||
| Спектральные методы свободных колебаний | ||||||||
| Локальный |
| Используют для контроля многослойных неметаллических и композитных материалов. Вибратором 2 к точке объекта контроля (ОК) прилагают колебания, вырабатываемые генератором 1. Ответные колебания принимают микрофоном 3. Индикатор 4 покажет резкое изменение колебаний при расположении вибратора над дефектом 5. | ||||||
| Интегральный (вариант) |
| Объект контроля (например, железнодорожное колесо) подвергают удару специальным молотком 1. Ответный звук принимают микрофоном 2 и при помощи специальной аппаратуры 3 анализируют его частотный спектр. По характеру спектра судят о наличии или отсутствии дефектов в ОК | ||||||
| Спектральные методы вынужденных колебаний | ||||||||
| Локальный резонансный (резонансная толщинометрия) |
| Толщиномер 1 посылает на преобразователь 2 колебания переменной частоты f. Когда частота достигает такого значения, при котором длина волны в ОК l=С/f=2h, объект входит в активный резонанс. Это значение частоты (резонансное) фиксируется, и по нему прибор определяет толщину ОК h (С - скорость звука в ОК). | ||||||
| Интегральный резонансный |
| Обширный участок поверхности ОК подвергают непрерывным колебаниям при помощи вибраторов 1 и покрывают алюминиевой пудрой 2. В зоне дефекта 3 вследствие резонанса колебания более активны, и поэтому оседание пудры - меньше. | ||||||
| Ультразвуковые методы бегущих волн | ||||||||
| Методы прохождения | ||||||||
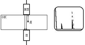
| Теневой амплитудный |
| Импульсные или непрерывные ультразвуковые волны пропускают сквозь плоский ОК от излучателя (И) к приемнику (П). Если между И и П дефектов нет, то волны проходят беспрепятственно, и на приеме - сигнал большой амплитуды (вариант I). Малый дефект (Д) оттеняет часть потока, и амплитуда на приеме падает (вариант II). Крупный дефект полностью перекрывает поток, обнуляя сигнал на приеме (вариант III). Глубина залегания и размеры дефекта аппаратурно не оцениваются. Необходим двусторонний доступ к ОК. | ||||||
| Теневой временной |
| Импульсы ультразвуковых волн пропускают сквозь плоский ОК от излучателя И к приемнику П. Если между И и П есть дефект Д средней величины, он оттеняет часть потока, а отклоняющиеся боковые лучи падают на его край, где претерпевают дифракцию. Попадая в приемник несколько позже прямого потока 1, дифрагированные лучи 2 образуют отдельный слабый сигнал. По разности времени прихода сигналов судят о размерах дефекта. Глубина залегания не определяется. Необходим двусторонний доступ к ОК | ||||||
| Велосиметрический (вариант) |
| Точечные излучатель и приемник жестко скреплены. Излучатель возбуждает в плоском ОК изгибные волны Лэмба моды а0. Дистанция между осями И и П приблизительно равна длине волны. Поскольку фазовая скорость волн Лэмба зависит от толщины целого слоя, а дефект делит эту толщину, то в дефектной зоне фазовая скорость понижается, и фаза сигнала на приеме сдвигается относительно фазы на излучении. Сдвиг фаз указывает на дефект. | ||||||
| Методы отражения | ||||||||
| Эхо-метод |
| В совмещенном I или раздельном II режиме работы аппаратуры импульс ультразвуковых волн посылается в ОК. Если на его пути встречается дефект, то импульс частично отражается от него и возвращается в преобразователь, образуя сигнал на приеме (эхо-сигнал). В раздельном режиме изображение посылаемого (зондирующего) импульса на экране отсутствует. | ||||||
| Эхо-зеркальный метод («тандем») |
| Предназначен для оценки формы и размеров заведомо выявленного внутреннего дефекта в плоском объекте. В раздельно-совмещенном режиме аппаратуры дефект облучается импульсами ультразвуковых волн. Если эхо в ИП лишь немного превышает эхо в П, и оба сигнала - средней амплитуды (вар. I), предполагают круглую форму дефекта. Если сигнал в ИП - мощный, а в П - отсутствует (вар. II), предполагают плоскую форму и наклонную ориентацию. Если не удается получить эхо обоими преобразователями (вар. III), предполагают горизонтальную плоскую форму. Если эхо в П выше, чем в ИП (вар. IV), то дефект плоский вертикальный. Разводя и сближая ИП и П, по дистанции между ними в позициях пропадания сигналов можно оценить высоту дефекта. | ||||||
| Дельта-метод |
| Применяется для оценки высоты заведомо выявленных внутренних дефектов. В раздельном режиме работы аппаратуры импульс ультразвуковых волн посылается в ОК так, что облучается верхний край дефекта (позиции I). По дифрагированному эхо-сигналу определяют глубину залегания верхнего края. Затем, раздвигая И и П, находят позицию облучения нижнего края (II). Разность показаний глубины есть высота дефекта. | ||||||
| Дифракционно-временной метод |
| Применяется аналогично дельта-методу, но прием дифрагированных сигналов от краев дефекта осуществляется прямым датчиком, установленным над дефектом, в том числе с использованием отражения от противоположной поверхности ОК. | ||||||
| Реверберационный метод |
| В совмещенном режиме работы аппаратуры импульс ультразвуковых волн посылается в слоистый (клееный) ОК. Если склейка качественная (I), то основная часть импульса уходит через клей, а малая доля отражается обратно. На поверхности ОК часть этой доли идет в ИП, образуя первый пик, а часть вновь углубляется в ОК, и с ней происходит то же самое. Так как основная доля всегда хорошо проходит вглубь ОК, то реверберации в верхнем слое быстро ослабевают, и на экране амплитуда пиков - убывающая. Дефект (Д) типа "непроклей" препятствует уходу сигнала (II), и в этом случае реверберации в первом слое - мощные. | ||||||
| Толщинометрия |
| Толщиномер измеряет время t пробега сигнала до противоположной поверхности ОК и обратно и определяет толщину ОК как h = 0,5C × t, где С – известная скорость звука в данном материале. | ||||||
| Комбинированные методы | ||||||||
| Эхо-теневой метод |
| В раздельно-совмещенном режиме аппаратуры импульсы ультразвуковых волн посылают в ОК. Если на тракте - дефект, то импульс частично отражается от него в совмещенный преобразователь (ИП) как эхо-сигнал. Отдельным приемником (П) оценивают падение амплитуды сквозного сигнала, вызванное дефектом. Обладает качествами эхо-метода + подтверждение дефекта теневым принципом, но требует двустороннего доступа к ОК. | ||||||
| Зеркально-теневой метод |
| В совмещенном (прямой ИП) или раздельном (наклонные И и П) режиме аппаратуры импульсы ультразвуковых волн посылают в ОК. Если на тракте - дефект, то он преграждает путь, вызывая падение донного сигнала. По падению донного сигнала судят о наличии и величине дефекта. Односторонний доступ к ОК, при наклонном - выявление дефектов любой формы и ориентации. Не дает глубину залегания дефекта. | ||||||
| Эхо-сквозной метод |
| Применяется только в металлургической промышленности на выходе линий проката листов. В иммерсионной ванне (контактная жидкость - веретенное масло) лист на вальцах прокатывается между рядами (матрицами) из совмещенных (ИП) и дополнительных приемных (П) преобразователей. При нормальном состоянии листа (вар. I) наблюдается строго упорядоченное расположение эха от границы верхнего слоя жидкости и ОК (1), от границы ОК и нижнего слоя жидкости (2) и сквозного сигнала (3). Варианты II¸IV показывают смещение сигналов при попадании в область контроля локальных утонений. Если в области контроля оказывается расслоение или закат (вар. V), то между 1 и 2 сигналами появляется мощное эхо от него (4), а сигналы 2 и 3 ослабевают вплоть до обнуления. Ряды ИП и П выстраиваются по всей ширине листа. Метод требует специальной многоканальной аппаратуры и применяется только в автоматическом режиме. | ||||||
Дата добавления: 2015-08-11; просмотров: 2088;
