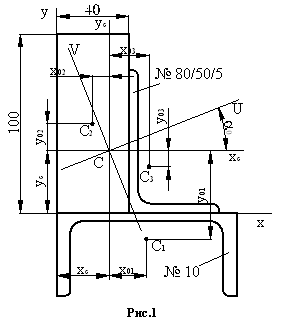
Пример 3. Для фигуры, показанной на рис.1 определить положение главных осей инерции и главные моменты инерции.
Для фигуры, показанной на рис.1 определить положение главных осей инерции и главные моменты инерции.
|
Решение.
Выписываем основные исходные данные для каждой фигуры
Швеллер
S1 = 10,9 см2 ; Ix = 20,4 см4; Iy = 174 см4; y0 = 1,44 см; h = 10 см
Неравнополочный уголок
S3 = 6,36 см2; Ix = 41,6 см4; Iy = 12,7 см4; Imin = 7,58 см4;
= 0,387; x0 = 1,13 см; y0 = 2,6 см
Прямоугольник
S2 = 40 см2
см4.
см4.
Вычерчиваем сечение в масштабе
Проводим произвольные оси координат
Определяем координаты центра тяжести сечения
см;
см.
Проводим центральные оси
см,
см,
см,
см,
см,
см.
Определяем осевые моменты инерции относительно центральных осей


Определяем центробежный момент инерции относительно центральных осей
Центробежный момент инерции для угловой прокатной стали относительно ее центра тяжести определяется по одной из следующих формул:


см4.
Знак центробежного момента инерции для угловой прокатной стали определяется согласно рис. 2, поэтому Ixy3 = -13,17 см4.

Определяем положение главных осей инерции


Рис.2

Определяем главные моменты инерции


Дата добавления: 2015-08-08; просмотров: 972;
