Схемы включения ОУ с ограничением входного сигнала
Ограничение выходного сигнала используется для ограничения величины задающего входного сигнала на внутреннем контуре регулирования в системах с подчиненным регулированием параметров.
1) Схемы включения с нерегулируемым ограничением входного сигнала
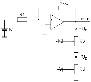
В соответствии с рисунком 3.56, ограничение осуществляется за счет введения нелинейных элементов в цепь обратной связи ОУ.
а)
|
б)
|
в)
Рисунок 3.56
|
;
–(UCT VD2 + DUVD1) £ Uвых £ UCT VD1 + DUVD2,
где Uст – напряжение стабилизации;
DUVD – падение напряжения на диоде (DUVD »1В).
2) Схема включения с регулируемым ограничением выходного сигнала
Принцип классического ограничения состоит в том, что для ограничения выходного сигнала на заданном уровне на вход ОУ следует подавать сигнал в противофазе с задающим.
а)
|
При любом сигнале на выходе за счет подачи напряжения смещения с потенциометров R2, R3 на выходе компараторов А2 и А3 будут действовать напряжения обратные для диодов VD2, VD3 (см. рисунок 3.57а). Следовательно, они закрыты и на вход ничего не подается. Как только сигнал Uвых стал превышать уровень ограничения на выходе А2 и А3 будут действовать напряжения по проводимости диода VD2 или VD3, благодаря чему на вход ОУ (А1) будет подано напряжение в противофазе с входным.
На рисунке 3.57б применены операционные усилители типа К553УД2А, К153УД2А.
б)
|
в)
|
Ограничение Uвых за счет придания схеме с ОУ мягких внешних характеристик и это достигается путем введения в цепь R2 (см. рисунок 3.57в). На нем гасится тот излишек напряжения, на который выходной сигнал ОУ превышает заданный уровень выходного.
В соответствии с рисунком 3.57г, в исходном состоянии, пока схема не достигла исходного ограничения, на выходе А2 действует ÅU, превышающее по уровню выходной сигнал, следовательно VD3 закрыт. Когда выходной сигнал приблизится к уровню ограничения, установленному на R3, диод VD3 включается и фиксирует уровень выходного сигнала на уровне сигнала ограничения.
г)
|
В схеме (см. рисунок 3.57д) ОУ в режиме ограничения выходит в насыщение, а с помощью R2 устанавливается желаемый уровень выходного напряжения, который представляется частью этого напряжения насыщения.
д)
Рисунок 3.57
|
Iвых ОУ = (3¸5)мА.
При R2 >> Roc
,
где
.
.
Дата добавления: 2015-08-04; просмотров: 1055;

а)
б)
в)
Рисунок 3.56
а)
б)
в)
г)
д)
Рисунок 3.57