ОБЛАДНАННЯ. 1. Джерело постійного струму до 1 В - 1 шт.
1. Джерело постійного струму до 1 В - 1 шт.
2. Вольтметр постійного струму на 8 В
- 1 шт.
3. Міліамперметр постійного струмина 10 мА
- 1 шт.
4. Біполярний транзистор типу КТ 801А
- 1 шт.
5. Джерело постійного струму до 10 В - 1 шт.
6. Вольтметр постійного струму на 15 В
- 1 шт.
7. Міліамперметр постійного струму на 300 мА
- 1 шт.
8. Комплект з'єднувальних проводів - 1шт.
Короткі теоретичні дані
Біполярний транзистор – напівпровідниковий прилад, який складається із трьох областей з черегуючими типами електропро-
відності, який придатний для підсилення потужності.
У біполярних транзисторах струм визначається рухом носіїв зарядів двох типів: електронів та дірок.
Біполярні транзистори прийнято підрозділяти на групи за діапазоном межових частот та максимальних потужностей, які розсіюються на колекторному переході та які визначають навантажувальну здатність транзистора: низькочастотні
, середньочастотні
, високочастотні
, НВЧ
, малої потужності
, середньої потужності
, великої потужності
.
Для виготовлення транзисторів використовують германій, кремній, арсенід галію та інші напівпровідникові матеріали.
У біполярних транзисторів середній шар називають базою (Б); навантажувальний шар, який є джерелом носіїв зарядів (електронів чи дірок) – емітером (Е), другий зовнішній шар – колек-
тором (К). Він приймає носії зарядів, які надходять від емітера.
В залежності від того, який електрод є загальним для вхідного та вихідного кола, розрізнюють три схеми включення біполярних транзисторів; із загальною базою (ЗБ), із загальним емітером (ЗЕ), із загальним колектором (ЗК).
У схемі із ЗБ підсилюючий каскад має малий вхідний опір (одиниці ома) та великий вихідний опір (сотні ком). Низь-
кий вхідний опір каскаду є його значним недоліком, так як у багатокаскадних схемах цей опір виявляє шунтову дію на опір навантаження попереднього каскаду і різко знижує підсилення цього каскаду за напругою та потужністю. Схема а ЗБ застосовується при роботі на високоомне навантаження та за частотними і температурними властивостями значно краще схеми з ЗЕ.
У схемі із ЗЕ (рис. 15) підсилюючий каскад має вхідний опір у сотні ом, а вихідний - порядку десятків ом. Для цієї схеми
. Малі значення струму бази і великі значення струму колектора обумовлює широке використання схеми із ЗЕ.
Коефіцієнт підсилення за напругою у схемі із ЗЕ показує, на скільки змінюється напруга між колектором та емітером
при зміні напруги між базою і емітером
та має приблизно таку ж величину, як і для схеми а ЗБ:
.
Коефіцієнт підсилення за струмом (коефіцієнт передачі струму бази) у схемі із ЗЕ показує, на скільки змінюється струм колектора
при зміні струму бази
:
.
Схема має значне підсилення як за напругою так і за струмом.
Підсилення за потужністю схеми із ЗЕ:

Дана схема широко використовується як основна для універсальних підсилювачів, для пристроїв кадрової та стрічкової розгортки телевізійних приймачів та інше.
У схемі із ЗК підсилюючий каскад має великий вхідний опір ( десятки і сотні кілоом), а вихідний – малий ( десятки і сотні ом). В цій схемі коефіцієнти підсилення дуже малі. Вона використовується при роботі на низькоомне навантаження від високоомного датчика та для узгодження опорів між окремими каскадами підсилювачів.
Вхідні (базові) характеристики біполярного транзистора у схемі із ЗЕ - залежність між струмами бази і напругами між базою - емітером у вхідному колі при постійних напругах між колектором та емітером:

Вихідні (колекторні) характеристики біполярного транзистора у схемі з ЗЕ - залежність між струмами колектора від напруг між колектором та емітером при постійних струмах бази.

Позначення літерно-цифрового коду транзисторів аналогічні напівпровідниковим діодам, крім слідуючих:
другий елемент позначення - літерний - визначає клас приладу:
транзистори біполярні – Т;транзистори польові – П; п'ятий елемент
позначення - літери російського алфавіту від А до Я - визначає ділення технологічного типу на параметричні групи, наприклад, за зворотними напругами, коефіцієнту передачі струму та ін.
Наприклад, позначенні досліджуваного транзистора типу КТ 801 А відповідає паспортним даним (параметрам): кремнієвий (К), біполярний (Т), великої потужності (максимальна потужність, яка розсіюється на колекторному переході,
), середньо - частотний, призначений для улаштувань кадрової і стрічкової розгортки телевізійних приймачів (8), розробка (01), із зворотнім струмом колектора
10 мА при
, зворотнім струмом емітера
2 мА при
2,5В, з коефіцієнтом передачі струму
, з максимальним струмом колектора
та з
n-p-n типом переходу.
Послідовність проведення роботи
1. Вивчіть будову, принцип дії, основні властивості та області застосування біполярних транзисторів.
2. Встановіть на блоці живлення перемикачі у положення „0...6,3 В”, „0...30 В” і „-”
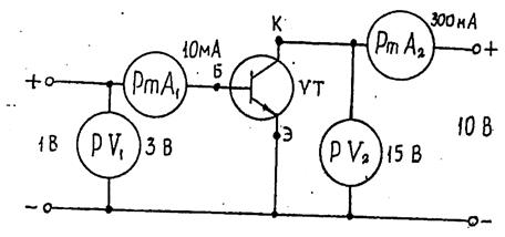
3. Зберіть схему дослідження біполярного транзистора із ЗЕ (рис. 15), підключіть її до затискачів блока живлення та пред’явіть викладачу для перевірки.
4. Змінюючи напругу
від 0 до 1 В через 0,1Ввиміряйте та запишіть у табл. 10 струми
0 та6 В.

Рис. 15. Схема дослідження біполярного транзистора із загальним емітером
Таблиця 10
Параметри вхідних характеристик біполярного транзистора
| Задано |
| 0,1 | 0,2 | 0,3 | 0,4 | 0,5 | 0,6 | 0,7 | 0,8 | 0.8 | 1.0 | |
| Виміряно |
| |||||||||||
| ||||||||||||
Таблиця 11
Параметри вихідних характеристик біполярного транзистора
| Задано |
| б | ||||||||||
| Виміряно |
| |||||||||||
|
5. Міняючи напругу
від 0 до10 В через 1 В виміряйте та запишіть у табл. 11 струми ІК приІБ = 2 мА та ІБ = 4 мА.
6. На рис. 16 і 17. по крапкам побудуйте вхідні та вихідні ха-

|
0,9
0,8
0,7
0,6
0,5
0,4
0,3
0,2
0,1
0 0,1 0,2 0,3 0,4 0,5 0,6 0,7 0,8 0,9 1,0 
Рис. 16. Вхідні характеристики біполярного транзистора
при
- - - - - - - - та
при
---------------
характеристики біполярного транзистора.
7. Визначте коефіцієнти підсилення досліджуваного біпо-
лярного транзистора за напругою, струмом та потужністю:
;
;
КРЗЕ = КUЗЕ · КІЗЕ.
8. Проведіть аналіз вхідних і вихідних характеристик біполярного транзистора, запишіть у робочий зошит висновки та рекомендації.
9. Усно дайте повні відповіді на контрольні запитання.
ІК, мА
|
0 1 2 3 4 5 6 7 8 9 10 
Рис. 17. Вихідні характеристики біполярного транзистора:
при ІБ = 1 мА ----------
при ІБ = 2 мА
----------
Зміст звіту
1. Номер, назва та мета лабораторної роботи.
2. Схема дослідження (рис. 15).
3. Таблиці 10 і 11.
4. Вхідні та вихідні характеристики біполярного транзистора(рис. 16 і 17).
5. Коефіцієнти підсилення біполярного транзистора за напругою, струмом та потужністю. ! 6. Висновки та рекомендації.
Контрольні запитання
1. Поясніть устрій, принцип дії та особливості і назвіть області застосування біполярних транзисторів?
2. На які групи поділяються транзистори?
3. Які три схеми включення біполярних транзисторів розрізнюють в залежності від того, який електрод є загальним для вхідних та вихідних кіл?
4. Що таке вхідні та вихідні характеристики біполярних транзисторів?
5. Які бувають коефіцієнти підсилення?
Бібліографічний список
[З. С. 213...216; 6. С. 232...239; 7. С. 28...343].
Дата добавления: 2015-08-04; просмотров: 674;
