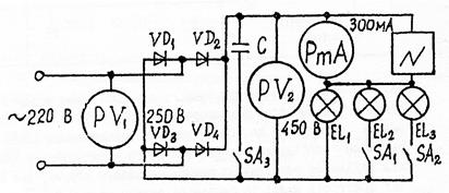
ОБЛАДНАННЯ. 1. Вольтметр змінного струму на 250 В -1 шт.
1. Вольтметр змінного струму на 250 В
-1 шт.
2. Випрямляч, однофазний, двонапівперіодний мостовий на діодах типу КД 209А
-1 шт.
3. Конденсатор ємністю 100 мкФ 300 В
-1 шт.
4. Вольтметр постійного струму на 450 В
-1 шт.
5. Міліамперметр постійного струму на 300 мA
-1 шт.
6. Електролампи на 220 В 25 Вт
-3 шт.
7. Вимикачі
-3 шт.
8. Осцилограф електронний ( ) -1 шт.
9. Комплект з'єднувальних проводів -1 шт.
Короткі відомості з теорії
Випрямляч - перетворювач електричної енергії, який перетворює систему змінних струмів у струм одного напрямку.
Схеми випрямлення поділяються на однофазні та трифазні.
Однофазні схеми випрямлення застосовуються у вигляді
одпонапівперіодних, двонапівперіодних -із виведенням середньої точки вторинної обмотки трансформатора та мостової, а трифазні - із нейтральним виводом та мостової.
Схеми випрямлення характеризуються такими параметрами:
1) середнє значення випрямленої напруги на резисторі навантаження
;
2) діючі фазні або лінійні напруги на вторинній обмотці трансформатора
;
3) коефіцієнт пульсації - відношення амплітуди змінної складаючої основної (першої) гармоніки до середнього значення випрямленої напруги
.
У однофазній однонапівперодній схемі випрямлення середнє значення випрямленої напруги
,
а коефіцієнт пульсації р = 1,57 (табл. 8).
Ця схема використовується, як правило, для живлення високоомних навантажувальних приладів (наприклад, електронно-променевих трубок), які допускають підвищену пульсацію; потужністю не більше 10...15 Вт.
У однофазній двонапівперіодичній схемі з виведенням середньої точки вторинної обмотки трансформатора середнє значення випрямленої напруги:
,
а коефіцієнт пульсації значно менше р = 0,67.
Порівняно із однонапівперіодною схемою, тут випрямлене середнє значення напруги у два рази більше, а коефіцієнт пульсації значно менше. Перевагою цієї схеми є наявність всього двох діодів, а недоліком - великі габарити, маса і вартість трансформатора, який має у вторинній обмотці удвічі більшу кількість витків, а також вивід від середньої точки вторинній обмотці.
В однофазній двонапівперіодній мостовій схемі середнє
Таблиця 8
Основні параметри схем випрямлення
| № дос-ліду | Схема випрямлення | Кількість діодів | Середнє значення випрямленої напруги | Коефіцієнт пульсації |
| Однофазна одно- напівперіодна |
| 1,57 | ||
| Однофазна двона- півперіодна з виве- денням середньої точки вторинної обмотки трансфор- матора |
| 0,67 | ||
| Однофазна двонапівперіодна мостова |
| 0,67 | ||
| Трифазна з нейтральним виводом |
| 0,25 | ||
| Трифазна мостова |
| 0,057 |
значення випрямленої напруги та коефіцієнт пульсації аналогічні попередній схемі , але тут відсутній трансформатор з виводом від середньої точки вторинної обмотки, а замість двох потрібно чотири діоди. Ця схема одержала найбільше розповсюдження та застосу-
вання для живлення кіл збудження електричних машин постійного струму, навантажувальних пристроїв малої та середньої потужності.
У трифазній схемі випрямлення з нейтральним виводом вико- ристовується три діоди. Середнє значення випрямленої напруги:
, 
а коефіцієнт пульсації значно менше р = 0,25.
Ця схема використовується для живлення навантажувальних пристроїв, в яких середнє значення випрямленого струму досягає сотен ампер, а напруга - десятків кіловольт. Перевагою схеми є достатньо висока надійність, що визначається мінімальною кількістю діодів. До недоліків схеми слід віднести підмагнічування осердя трансформатора постійним струмом, що приводять до зниження ККД випрямляча.
У трифазній мостовій схемі випрямлення використовується шість діодів, середнє значення випрямленої напруги в два рази більше, ніж у попередній:
,
а коефіцієнт пульсації значно менше р = 0,057. ККД цієї схеми вище, ніж у попередній, так як немає підмагнічування сердечника трансформатора постійним струмом.
Основні параметри схем випрямлення зведені у табл. 8.
Послідовність проведення роботи
1. Вивчіть та запишіть у робочий зошит основні параметри схем випрямлення (табл. 8).
2. Зберіть схему дослідження (рис. 13) та пред'явіть викладачу для перевірки.

Рис. ІЗ. Однофазна двонапівперіодна
Дата добавления: 2015-08-04; просмотров: 668;
