Зарядка напорной магистрали и питание воздухом приборов и аппаратов электровоза.
Каждая секция электровоза имеет комплект тормозного и пневматического оборудования, обеспечивающий возможность как автономной работы секции, так и при формировании электровозов управляемых по системе многих единиц. Пневматическая принципиальная схема всех секций одинакова.
Источником сжатого воздуха на электровозе являются два компрессорных агрегата с винтовыми компрессорами (ВВ-3,5/10), установленные по одному на каждой секции.
Компрессорный агрегат нагнетает сжатый воздух в питательную магистраль через главные резервуары РГ1, РГ2, РГ3, РГ4, вместимостью 250 л. Каждый. Общая вместимость главных резервуаров одной секции электровоза составляет 1000 л, смотри рисунок 3.1.
Наличие на электровозе двух компрессорных агрегатов обеспечивает наличие необходимого запаса сжатого воздуха. При выходе из строя одного компрессорного агрегата схемой предусмотрена возможность полного обеспечения сжатым воздухом обеих секций локомотива от второго компрессорного агрегата через обединенную питательную магистраль. Сжатый воздух из главных резервуаров через влагомаслоотделитель МО (Э120/Т) разобщительный кран КР10 поступает в питательную магистраль ПМ
и далее к датчикам РД (ДЕМ 102), ДИ1 (КРТ), к блоку тормозного оборудования БТО (010.20 - 2), к блоку электропневматических приборов БЭПП (130.10), к крану вспомогательного тормоза, к блоку исполнительной части вспомогательного тормоза БВТ (224.010), манометру МН2 и к клапану автостопа ЭПК (ЭПК153А).
Всасываемый компрессорным агрегатом воздух очищается от пыли системой фильтрации агрегата. Нагнетаемый компрессорным агрегатом сжатый воздух охлаждается, а затем осушается с помощью входящего в состав агрегата адсорбционного осушителя. Температура сжатого воздуха на выходе агрегата не превышает +15 оС от температуры воздуха на всасывании.
Компрессорный агрегат нагнетает сжатый воздух в главные резервуары до верхнего предельного давления 0,9 МПа (9 кгс/см2) и затем автоматически отключается по сигналу датчика-реле давления РДЭ1. При понижении давления в главных резервуарах до 0,75 МПа (7,5 кгс/см2) по сигналу датчика-реле давления РД1 включается приводной электродвигатель компрессорного агрегата и отключается при достижении давления сжатого воздуха в главных резервуарах 0,9 МПа (9 кгс/см2). Далее циклы соответственно повторяются. Предусмотрена работа компрессорного агрегата с выключенным осушителем переключением соответствующих кранов на трубопроводе компрессора.
В случае неисправности регулятора давления РДЭ1 или системы управления компрессорными агрегатами главные резервуары защищены от повышенного давления предохранительными клапанами КП1 и КП2, отрегулированными на срабатывание при давлении в главных резервуарах 1 МПа (10 кгс/см2). Выпуская воздух в атмосферу при срабатывании, клапаны полностью исключают возможность дальнейшего повышения давления в главных резервуарах.
Датчик регулятора давления расположен на питательной магистрали, поэтому при перекрытом кране Кр10 от главных резервуаров в питательную магистраль и отсутствии воздуха в ПМ компрессор не отключится и наполнение ГР будет происходить до срабатывания предохранительных клапанов. Поэтому перед запуском компрессоров необходимо убедиться в открытии кранов на обеих секциях.
|
| Рисунок 3.1 - Зарядка напорной магистрали |
На напорном трубопроводе между компрессором и главными резервуарами установлен обратный клапан КО1, который в аварийном режиме (поломка компрессора) автоматически отключает неисправный компрессор от главных резервуаров. При неисправности главных резервуаров имеется возможность отключить их от питательной магистрали разобщительным краном КР10.
Применяемые на электровозе резервуары предназначены для создания запаса сжатого воздуха. В резервуарах происходит охлаждение сжатого воздуха, выделение конденсата, улавливание распыленного масла, попавшего из компрессора вместе с воздухом.
Резервуар представляет собой закрытый сосуд, состоящий из цилиндрической части и двух выпуклых сферических днищ. Для присоединения трубопроводов, установки спускных кранов в резервуары вварены специальные бобышки с резьбой.
Для лучшего охлаждения и удаления влаги из сжатого воздуха главные резервуары соединены между собой последовательно. Выпадающий в главных резервуарах конденсат удаляется в атмосферу включением клапанов продувки КПр1, КПр2, КПр3 и КПр4, управление которыми осуществляется, как автоматически при каждом включении компрессорной установки, так и в ручном режиме из кабины машиниста.
Клапаны КПр1, КПр2, КПр3, КПр4 имеют электроподогреватели, предохраняющие их от перемерзания. Между резервуарами и клапанами установлены разобщительные краны КН3, КН4, КН5, КН6. В нормальном положении краны КН3, КН4, КН5, КН6 открыты и перекрываются в случае выхода из строя клапанов КПр1, КПр2, КПр3, КПр4.
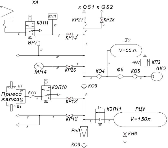
Из главных резервуаров сжатый воздух поступает в питательную магистраль, из которой через фильтр Ф4, обратный клапан КО3, редуктор Ред, настраиваемый на редуцирование сжатого воздуха до 0,5 МПа (5 кгс/см2), , разобщительный кран КР12 к блокам аппаратов ВВК, смотри рисунок 3.2, разобщительный кран КР13 к электропневматическому клапану привода жалюзи, через разобщительный кран КР14 и ВУП1 воздух поступает к электропневматическому клапану токоприемника, через разобщительные краны КР27 и КР28 к электропневматическим вентилям разъединителя и заземлителя. Одновременно через электропневматический клапан КЭП11 (срабатывает после включении ВЦУ при включенном автомате «Вспомогательный компрессор») происходит зарядка резервуара цепей управления РЦУ объемом 150 л. Давление в цепи управления контролируется по манометру МН4.
При отключении автоматического выключателя «вспомогательный компрессор» потеряет питание КЭП11, резервуар цепей управления будет отключен от пневматической схемы.
Редуктора, установленные на электровозе, предназначены для регулировки и поддержания определенного зарядного давления в магистрали, на которой они установлены, независимо от величины максимального давления воздуха в главных резервуарах и питательной магистрали. Давление поддерживаемое редуктором регулируется изменением усилия пружины, действующей на диафрагму. Диафрагма прогибаясь открывает клапан, сообщающий питательную магистраль с управляемой магистралью до тех пор пока давление в управляемой магистрали и в камере над диафрагмой редуктора не окажется достаточным для преодоления усилия регулировочной пружины, после чего питательный клапан перекрывается. Редуктор может быть отрегулирован на поддержание давления от 0,005 до 0,65 МПа.
|
| Рисунок 3.2 - Питание приборов и аппаратов цепей управления электровозом |
При отсутствии воздуха в питательной магистрали схемой предусмотрено поднятие токоприемников либо сжатым воздухом из РЦУ (ёмкостью 150 л.), либо наполнение запасного резервуара ЗР2 и цепи токоприемника до рабочего давления 0,6 МПа (6 кгс/см2) от компрессорной установки АК2 (установка компрессорная ЭПКУ 0,05/6С). При её включении питание на электродвигатель вспомогательного компрессора подается от аккумуляторной батареи. Воздух от компрессорной установки через обратные клапана КО4 и КО5, фильтр Ф5 поступает в цепи управления электровоза и в резервуар 3Р2 объемом 55 л. Давление воздуха создаваемое компрессорной установкой контролируется по манометру МН4. Во избежание перегрева компрессорной установки, для сокращения времени подъема токоприемника и подачи управляющего импульса к компрессорному агрегату перед ее включением необходимо перевести кран КР11 по направлению запасного резервуара ЗР2 (вертикальное положение).
Для предотвращения создания повышенного давления в магистрали компрессорной установки АК2 на трубопроводе установлен предохранительный клапан КП3, отрегулированный на срабатывание при давлении 0,75 МПа (7,5 кгс/см2) и с целью разгрузки клапанов компрессора АК2 при его остановке от противодавления воздуха установлен обратный клапан КО5, который также исключает доступ воздуха из питательной магистрали к предохранительному клапану и компрессору.
Во избежание перегрева компрессорной установки и обеспечения запуска основного компрессорного агрегата перед ее включением необходимо перевести кран КР11 на трубопроводе между компрессорной установкой и ГР в вертикальное положение .
По обоим концам электровоза питательная магистраль заканчивается соединительными рукавами РУ1, РУ5, которые могут быть использованы для зарядки электровоза сжатым воздухом от внешнего источника. В этом случае рукав РУ1 или РУ5 соединяются с внешним источником сжатого воздуха и открывается концевой кран КК1 или КК4 соответственно. Для зарядки питательной магистрали и главных резервуаров могут быть использованы концевые краны тормозной магистрали, для этого необходимо открыть краны КрРШ4 на блоке тормозного оборудования и краны Кр10 к главным резервуарам под кузовом электровоза. При наборе воздуха через тормозную магистраль давление ТМ и ПМ будут одинаковы (давление ПМ равно давлению ТМ), перетекание воздуха из питательной в тормозную магистраль перекрывает обратный клапан КО1 на блоке тормозного оборудования.
|
| Рисунок 3.3 - Схема подачи песка. |
Концевые краны установлены на концах питательной, тормозной и импульсной магистралях каждой секции и служат для перекрытия воздухопроводов на концах электровоза. Рабочее положение кранов открытое.
Концевой кран состоит из корпуса, внутри которого находится клапан с прокладочными кольцами. В вертикальный вырез задней части клапана входит палец кривошипа. На квадрате оси кривошипа посредством шплинта укреплена ручка. Кран к магистрали присоединен с помощью штуцера, имеющего внутреннюю резьбу. К нижнему отростку корпуса прикреплен рукав и закреплен контргайкой.
Воздух из питательной магистрали через разобщительные краны КР17 для первой тележки и КР18, смотри рисунок 3.3, для второй тележки поступает к электропневматическим клапанам песочниц КЭП16,17,18,19, подача воздуха перекрывается разобщительными кранами расположенными под клапанами. Клапаны песочниц расположены по правой стороне кузова, для первой тележки за блоком низковольтных аппаратов №4, для второй тележки за модулем охлаждения ТЭД 3 и 4. На электровозе предусмотрен электропневматический способ подачи песка на каждой секции только под 1-ю и 3-ю колесные пары по направлению движения путем включения клапанов КЭП16 и КЭП18 и под все нечетные по ходу движения колесные пары включением соответствующих клапанов. В обоих случаях воздух из клапанов попадает в форсунки песочниц соответствующих колесных пар ФП1-ФП8, которые направляют песок под колеса. Форсунки песочниц предназначены для дозированной подачи песка под колеса электровоза при необходимости увеличения сцепления их с рельсами. Форсунка допускает предварительную регулировку подачи песка на определенный режим. Применение сжатого воздуха для нагнетания делает подачу песка устойчивой и уменьшает потери песка. Наибольшее допустимое давление в системе пескоподачи 0,9 МПа. Для гибкой связи пескопровода, расположенного на кузове и тележках, используются резиновые рукава РУ17-РУ23, подающие песок непосредственно под колеса.
Звуковыми сигналами на электровозе являются тифон и свисток, они имеют электропневматический приводы, включаются только на той секции, из которой ведется управление, подвод сжатого воздуха от трубопровода цепей питательной магистрали. Отключение клапанов сигналов КЭП2 и КЭП3 производится соответствующими разобщительными кранами КР15 и КР16, смотри рисунок 3.4.
|
| Рисунок 3.4 - Схема звуковых сигналов. |
Дата добавления: 2015-08-04; просмотров: 3923;
