Схема питания цепей управления и заряда аккумуляторной батареи
Источником стабилизированного напряжения 110 В для питания цепей управления электровоза служат аккумуляторные батареи (далее АБ) GB1, GB2 и статический преобразователь А2-5 (шкаф ПЧ ПСН-200). Его канал № 6 выдает постоянный ток напряжением 110 В (см. рисунок 11).
Питание цепей управление, освещения и сигнализации осуществляется от выходного канала № 6 ПСН постоянным током напряжением 110 В. При неработающем ПСН-200 питание цепей управления и освещения может осуществляться от АБ GB1 и GB2, либо от внешнего источника питания через наружные низковольтные розетки Х6 и Х7.
Система автоматического пожаротушения получает питание непосредственно от АБ через автоматический выключатель SF18.
Напряжение от АБ поступает по следующей цепи: плюсовой вывод АБ GB2, провод 308, АБ GB1, провод 304А, автоматический выключатель SF19, провод 300, и далее по двум параллельным ветвям.

Рисунок 11 – Схема питания цепей управления и заряда аккумуляторной батареи
Первая ветвь: провод 300, автоматические выключатели источников питания:
· SF10 - G1 (приборы безопасности);
· SF11 - G2 (первый канал системы МПСУ и Д);
· SF9 - G3 (второй канал системы МПСУ и Д);
· SF13 - G4 (схема УКТОЛ).
Вторая ветвь: контакт контактора КМ18, провод 301.
От 301 провода получают питание цепи питания освещения кабины, высоковольтной камеры, машинного отделения, шкафов низковольтной аппаратуры и приборов безопасности, так же низковольтные розетки 110 В Х8…Х11. Для контроля напряжения цепей управления оно через предохранитель FU3 по проводу 313 подается на вольтметр PV3 пульта управления в кабине машиниста.
Далее обе ветви объединяются проводом 600 и образуется цепь: контакт автоматического выключателя SF19, провод 305А, шунт RS8 цепи АБ, провод 103, минусовой вывод АБ GB2.
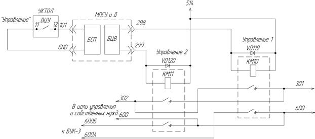
После установки выключателя цепей управления (ВЦУ) «Управление» в положение «Включено» создается цепь (см. рисунок 1.12): +50 В от источника питания локомотивного (ИП-ЛЭ-110/50) G2 и G3, провод 514, катушки электромагнитных контакторов КМ10 (КМ11), провод 298 (299), общий вывод 50 В БЦВ SWG1 (SWG2).

Рисунок 12 – Схема включения цепей управления и собственных нужд
Контакторы КМ10 и КМ11 всех секций включаются, замыкая свои силовые контакты между проводами 301 и 302, а также 600 и 600А (600Б).
От провода 302 питание 110 В поступает в следующие цепи:
· управления электровозом и вспомогательными машинами;
· вспомогательного компрессора и пульта управления тормозного компрессора;
· сигналов «Свисток» и «Тифон»;
· «Выбег»;
· ламп освещения ходовых частей и буферных фонарей;
· ламп прожектора, подсветки кабины и приборов пульта управления;
· преобразователя напряжения постоянного тока 110/24 В G5;
· обогрева спускных кранов и продувки главных резервуаров;
· обогрева бака умывальника и освещения туалетного помещения.
Схема питания 110 В цепей управления и собственных нужд является двухпроводной и изолированной от корпуса электровоза. Провод 600 является общим проводом.
Для зарядки АБ служит выходной канал № 5 ПЧ ПСН-200, выдающий постоянный ток заряда напряжением 90…130 В.
После включения ПСН-200 напряжение 110 В с выходного канала № 6 подается на катушку контактор КМ18 по цепи (см. рисунок 11): контактный зажим 6.2 ПЧ ПСН (+110 В), провод 303, катушка контактора КМ18, провод 600, шунт RS9 цепей управления, провод 168, контактный зажим 6.1 ПЧ ПСН (общий вывод 110 В). Контактор КМ18 включается, разрывая своим контактом цепь между проводами 300 и 301. Происходит отключение АБ от питания цепей управления электровоза и начинается ее зарядка.
Зарядка АБ осуществляется по цепи: контактный зажим 5.1 ПЧ ПСН (плюсовой вывод), провод 300, контакт автоматического выключателя SF19, провод 304А, «плюс» АБ GB1, «минус» АБ GB1, провод 308, «плюс» АБ GB2, «минус» АБ GB2, провод 103, шунт RS8 амперметра PA2, провод 305А, контакт автоматического выключателя SF19, провод 600, контактный зажим 5.2 ПЧ ПСН (минусовой вывод).
В дальнейшем питание цепей управления электровоза осуществляется от выходного канала № 6 ПЧ ПСН-200 по цепи: контактный зажим 6.2 ПЧ ПСН (+110 В), провод 303. Провод 303 служит для подачи напряжения 110 В на блок коммутации А5 системы микроклимата.
От провода 303 через диод VD132 получают питание цепи управления, запитанные от провода 301, а через силовые контакты контакторов КМ10 и КМ11 – запитанные от провода 302. Для контроля величины напряжения цепей управления от 301 провода через предохранитель FU3 напряжение поступает по проводу 313 на вольтметр PV3 пульта управления.
Дата добавления: 2015-08-04; просмотров: 2260;
