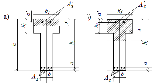
Тавровые и двутавровые сечения
3.23. Расчет сечений, имеющих полку в сжатой зоне (тавровых, двутавровых и т.п.), производят в зависимости от положения границы сжатой зоны:
а) если граница проходит в полке (черт. 3.4,а), т.е. соблюдается условие
RsAs £ Rb
, (3.27)
расчет производят по пп. 3.18 и 3.20 как для прямоугольного сечения шириной
;
б) если граница проходит в ребре (черт. 3.4,б), т.е. условие (3.27) не соблюдается, расчет производят из условия:

Дата добавления: 2015-08-01; просмотров: 1305;
