Раздел 4 .Методические рекомендации к выполнению и оформлению контрольных заданий по ТКМ 10 страница
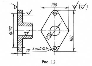
6. По эскизу детали (рис.12) разработайте эскизы элементов литейной формы, модели стержневого ящика, собранной литейной формы (в разрезе). Опишите последовательность изготовления литейной формы методом ручной формовки. Материал детали – чугун СЧ20.
7. Изложите сущность литья в кокили, приведите эскизы, поясняющие конструкцию кокилей. Отметьте технологические особенности этого способа литья, достоинства, недостатки и области его применения.

8. Изобразите схему и опишите сущность процесса контактной точечной электросварки. Начертите и опишите циклограмму процесса точечной сварки. Объясните, за счет чего металл ядра в месте контакта заготовок доводится до жидкопластичного состояния. Разработайте процесс сварки панели (рис.40) из стали марки Ст3. Шаг точек t=5dT. Производство массовое. Укажите подготовку заготовок под сварку. По толщине свариваемых заготовок выберите тип машины и укажите ее технические данные. Рассчитайте площадь контактной поверхности электрода. По значениям j (А/мм2) и p (мН/м2) определите сварочный ток и усилие, приложенное на электродах. Определите время сварки изделия. Укажите возможные дефекты и причины их возникновения.

Вариант 97
1. Каким способом можно восстановить пластичность холоднокатаных медных лент? Назначьте режим термической обработки и опишите физическую сущность происходящих процессов.
2. Для изготовления токопроводящих упругих элементов выбрана бронза БрБНТ-1,7. Приведите химический состав, режим термической обработки и получаемые механические свойства материала. Опишите процессы, происходящие при термической обработке, объясните природу упрочнения в связи с диаграммой состояния медь- бериллий.
3. Вычертите диаграмму состояния железо - карбид железа, укажите структурные составляющие во всех областях диаграммы, опишите превращения и постройте кривую охлаждения (с применением правила фаз) для сплава, содержащего 5,2% С. Какова структура этого сплава при комнатной температуре и как такой сплав называется?
4. Углеродистая сталь У8 после закалки и отпуска имеет твердость 55...60 HRC. Используя диаграмму состояния железо -карбид железа и учитывая превращения, происходящие в стали при отпуске, выберите температуру закалки и температуру отпуска. Опишите превращения, которые происходят при выбранных режимах термической обработки и окончательную структуру.
5. Приведите характеристику свойств титана и укажите области его применения. Опишите последовательность технологического процесса производства титана из ильменитовых руд магниетермическим способом.
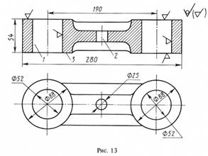
6. По эскизу детали (рис.13) разработайте эскизы элементов литейной формы, модели стержневого ящика, собранной литейной формы (в разрезе). Опишите последовательность изготовления литейной формы методом ручной формовки. Материал детали – чугун СЧ20.
7. Изложите принципы конструирования технологичных литых деталей с учетом литейных свойств сплавов.

8. Изобразите схему и опишите сущность процесса контактной шовной (роликовой) сварки. Начертите и опишите циклограмму процесса шовной сварки. Объясните, за счет чего металл ядра в месте контакта заготовок доводится до жидкопластичного состояния. Разработайте процесс сварки бензобака (рис.41) из стали марки Ст3. Производство массовое. Укажите подготовку заготовок под сварку. По толщине свариваемых заготовок выберите тип машины и укажите ее технические данные. Рассчитайте площадь контактной поверхности электрода(для случая отсутствия вращения ролика). По значениям j (А/мм2) и p (мН/м2) определите сварочный ток и усилие, приложенное на роликах, время сварки изделия. Укажите возможные дефекты и причины их возникновения.

Вариант 98
1. Для изготовления некоторых деталей двигателя внутреннего сгорания выбран сплав АК2:
а) расшифруйте состав и укажите способ изготовления деталей из этого сплава;
б) опишите характеристики механических свойств данного сплава.
2. Опишите механизм и характер деформации полимеров в стеклообразном и вязкотекучем состояниях. Укажите область применения полимеров в этих состояниях.
3. Вычертите диаграмму состояния железо - карбид железа, укажите структурные составляющие во всех областях диаграммы, опишите превращения и постройте кривую охлаждения (с применением правила фаз) для сплава, содержащего 0,45% С. Какова структура этого сплава при комнатной температуре и как такой сплав называется?
4. Вычертите диаграмму изотермического превращения аустенита для стали У8. Нанесите на нее кривую режима изотермической обработки, обеспечивающей твердость 500 НВ. Укажите, как этот режим называется и какая структура при этом получается.
5. Приведите характеристику свойств меди и укажите области ее применения. Опишите последовательность технологического процесса производства меди пирометаллургическим способом.
6. По эскизу детали (рис.14) разработайте эскизы элементов литейной формы, модели стержневого ящика, собранной литейной формы (в разрезе). Опишите последовательность изготовления литейной формы методом ручной формовки. Материал детали – сталь 45 Л.
7. Изложите вопросы автоматизации и механизации изготовления литейных форм. Приведите схему автоматической формовочной линии и опишите ее работу.

8. Изобразите схему и опишите сущность процесса контактной стыковой сварки сопротивлением. Начертите и опишите циклограмму процесса стыковой сварки сопротивлением. Объясните, почему в месте контакта заготовок выделяется наибольшая тепловая энергия. Разработайте процесс сварки стержней (рис.42) из стали марки Ст3. Производство крупносерийное. Укажите подготовку заготовок под сварку. По площади сечения заготовок выберите тип машины и укажите ее технические данные. Рассчитайте площадь контактной поверхности электрода(для случая отсутствия вращения ролика). По значениям j (А/мм2) и p (мН/м2) определите ток и усилие осадки. Укажите возможные дефекты и причины их возникновения.

Вариант 99
1. Для каких целей применяется наклеп и почему?
2. Опишите, в чем заключается низкотемпературная термомеханическая обработка конструкционной стали. Объясните с позиций теории дислокаций, почему этот процесс приводит к получению высокой прочности стали. Какими преимуществами и недостатками обладает вариант низкотемпературной термомеханической обработки по сравнению с высокотемпературной термомеханической обработкой?
3. Назначьте режим термической обработки штампов холодной штамповки из стали У11. Приведите его обоснование и опишите структуру и свойства штампов. Объясните, почему из данной стали изготовляют штампы небольшого сечения.
4. В результате термической обработки полуоси должны получить по всему сечению повышенную прочность (твердость НКС28-35).Для их изготовления выбрана сталь 40ХНМА:
а) расшифруйте состав и определите, к какой группе относится данная сталь но назначению;
б) назначьте режим термической обработки, приведите подробное его обоснование, объяснив влияние легирования на превращения, происходящие на всех этапах термической обработки данной стали;
в) опишите микроструктуру и свойства стали после термической обработки.
5. Приведите характеристику свойств алюминия и укажите области его применения. Опишите последовательность технологического процесса производства глинозема и электролитического получения алюминия.
6. По эскизу детали (рис.15) разработайте эскизы элементов литейной формы, модельных плит, стержневого ящика, собранной литейной формы (в разрезе). Опишите последовательность изготовления формы одним из методом машинной формовки. Материал детали – чугун СЧ20.
7. Опишите микроструктуру и свойства отливок из высокопрочного чугуна. Приведите примеры маркировки высокопрочного чугуна по Государственному стандарту. Изложите технологические особенности получения отливок из высокопрочного чугуна и укажите области их применения.

8. Изобразите схему и опишите сущность процесса контактной стыковой сварки оплавлением. Начертите и опишите циклограмму процесса стыковой сварки оплавлением. Объясните, за счет чего происходит процесс сварки труб (рис. 43) из стали марки Ст3. Производство массовое. Укажите подготовку заготовок под сварку. По площади сечения свариваемых заготовок выберите тип машины и укажите ее технические данные. По значениям j (А/мм2) и p (мН/м2) определите ток и усилие осадки. Определите установочную длину с учетом припуска на оплавление, осадку и время сварки изделия. Укажите возможные дефекты и причины их возникновения.

Вариант 100
1. Для чего применяется отжиг после холодной пластической деформации?
2. Вы чертите диаграмму состояния железо - карбид железа. Укажите структурные составляющие во всех областях диаграммы, опишите превращения и по стройте кривую нагревания в интервале температур от 0 до 1600°С (с применением правила фаз) для сплава, содержащего 1,2% С. Для заданного сплава при температуре 1400°С определите состав фаз (т.е. процентное содержание компонентов в фазах углерода) и количественное соотношение.
3. После закалки углеродистой стали со скоростью охлаждения выше критической была получена структура, состоящая из феррита и мартенсита. Проведи те на диаграмме состояния железо - карбид железа ординату, соответствующую составу заданной стали, укажите принятую в - данном случае температуру нагрева под закалку и опишите все превращения, которые совершались в стали при нагреве и охлаждении. Как называется такой вид закалки?
4. В результате термической обработки шестерни должны получить твердый износоустойчивый поверхностный слой при вязкой сердцевине. Для изготовления их выбрана сталь ЗОХГТ:
а) расшифруйте состав и определите, к какой группе относится данная сталь по назначению;
б) назначьте режим термической обработки, приведите подробное его обоснование, объяснив влияние легирования на все превращения, происходящие на всех этапах термической и химико-термической обработки;
в) опишите микроструктуру и свойства стали после обработки.
5. Приведите характеристику свойств магния и области его применения. Опишите последовательность технологического процесса производства магния из карналлита.
6. По эскизу детали (рис.16) разработайте эскизы элементов литейной формы, модельных плит, стержневого ящика и собранной литейной формы (в разрезе). Опишите последовательность изготовления формы одним из методом машинной формовки. Материал детали – сталь 35Л.
7. Опишите микроструктуру и свойства отливок из ковкого чугуна. Приведите примеры маркировки ковкого чугуна по Государственному стандарту. Изложите технологические особенности получения отливок из ковкого чугуна и укажите области их применения.

8. Изобразите схему и опишите сущность процесса автоматической сварки под слоем флюса. Укажите назначение флюса и флюсовой подушки. Разработайте процесс односторонней сварки плиты из стали марки Ст3 (рис.36). Производство крупносерийное. Укажите тип соединения, форму разделки кромок под сварку (по ГОСТу) и приведите эскиз сечения шва с указанием размеров. Выберите марку и диаметр электродной проволоки и флюса, подберите режим сварки. По размерам шва подсчитайте массу наплавленного металла. Определите расход электродной проволоки и флюса с учетом потерь, расход электроэнергии и время сварки изделия. Укажите методы контроля качества сварного шва.

Дата добавления: 2015-08-01; просмотров: 1281;
