Раздел 4 .Методические рекомендации к выполнению и оформлению контрольных заданий по ТКМ 7 страница
б) укажите характеристики механических свойств сплава.
4. Вычертите диаграмму состояния железо - карбид железа, укажите структурные составляющие во всех областях диаграммы, опишите превращения и постройте кривую охлаждения (с применением правила фаз) для сплава, содержащего 0,9% С. Какова структура этого сплава при комнатной температуре и как такой сплав называется?
5. Опишите способы внепечной обработки стали для повышения ее качества. Отметьте факторы, способствующие улучшению качества стали в каждом способе.
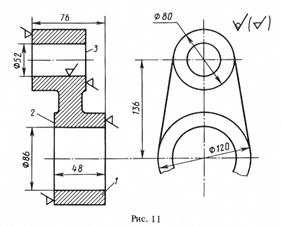
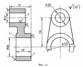
6. По эскизу детали (рис.11) разработайте эскизы элементов литейной формы, модели стержневого ящика, собранной литейной формы (в разрезе). Опишите последовательность изготовления литейной формы методом ручной формовки. Материал детали – чугун СЧ20.
7. Изложите сущность способа литья в оболочковые формы и приведите поясняющие эскизы. Укажите достоинства, недостатки и области применения этого способа литья.

8. Изобразите схему и опишите сущность процесса автоматической сварки в среде углекислого газа. Укажите особенности и достоинства сварки в углекислом газе. Разработайте процесс сварки коробчатой балки (рис.39) из стали марки Ст3. Укажите тип соединения, форму разделки кромок под сварку (по ГОСТу) и приведите эскиз сечения шва с указанием размеров. Выберите марку и диаметр электродной проволоки, подберите режим сварки. Укажите вылет электрода, род тока и полярность. По размерам шва подсчитайте массу наплавленного металла. Определите расход электродной проволоки с учетом потерь, расход электроэнергии и время сварки изделия. Укажите методы контроля качества сварного шва.

Вариант 66
1. Для изготовления резцов выбрана сталь P18К5Ф2:
а) расшифруйте состав и определите, к какой группе относится данная сталь по назначению;
б) назначьте режим термической обработки, приведите подробное его обоснование, объяснив влияние легирования на всех этапах термической обработки данной стали;
в) опишите микроструктуру и свойства стали после термической обработки.
2. Назначьте нержавеющую сталь для работы в среде средней агрессивности (растворы солей). Приведите состав стали, необходимую термическую обработку и получаемую структуру. Объясните физическую природу коррозионной устойчивости материала и роль каждого легирующего элемента.
3. Для деталей арматуры выбрана бронза БрОЦС4-4-2,5:
а) расшифруйте состав и опишите структуру сплава;
б) объясните назначение легирующих элементов и приведите механические свойства сплава.
4. Опишите неорганические материалы, применяемые в машиностроении (стекло, кварц, пеностекло и стеклоэмали).
5. Опишите способы вторичного переплава слитков, повышающие их качество. Отметьте факторы, способствующие повышению качества слитков в каждом способе.
6. По эскизу детали (рис.12) разработайте эскизы элементов литейной формы, модели стержневого ящика, собранной литейной формы (в разрезе). Опишите последовательность изготовления литейной формы методом ручной формовки. Материал детали – чугун СЧ20.
7. Изложите сущность литья в кокили, приведите эскизы, поясняющие конструкцию кокилей. Отметьте технологические особенности этого способа литья, достоинства, недостатки и области его применения.

8. Изобразите схему и опишите сущность процесса контактной точечной электросварки. Начертите и опишите циклограмму процесса точечной сварки. Объясните, за счет чего металл ядра в месте контакта заготовок доводится до жидкопластичного состояния. Разработайте процесс сварки панели (рис.40) из стали марки Ст3. Шаг точек t=5dT. Производство массовое. Укажите подготовку заготовок под сварку. По толщине свариваемых заготовок выберите тип машины и укажите ее технические данные. Рассчитайте площадь контактной поверхности электрода. По значениям j (А/мм2) и p (мН/м2) определите сварочный ток и усилие, приложенное на электродах. Определите время сварки изделия. Укажите возможные дефекты и причины их возникновения.

Вариант 67
1. Объясните различие между холодной и горячей пластической деформацией.
2. Вычертите диаграмму состояния железо - карбид железа. Укажите структурные составляющие во всех областях диаграммы, опишите превращения и постройте кривую нагревания в интервале температур от 0 до 1600°С (с применением правила фаз) для сплава, содержащего 3,7% С. Для заданного сплава при температуре 900°С определите процентное содержание углерода в фазах.
3. Копиры должны иметь минимальную деформацию и высокую износоустойчивость поверхностного слоя при твердости 750...1000 HV. Дня их изготовления выбрана сталь 38ХВФЮА. Укажите состав и определите группу стали по назначению. Назначьте и обоснуйте режим термической и химико-термической обработки, объяснив влияние легирования на превращения, происходящие на всех этапах обработки данной стали. Опишите структуру и свойства стали после обработки.
4. Для изготовления постоянного магнита сечением 50x50 мм выбран сплав ЕХ9К15. Расшифруйте состав и укажите группу сплава по назначению. Назначьте режим термической обработки и опишите структуру и свойства после обработки. Объясните, почему в данном случае нельзя применить углеродистую сталь У12.
5. Приведите характеристику свойств титана и укажите области его применения. Опишите последовательность технологического процесса производства титана из ильменитовых руд магниетермическим способом.
6. По эскизу детали (рис.13) разработайте эскизы элементов литейной формы, модели стержневого ящика, собранной литейной формы (в разрезе). Опишите последовательность изготовления литейной формы методом ручной формовки. Материал детали – чугун СЧ20.
7. Изложите принципы конструирования технологичных литых деталей с учетом литейных свойств сплавов.

8. Изобразите схему и опишите сущность процесса контактной шовной (роликовой) сварки. Начертите и опишите циклограмму процесса шовной сварки. Объясните, за счет чего металл ядра в месте контакта заготовок доводится до жидкопластичного состояния. Разработайте процесс сварки бензобака (рис.41) из стали марки Ст3. Производство массовое. Укажите подготовку заготовок под сварку. По толщине свариваемых заготовок выберите тип машины и укажите ее технические данные. Рассчитайте площадь контактной поверхности электрода(для случая отсутствия вращения ролика). По значениям j (А/мм2) и p (мН/м2) определите сварочный ток и усилие, приложенное на роликах, время сварки изделия. Укажите возможные дефекты и причины их возникновения.

Вариант 68
1. Вычертите диаграмму состояния системы свинец -сурьма. Опишите взаимодействие компонентов в жидком и твердом состояниях, укажите структурные составляющие во всех областях диаграммы состояния и объясните характер изменения свойств сплавов с помощью правил Курнакова.
2. Вычертите диаграмму состояния системы железо карбид железа, укажите структурные составляющие во всех областях диаграммы, опишите превращения и постройте кривую температур от 0 до 1600°С (с применением правила фаз) для сплава, содержащего 5,0% С. Для заданного сплава при температуре 1200°С определить: состав фаз (т.е. процентное содержание углерода в фазах) и количественное соотношение фаз.
3. Гильзы цилиндров двигателей внутреннего сгорания должны иметь высокую твердость и износоустойчивость поверхностного слоя 750... 1000 HV. Для изготовления их выбрана сталь 38Х2МЮА. Укажите состав и определите группу стали по назначению. Назначьте и обоснуйте режим термической и химико-термической обработки, объяснив влияние легирования на превращения в стали при ее термической обработке. Опишите структуру и свойства поверхностного слоя и сердцевины гильзы.
4. Для изготовления деталей, работающих в активных коррозионных средах, выбрана сталь 08X18Н12T. Укажите состав и объясните причины введения легирующих элементов в эту сталь. Назначьте и обоснуйте режим термической обработки и опишите микроструктуру данной стали после термической обработки.
5. Приведите характеристику свойств меди и укажите области ее применения. Опишите последовательность технологического процесса производства меди пирометаллургическим способом.
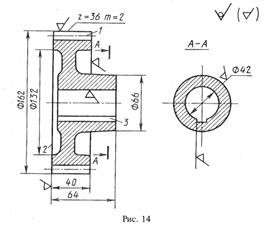
6. По эскизу детали (рис.14) разработайте эскизы элементов литейной формы, модели стержневого ящика, собранной литейной формы (в разрезе). Опишите последовательность изготовления литейной формы методом ручной формовки. Материал детали – сталь 45 Л.
7. Изложите вопросы автоматизации и механизации изготовления литейных форм. Приведите схему автоматической формовочной линии и опишите ее работу.

8. Изобразите схему и опишите сущность процесса контактной стыковой сварки сопротивлением. Начертите и опишите циклограмму процесса стыковой сварки сопротивлением. Объясните, почему в месте контакта заготовок выделяется наибольшая тепловая энергия. Разработайте процесс сварки стержней (рис.42) из стали марки Ст3. Производство крупносерийное. Укажите подготовку заготовок под сварку. По площади сечения заготовок выберите тип машины и укажите ее технические данные. Рассчитайте площадь контактной поверхности электрода(для случая отсутствия вращения ролика). По значениям j (А/мм2) и p (мН/м2) определите ток и усилие осадки. Укажите возможные дефекты и причины их возникновения.

Вариант 69
1. Как изменяются механические и другие свойства при нагреве наклепанного металла?
2. Вычертите диаграмму состояния железо - карбид железа. Укажите структурные составляющие во всех областях диаграммы, опишите превращения и постройте кривую нагревания в интервале температур от 0 до 1600°С (с применением правила фаз) для сплава, содержащего 0,9% С. Выберите для заданного сплава любую температуру между линиями ликвидус и солидус и определите состав фаз (т.е. процентное содержание углерода в фазах при этой температуре) и количественное соотношение фаз.
3. Для изготовления высадочных и чеканочных штампов выбрана сталь 4ХВС. Укажите состав и определите группу стали по назначению. Назначьте режим термической обработки, приведите его обоснование, объяснив влияние легирования на превращения при термической обработке этой стали. Опишите структуру и свойства штампов после термической обработки.
4. Для деталей, работающих в слабых коррозионных средах, используется сталь 20Х13. Укажите состав и объясните причину введения хрома в эту сталь. Назначьте и обоснуйте режим термической обработки и опишите микроструктуру после обработки.
5. Приведите характеристику свойств алюминия и укажите области его применения. Опишите последовательность технологического процесса производства глинозема и электролитического получения алюминия.
6. По эскизу детали (рис.15) разработайте эскизы элементов литейной формы, модельных плит, стержневого ящика, собранной литейной формы (в разрезе). Опишите последовательность изготовления формы одним из методом машинной формовки. Материал детали – чугун СЧ20.
7. Опишите микроструктуру и свойства отливок из высокопрочного чугуна. Приведите примеры маркировки высокопрочного чугуна по Государственному стандарту. Изложите технологические особенности получения отливок из высокопрочного чугуна и укажите области их применения.

8. Изобразите схему и опишите сущность процесса контактной стыковой сварки оплавлением. Начертите и опишите циклограмму процесса стыковой сварки оплавлением. Объясните, за счет чего происходит процесс сварки труб (рис. 43) из стали марки Ст3. Производство массовое. Укажите подготовку заготовок под сварку. По площади сечения свариваемых заготовок выберите тип машины и укажите ее технические данные. По значениям j (А/мм2) и p (мН/м2) определите ток и усилие осадки. Определите установочную длину с учетом припуска на оплавление, осадку и время сварки изделия. Укажите возможные дефекты и причины их возникновения.

Вариант 70
1. Под действием каких напряжений возникает пластическая деформация? Как при этом изменяются структура и свойства металлов и сплавов?
2. Вычертите диаграмму состояния железо - карбид железа, укажите структурные составляющие во всех областях диаграммы, опишите превращения и постройте кривую нагревания в интервале температур от 0 до 1600°С (с применением правила фаз) для сплава, содержащего 2,5 % С. Для заданного сплава при температуре 1250°С определите состав фаз (т.е. процентное содержание углерода в фазах) и количественное соотношения фаз.
3. Для изготовления режущего инструмента выбрана сталь Р6М5К5. Укажите состав и определите группу стали по назначению. Назначьте режим термической обработки, приведите его обоснование, объяснив влияние легирования на превращения, происходящие на всех этапах термической обработки данной стали. Опишите микроструктуру и свойства стали после термической обработки.
4. Для изготовления постоянных магнитов сечением 50*50 мм выбран сплав ЕХ9К15. Укажите состав, назначьте режим термической обработки и опишите структуру и свойства сплава после обработки. Объясните, почему для магнитов больших размеров нельзя применять сталь У12.
5. Приведите характеристику свойств магния и области его применения. Опишите последовательность технологического процесса производства магния из карналлита.
6. По эскизу детали (рис.16) разработайте эскизы элементов литейной формы, модельных плит, стержневого ящика и собранной литейной формы (в разрезе). Опишите последовательность изготовления формы одним из методом машинной формовки. Материал детали – сталь 35Л.
7. Опишите микроструктуру и свойства отливок из ковкого чугуна. Приведите примеры маркировки ковкого чугуна по Государственному стандарту. Изложите технологические особенности получения отливок из ковкого чугуна и укажите области их применения.

8. Изобразите схему и опишите сущность процесса автоматической сварки под слоем флюса. Укажите назначение флюса и флюсовой подушки. Разработайте процесс односторонней сварки плиты из стали марки Ст3 (рис.36). Производство крупносерийное. Укажите тип соединения, форму разделки кромок под сварку (по ГОСТу) и приведите эскиз сечения шва с указанием размеров. Выберите марку и диаметр электродной проволоки и флюса, подберите режим сварки. По размерам шва подсчитайте массу наплавленного металла. Определите расход электродной проволоки и флюса с учетом потерь, расход электроэнергии и время сварки изделия. Укажите методы контроля качества сварного шва.

Вариант 71
1. Вычертите диаграмму состояния системы медь -никель. Опишите взаимодействие компонентов в жидком и твердом состояниях, укажите структурные составляющие во всех областях диаграммы состояния и объясните характер изменения свойств в данной системе с помощью правил Курнакова.
2. Как изменяются строение и свойства при нагреве предварительно деформированного металла?
3. Для изготовления штампов горячей штамповки выбрана сталь 4ХЗВМФ. Назначьте и обоснуйте режим термической обработки, объяснив влияние легирования на превращения, происходящие при термической обработке этой стали. Укажите микроструктуру и свойства штампов после термической обработки.
4. Для изготовления деталей подшипников качения выбрана сталь ШX15СГ. Укажите состав стали, назначьте режим термической обработки и приведите свойства стали после термической обработки.
5. Приведите краткую характеристику современного металлургического производства. Опишите его структуру, основные виды продукции и перспективы развития.
6. По эскизу детали (рис.7) разработайте эскизы: элементов литейной формы, модели стержневого ящика, собранной литейной формы (в разрезе). Опишите последовательность изготовления литейной формы. Материал детали – сталь 35Л.
7. Перечислите основные литейные свойства сплавов. Приведите краткую характеристику жидкотекучести сплавов, укажите факторы, влияющие на жидкотекучесть.

8. Изобразите схему и опишите сущность процесса ручной электродуговой сварки толстопокрытыми электродами. Укажите назначение покрытия. Разработайте процесс сварки цилиндрической части резервуара из стали марки Ст3 (рис.35). Производство мелкосерийное. Укажите тип соединения, форму разделки кромок под сварку (по ГОСТу) и приведите эскиз сечения шва с указанием размеров. Подберите марку и диаметр электрода, определите режим сварки. По размерам шва подсчитайте массу наплавленного металла. Определите расход электродов с учетом потерь, расход электроэнергии и время сварки изделия. Укажите методы контроля качества сварного шва.

Вариант 72
1. Объясните влияние модификаторов первой группы (дисперсных тугоплавких частиц) на строение литого металла.
2. Под действием каких напряжений возникает пластическая деформация? Как при этом изменяются структура и свойства металлов и сплавов.
3. Вычертите диаграмму состояния железо - карбид железа, укажите структурные составляющие во всех областях диаграммы, опишите превращения и постройте кривую охлаждения в интервале температур от 1600 до 0°С (с применением правила фаз) для сплава, содержащего 1,9% С. Для заданного сплава определите при температуре 1350°С процентное содержание углерода в фазах и количественное соотношение.
4. В результате термической обработки детали машин должны получить повышенную прочность по всему сечению (твердость 250...280 НВ). Для изготовления их выбрана сталь ЗОХГ'С. Укажите состав и определите группу стали по назначению. Назначьте режим термической обработки, приведите его обоснование, объяснив влияние легирования на превращения, происходящие при термической обработке. Опишите структуру и свойства стали после термической обработки.
5. Приведите схему профиля доменной печи и опишите принцип ее работы. Изложите основные физико-химические процессы, происходящие в доменной печи, и укажите назначение основного продукта доменной плавки.
6. По эскизу детали (рис.8) разработайте эскизы элементов литейной формы, модельных плит, стержневого ящика и собранной литниковой системы (в разрезе).
Опишите последовательность изготовления формы одним из методов машинной формовки. Материал детали – сталь 35Л.
7. Перечислите основные литейные свойства сплавов. Приведите характеристику усадки сплавов. Укажите, какие дефекты в отливках связаны с усадкой сплавов и меры их предупреждения.

8. Изобразите схему и опишите сущность процесса автоматической сварки под слоем флюса. Укажите назначение флюса и флюсовой подушки. Разработайте процесс односторонней сварки плиты из стали марки Ст3 (рис.36). Производство крупносерийное. Укажите тип соединения, форму разделки кромок под сварку (по ГОСТу) и приведите эскиз сечения шва с указанием размеров. Выберите марку и диаметр электродной проволоки и флюса, подберите режим сварки. По размерам шва подсчитайте массу наплавленного металла. Определите расход электродной проволоки и флюса с учетом потерь, расход электроэнергии и время сварки изделия. Укажите методы контроля качества сварного шва.

Вариант 73
1. Что происходит с кристаллической решеткой металлов под действием нормальных напряжений?
2. Вычертите диаграмму состояния железо - карбид железа, укажите структурные составляющие во всех областях диаграммы состояния, опишите превращения и постройте кривую охлаждения в интервале температур от 0 до 1600°С (с применением правила фаз) для сплава, содержащего 1,4% С. Выберите для заданною сплава любую температуру между линиями ликвидус и солидус и определите состав фаз (т.е. процентное содержание углерода в фазах при этой температуре) и количественное соотношение.
3. Для изготовления обрезных мафии и пуансонов выбрана сталь 9ХФ. Расшифруйте состав и определите группу стали по назначению. Назначьте режим термической обработки, приведите его обоснование, объяснив влияние легирования на превращения, происходящие при термической обработке данной стали. Опишите структуру и свойства инструмента после термической обработки.
4. В авиационной и ракетной технике, а также в судостроении и приборостроении применяются высокопрочные мартенсито-стареющие стали H18K8M3T, H18K12M5T и др. Укажите состав, термическую обработку, структуру и свойства этих сталей. Опишите природу упрочнения.
5. Изложите сущность процесса передела чугуна в сталь. Приведите основные химические реакции, характеризующие процесс передела. Перечислите современные плавильные печи и агрегаты, в которых получают сталь.
6. По эскизу детали (рис.9) разработайте эскизы: элементов литейной формы, модели стержневого ящика, собранной литейной формы (в разрезе). Опишите последовательность изготовления литейной формы методом ручной формовки. Материал детали – чугун СЧ20.
7. Укажите причины возникновения трещин в отливках. Перечислите виды трещин. Меры их предупреждения и коробления отливок.

8. Изобразите схему и опишите сущность процесса полуавтоматической сварки в среде углекислого газа. Укажите особенности и достоинства сварки в углекислом газе. Разработайте процесс сварки двутавровой балки (рис.37) из стали марки Ст3.Шов прерывистый: l/t=100/200. Укажите тип соединения, форму разделки кромок под сварку (по ГОСТу) и приведите эскиз сечения шва с указанием размеров. Выберите марку и диаметр электродной проволоки, подберите режим сварки. Укажите вылет электрода, род тока и полярность. По размерам шва подсчитайте массу наплавленного металла. Определите расход электродной проволоки с учетом потерь, расход электроэнергии и время сварки изделия. Укажите методы контроля качества сварного шва.

Вариант 74
1. Опишите сущность эвтектической кристаллизации и структуру любого эвтектического сплава.
2. Какие процессы происходят при горячей пластической деформации и как изменяются строение и свойства металла?
3. Вычертите диаграмму состояния железо карбид железа, укажите структурные составляющие во всех областях диаграммы, опишите превращения и постройте кривую /о>ч нагревания в интервале температур от 0 до 1600°С (с применением правил фаз) для сплава, содержащего 5,5% С. Для заданного сплава определите при температуре 1250°Спроцентное содержание углерода в фазах; количественное соотношение фаз.
4. Для изготовления деталей высокой прочности используется мартенсито-стареющая сталь Н18К8МЗ. Расшифруйте состав и укажите группу стали по назначению. Назначьте и обоснуйте режим термической обработки, объяснив влияние легирующих элементов на превращения, происходящие при термической обработке. Опишите структуру, свойства и природу упрочнения стали.
5. Приведите схему кислородного конвертера и изложите принцип его работы. Опишите особенности процесса плавки стали, укажите основные достоинства и недостатки выплавки стали в конверторах.
6. По эскизу детали (рис.10) разработайте эскизы элементов литейной формы, модельных плит, стержневого ящика и собранной литейной формы (в разрезе). Опишите последовательность изготовления формы одним из методов машинной формовки. Материал детали - чугун СЧ20.
7. Изложите технологическую последовательность изготовления отливок по выплавляемым моделям. Отметьте, какие технологические особенности процесса обеспечивают высокую точность размеров и высокий класс шероховатости поверхностей отливок.

8. Изобразите схему автоматической сварки в среде аргона плавящимся электродом и опишите сущность процесса. Укажите особенности и достоинства сварки в среде инертных газов. Разработайте процесс сварки сосуда (рис.38) из стали12Х18Н10Т. Укажите тип соединения, форму разделки кромок под сварку (по ГОСТу) и приведите эскиз сечения шва с указанием размеров. Выберите марку и диаметр электродной проволоки, подберите режим сварки. Укажите вылет электрода, род тока и полярность. По размерам шва подсчитайте массу наплавленного металла. Определите расход электродной проволоки с учетом потерь, расход электроэнергии и время сварки изделия. Укажите методы контроля качества сварного шва.

Вариант 75
1. Вычертите диаграмму состояния железо — карбид железа, укажите структурные составляющие во всех областях диаграммы, опишите превращения и постройте кривую нагревания в интервале температур от 0 до 1600°С (с применением правил фаз) для сплава, содержащего 1,5% С. Выберите для заданного сплава любую температуру между линиями солидус и ликвидус и определите состав фаз (т.е. процентное содержание углерода в фазах) и количественное соотношение фаз.
2. В чем состоит отличие процесса цементации в твердом карбюризаторе от процесса газовой цементации? Как можно исправить крупнозернистую структуру цементированных изделий?
3. В результате термической обработки полуоси должны получить по всему сечению повышенную прочность (твердость 28...35 HRC). Для изготовления выбрана сталь 40ХНМА. Укажите состав и определите группу стали по назначению. Назначьте и обоснуйте режим термической обработки, объяснив влияние легирования на превращения, происходящие при термической обработке данной стали. Опишите микроструктуру и свойства изделий после термической обработки.
4. Для изготовления калибров выбрана сталь 9X18. Укажите состав и определите группу стали по назначению. Назначьте режим термической обработки, дайте его обоснование и укажите микроструктуру и свойства калибров после термической обработки. Объясните назначение хрома в данной стали.
5. Опишите способы внепечной обработки стали для повышения ее качества. Отметьте факторы, способствующие улучшению качества стали в каждом способе.
6. По эскизу детали (рис.11) разработайте эскизы элементов литейной формы, модели стержневого ящика, собранной литейной формы (в разрезе). Опишите последовательность изготовления литейной формы методом ручной формовки. Материал детали – чугун СЧ20.
7. Изложите сущность способа литья в оболочковые формы и приведите поясняющие эскизы. Укажите достоинства, недостатки и области применения этого способа литья.

8. Изобразите схему и опишите сущность процесса автоматической сварки в среде углекислого газа. Укажите особенности и достоинства сварки в углекислом газе. Разработайте процесс сварки коробчатой балки (рис.39) из стали марки Ст3. Укажите тип соединения, форму разделки кромок под сварку (по ГОСТу) и приведите эскиз сечения шва с указанием размеров. Выберите марку и диаметр электродной проволоки, подберите режим сварки. Укажите вылет электрода, род тока и полярность. По размерам шва подсчитайте массу наплавленного металла. Определите расход электродной проволоки с учетом потерь, расход электроэнергии и время сварки изделия. Укажите методы контроля качества сварного шва.

Вариант 76
1. Опишите линейные несовершенства кристаллического строения и их влияние на свойства металлов.
2. Вычертите диаграмму состояния железо - карбид железа, укажите структурные составляющие во всех областях диаграммы, опишите превращения и постройте кривую нагревания в интервале температур от 0 до 1600°С (с применением правила фаз) для сплава, содержащего 3,0% С. Выберите для заданного сплава любую температуру между линиями ликвидус и солидус и определите состав фаз (т.е. процентное содержание углерода в фаза) и количественное соотношение фаз.
Дата добавления: 2015-08-01; просмотров: 1159;
