Развитие техники релейной защиты
Энциклопедии и технические словари определяют реле (англ. Relay - смена, эстафета; франц. relais, от relayer – сменять, заменять) как устройство для автоматической коммутации электрических цепей по сигналу извне. Любое релейное устройство, как и реле для коммутации электрических цепей, состоит из релейного элемента (с двумя состояниями устойчивого равновесия) и группы электрических контактов, которые замыкаются (или размыкаются) при изменении состояния релейного элемента.
Реле широко применяются в устройствах автоматического управления, контроля, сигнализации, защиты, коммутации и т. д. Наиболее распространены коммутационные реле, реле давления, перемещения, расхода, реле времени, защитные реле.
1883 г. – Впервые электромагнитное реле применено в качестве защитного аппарата. Первые реле конструировались на основе измерительных приборов. Отсюда их название «Ваттметровое реле» – реле мощности и омметровое – реле сопротивления.
В настоящее время в развитии элементной базы Релейной защиты различают три периода:
1900-1950 г.г. – электромеханические реле защиты;
1950-1980 г.г. – переход на аналоговые статические системы;
c 1980 г. по настоящее время – переход на микропроцессорные устройства.
1888 г. – создана Всеобщая электротехническая компания в Риге. В 1915 г., когда немецкие войска приблизились к Риге, завод был эвакуирован в Харьков и стал Харьковским электромеханическим заводом (ХЭМЗ).
К 1889 г. уже имеется первая классификация повреждений.
Повреждения разделяют:
- относительно движущей силы;
- относительно генератора электричества;
- относительно проводников;
- относительно ламп и приборов.
Техника релейной защиты начинает развиваться с начала XX века. Вначале речь шла о распределительных досках – прообраз современной РЗ. Потом появляются различные защиты оборудования с использованием реле.
1890 г. – 1-й патент на предохранитель. Плавкий элемент в виде медной тонкой фольги или одной или нескольких тонких проволок, помещенных в корпус из изоляционного материала.
Корпус полностью или частично заполнялся мелкозернистым непроводящим материалом, в качестве которого предлагался сухой мел, мрамор, кварцевый песок, кирпичный порошок, асбест, корунд.
1893 г. На международном электротехническом конгрессе американский электротехник Ч.П. Штейнмец показал возможность использования комплексных чисел для описания электрических величин переменного тока.
К1900 г. уже существовали 3-х фазные сети, но не было теории расчета токов короткого замыкания. Оборудование и защита выбирались из предположения, что ток КЗ составит не более 3-х номинальных значений. Переменный ток рассматривался как переходной процесс и значения токов находились путем решения системы дифференциальных уравнений.
1901 г. – на базе индукционных измерительных приборов создается в шведской электротехнической фирме ASEA первое индукционное реле RJ. В России известно под именем РТ-80.
1908 г. – разработана дифференциально-токовая защита.
1910 г. – начало применения токовой направленной защиты.
Рис. 1.5 – Дифференциальная защита трансформатора.

Интересно, что пишет журнал «Электричество» на интересующую нас тему в 1914 году. «Различных реле для автоматического выключения появилось такое множество типов, что зачастую они приносят больше вреда, чем пользы».
1920 г. – разработка дистанционной защиты.
1930 г. американский ученый Фортескью предложил несимметричную и нескомпенсированную систему векторов представлять в виде геометрической суммы двух симметричных и скомпенсированных векторов и одной нескомпенсированной системы одинаково направленных векторов (метод симметричных составляющих).
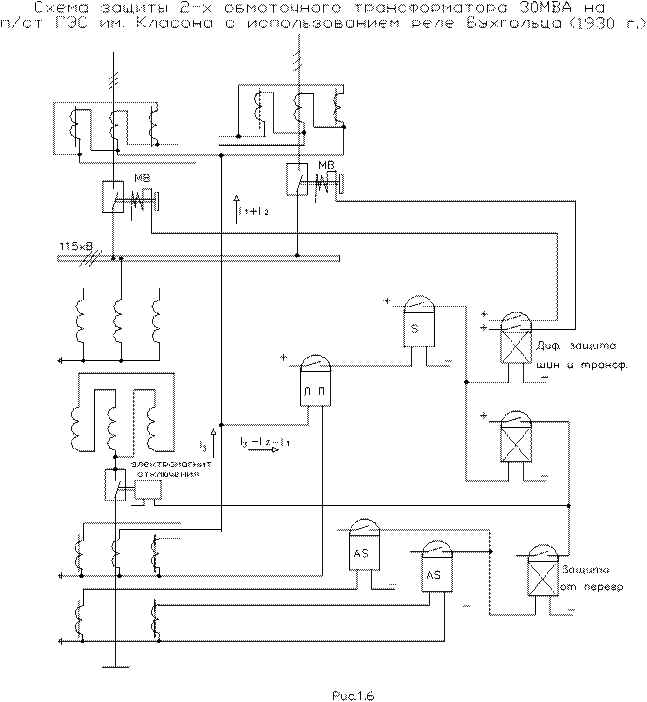
К 1930 г. можно уже было говорить о типовом наборе защит. Интересно посмотреть как выглядели схемы этих защит. Приведем упрощенную схему защиты 2-х обмоточного трансформатора 30 МВА на п/ст ГЭС им. Класона. Начинает применяться реле Бухгольца (газовое). См. рис. 1.6.

Интересно отметить требуемые нормы настройки реле прямого действия для этого времени. По току не более 10%, по времени 0,5 с. С учетом того факта, что время отключения выключателя составляло 0,25 с, ступень селективности рекомендовалось принимать около 1,5-2 с.
Дата добавления: 2015-08-01; просмотров: 1663;
