Принцип действия асинхронного двигателя
При включении обмотки статора в сеть, создается вращающееся магнитное поле. Это поле пересекая обмотку ротора наводит в ней ЭДС. Под действием этой ЭДС по обмотке будет протекать ток. Этот ток будет взаимодействовать с магнитным потоком. Взаимодействие вращающего магнитного поля статора с током в роторе создает вращающий момент, за счет которого ротор будет вращаться в ту же сторону, что и поле, но с небольшим отставанием.
При вращении поля n1 в проводнике ротора наведется ЭДС к нам, правило правой руки. Ток также будет направлен к нам. По правилу левой руки проводник с током попал в магнитное поле на него будет действовать сила f, под действием которой ротор будет вращаться в туже сторону, что и магнитное поле статора.
На рисунке n1 – скорость магнитного поля статора; n – скорость ротора; S – скольжение.

Для двигателей обычной серии Sн = 0,02 ¸ 0,05 скольжение зависит от нагрузки. Чем больше нагрузка (n¯), тем больше скольжение.
По конструкции ротора асинхронные машины делятся:
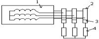
1. Асинхронная машина с фазным ротором

1. обмотки
2. контурные кольца
3. щетки
4. сопротивление
2. Асинхронная машина с короткозамкнутым ротором

Общие вопросы машин переменного тока
Эта тема относится как к асинхронным, так и к синхронным машинам.
К общим вопросам относятся:
1) обмотки машин переменного тока
2) ЭДС обмотки машин переменного тока
3) МДС (намагничивающие силы) обмоток машин переменного тока.
Устройство статора синхронной и асинхронной машин одинаково.
Дата добавления: 2015-08-01; просмотров: 830;
