Пример выполнения однослойной обмотки
Дано:





(1 ¸ 7)


2) Двухслойные обмотки
|
Особенностью двухслойной обмотки является то, что в пазу укладывается обмотка в два слоя.
Недостатки: неудобство ремонта.
|
Преимущества: 1) меньше расход меди; 2) обмотку выполнить с укороченным шагом, можно избавиться от внешних гармоник ЭДС.
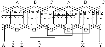
Расположение фазных зон по пазам Z1 = 24
(1 ¸ 6)
a = 30° q1 = 2
| A | A | Z | Z | B | B | X | X | C | C | Y | Y | A | A | Z | Z | B | B | X | X | C | C | Y | Y |
| A | Z | Z | B | B | X | X | C | C | Y | Y | A | A | Z | Z | B | B | X | X | C | C | Y | Y | A |
В двухслойной обмотке число катушечных групп в фазе равно числу полюсов (2P = 4). У катушечных групп чередование катушечных групп по фазам А,С,В, таких чередований будет равно числу полюсов (2P = 4) АСВ, АСВ, АСВ, АСВ.
Каждая фаза состоит из четырех катушечных групп их соединение в фазу: Н – К – К – Н – Н – К – К – Н (Х)

В данной обмотке чередование катушечных групп с 2 катушками, т.е.
2 – 2 – 2 – 2 – при q – целом.
Имеются обмотки с дробным q, например, в многоскоростных обмотках, когда в одних пазах укладываются две обмотки на разное число полюсов.
Дробное 
Пример.






q2 ® число 5 означает, что в чередовании участвует пять катушечных групп – d; числитель с = 2, говорит о том, что катушечные группы имеют катушек на одну больше; b – остальные катушки группы имеют по две катушки, т.е. чередование катушечных групп будет следующее:
2 – 3 – 2 – 3 – 2 – q – дробное.
Роторные обмотки
Роторные обмотки выполняются так же как и на статоре (3 фазы сдвинуты на 120°). В малых машинах делается обмотка петлевая катушечная.
В машинах же средней и большой мощности обмотки в роторе делаются волновые или даже волновые стержневые. Волновые обмотки имеют преимущество при большом числе полюсов, т.к. при этом не нужно расходовать медь для межкатушечных соединений. Выводы волновой обмотки ротора должны быть симметричными, иначе будет биение ротора. Для выводов концов обмотки и переходов используются специальные таблицы в зависимости от Z2 и 2Р. У асинхронных двигателей с короткозамкнутой обмоткой – обмотка имеет вид беличьей клетки. Для машинной укладки обмоток используется обмотка – одно-двухслойная.
Дата добавления: 2015-08-01; просмотров: 898;
