Бийский технологический институт (филиал)
Г. И. Куничан, Т.Н. Смирнова, Л.И. Идт
СОЗДАНИЕ 3D-МОДЕЛИ ВАЛА.
АССОЦИАТИВНЫЙ ЧЕРТЕЖ ВАЛА
Методические рекомендации по выполнению лабораторных и практических работ в системе КОМПАС – ГРАФИК для студентов специальностей 240901, 151001, 160302, 260601, 240706, 170104, 200106, 190603, 240702, 220501
Авторы Куничан Г.И.
Смирнова Т.Н.
Идт Л.И.
Зав. кафедрой ТГ Куничан Г.И.
Нормоконтролер кафедры ТГ Идт Л.И.
Методист факультета Ромашев А.Н.
Зав библиотекой Волкова Л.В.
Редактор Идт Л.И.
Первый заместитель директора по УР Харитонов В.А.
Бийск
УДК 515,(075.8)
Рецензент: доцент кафедры МАХиПП А.И. Легаев
Куничан, Г. И.
Создание 3D модели вала. Ассоциативный чертеж вала: методические рекомендации по выполнению лабораторных и практических работ в системе КОМПАС–ГРАФИК для студентов специальностей 240901, 151001, 160302, 260601, 240706, 170104, 200106, 190603, 240702, 220501./ Г.И. Куничан, Т.Н. Смирнова, Л.И. Идт; Алт. гос. техн. ун-т им. И.И.Ползунова, БТИ.- Бийск. Изд-во Алт. гос. ун-та, 2009.- с.
Методические рекомендации предназначены для начинающих изучение системы КОМПАС-3D V9. В работе рассмотрен пример создания 3D модели вала и выполнение его ассоциативного чертежа. Приведены варианты индивидуальных заданий для самостоятельного закрепления изученного материала.
УДК 515,(075.8)
Рассмотрены и одобрены
на заседании кафедры технической
графики.
Протокол № 55 от 26 ноября 2009
БТИ АлтГТУ, 2009
Студенты всех специальностей выполняют чертежи деталей типа Вал. Важно не только правильно выполнить и оформить чертеж вала, но и создать его трехмерную модель. Это помогает студентам лучше понять форму детали и развивает их пространственное воображение.
При выполнении задания в методических указаниях рекомендуем пользоваться встроенной в программу КОМПАС Азбукой КОМПАС (см. «Справка» на стандартной панели). В задании № 10 «Построение тел вращения» выполнено построение аналогичной детали.
1 Построение детали «Вал»
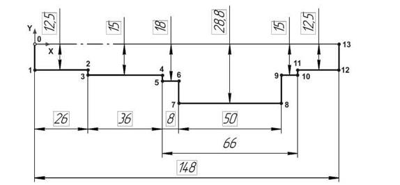
Выполните построение типовой для машиностроения детали – вала, показанного на рисунке 1.

Рисунок 1 – Чертеж вала
• Создайте новую деталь и сохраните ее в папке «Stud» на диске Спод именем Вал.
• Создайте новый эскиз на профильной плоскости (плоскость ZY)
Эскиз вала представляет собой ломаную линию, отдельные участки которой расположены под прямыми углами друг к другу. Для того, чтобы не назначать отрезкам горизонтальность и вертикальность вручную с использованием параметрических команд, следует сразу начертить их в нужной ориентации, для чего использовать кнопку Ортогональное черчение.
Нажмите кнопку Ортогональное черчение на панели Текущее состояниеили нажмите клавишу [F8](рисунок 2).

Рисунок 2 – Панель «Текущее состояние»
В режиме ортогонального черчения можно проводить только вертикальные и горизонтальные отрезки. Одновременно на отрезки будут автоматически накладываться связи Совпадение точек и ограничения Горизонталь или Вертикаль.
Из точки 0 начала координат эскиза постройте осевую линию длиной 148 мм, обязательно включите привязку Выравнивание(рисунок 3), затем постройте ломаную линию 0-13(рисунок 4)..

Рисунок 3 – Окно установки глобальных привязок
Точные значения длин отдельных отрезков задавать не обязательно – постарайтесь лишь приблизительно выдержать их пропорции. Счетчик размера на экране 12,5 мм и 28,8 мм не сможет показать, поэтому эти размеры можно выбрать равными 13 мм и 29 мм Ломаная линия должна быть начерчена стилем Основная (см. рисунок 4).

Рисунок 4 – Контур вала
После построения ломаной отключите режим ортогонального черчения.
Проставьте параметрические линейные размеры так, как это показано на рисунке 5. Закройте эскиз.

Рисунок 5 – Контур вала с параметрическими размерами
Нажмите кнопку Операция вращения на панели Редактирование детали(рисунок 6).

Рисунок 6 – Панель редактирования детали
Если эскиз не замкнут, как в данном случае, система по умолчанию выполняет построение тонкостенного элемента. Для построения сплошного тела нажмите кнопку Сфероид на закладке Параметры Панели свойств(рисунок 7).

Рисунок 7 – Панель свойств
Затем там же откройте закладку Тонкая стенка.
Откройте список Тип построения тонкой стенки и укажите вариант Нет (рисунок 8).

Рисунок 8 – Отказ от создания тонкой стенки
Нажмите кнопку Создать объект.
В окне модели система выполнит построение основания детали (рисунок 9). Установите ориентацию Изометрия XYZ,вариант отображения Полутоновое и максимальную степень точности отображения.

Рисунок 9 – Модель-заготовка вала
Дата добавления: 2015-08-01; просмотров: 1397;
