Расчёт штанги на прочность.
1- штанга
2- шпренгель
3- пальцевый брус
4- внутренний башмак
5- наружный башмак
6- полевая доска
7- перо
ЛЕКЦИЯ №10.
Pпод- усилие, создаваемое пружиной;
f2- сила трения, создаваемая внутренним башмаком;
Ax, Bx, By- реакции в месте заделки шпренгеля.
Для определения реакций запишем сумму проекций на оси и моменты всех сил относительно точки А:
(1)
(2)
(3)
1) 
2) 
3) 


КОСИЛКИ, ИХ СХЕМЫ, ТИПЫ.

- мотовило для подачи травы
- режущий аппарат
- тракторный шпренгель- захват 1.4 м
- узкий транспортёр для погрузки травы в тележку
- шнек для спускания потока
- прицепная тележка

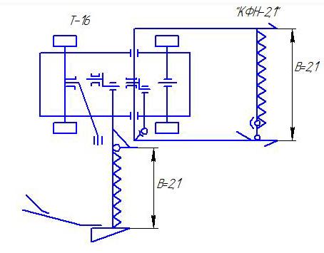
Т-16- самоходное шасси (Харьковский завод)
КФН- 2.1:
Производительность- 1.42 га/час
Захват- 2.1 м
Вес- 275 кг
КСП- 2.1:то же самое, что и у КФН- 2.1, только вес 112 кг.

Трёх точечная подвеска:
G=245 кг
B=2.1 м
V=11 км/час
Q=2.3 га/час

G=600 кг
B=6 м
Q=3.2 га/час

G=1060 кг
B=10 м
Q=7.7 га/час
Применяется в южных степных районах. Управляется одним человеком.
КНУ-6
Преимущества:
- небольшой удельный вес на 1 м захвата;
- простота монтажа и демонтажа;
- высокая маневренность;
- большая производительность;
- управляется одним человеком;
- применяется во всех почвенно- климатических условиях.

Дата добавления: 2015-07-30; просмотров: 976;
