Преобразование звезды в треугольник и треугольник в звезду
Условимся соединение трёх резисторов, имеющих вид трехлучевой звезды (рис. 31), называть соединение «звезда», а соединение трёх резисторов так, что они образуют собой стороны треугольника (рис. 32), называть соединением «треугольник».

Рис. 31. Соединение «звезда» Рис. 32. Соединение «треугольник»
Обозначим потенциалы узлов 1, 2, 3 через φ1, φ2, φ3. Токи, подтекающие к узлам 1, 2, 3 обозначим через I1, I2, I3.
Если преобразование выполнить таким образом, что при одинаковых значениях потенциалов φ1, φ2, φ3 одноименных точек треугольника и звезды подтекающие к этим узлам токи будут одинаковые, то вся внешняя схема не заметит произведённой замены.
Выведем формулы преобразований. С этой целью выразим токи I1, I2 и I3 в звезде и в треугольнике через разности потенциалов точек 1, 2, 3 и собственные проводимости.
Для звезды
I1 + I2 + I3 = 0, (120)
I1 = (φ1 - φ0)g1; I2 = (φ2 - φ0)g2; I3 = (φ3 - φ0)g3; (121)
Подставим (121) в (120) и найдем ϕ0
φ1g1 + φ2g2 + φ3g3 - φ0(g1 + g2 + g3) = 0
Отсюда
φ0 =
(122)
Далее, выведем φ0 в выражении для тока I1
I1 = (φ1 - φ0)g1 =
g1 =
(123)
Обратимся к соединению треугольником. В соответствии с обозначениями на рис. 32:
I1 = I12 – I31 = (φ1 – φ2)g12 - (φ3 – φ1)g13 = φ1 (g12 + g13) – φ3g13 - ϕ2g12 (124)
Так как ток I1 в схеме рис. 31 должен равняться току I1 в схеме рис. 32 при любых значениях потенциалов φ1, φ2, φ3, то коэффициент при φ2 в правой части (124) должен равняться коэффициенту при φ2 в правой части (123), а коэффициент при φ3 в правой части (124) должен равняться коэффициенту при φ3 в правой части (123).
Следовательно,
g12=
(125)
g13=
(126)
Аналогично,
g23=
(127)
Формулы (125) – (127) дают возможность найти проводимости сторон треугольника через проводимости лучей звезды.
Из уравнений (125), (126), (127), выразим сопротивления лучей звезды
R1=
; R2=
; R3= 
Через сопротивления сторон треугольника.
R12=
; R23=
; R31= 
С этой целью запишем дробь, обратную (125)
R12=
=
=
=
(128)
Здесь
m=(R2*R3 + R1*R3 + R1*R2) (129)
Аналогично
R23=
(130)
R13=
(131)
Отсюда
R1=
; R2=
; R3=
; (132)
Подставим (132) в (129):
m =
+
+
= m2
= = m2 
Следовательно
m =
(133)
Подставим (133) в (132)
R1=
; (134)
R2=
(135)
R3=
(136)
Формулы (134) – (136) дают возможность найти сопротивления лучей звезды через сопротивления сторон треугольника.
Структура формул (134), (135), (136) легко запоминаются. В знаменателе стоит сумма сопротивлений треугольника. В числителе стоят произведения сопротивлений резисторов, примыкающих к узлам 1, 2, 3 соответственно.
Очень часто при расчёте электрических цепей оказывается полезным преобразовать треугольник в звезду или совершить преобразование звезды в треугольник. Практически чаще встречается потребность преобразования треугольника в звезду, чем в обратном преобразовании.
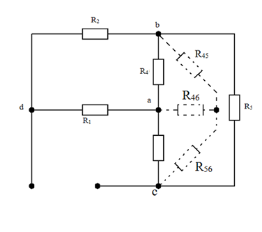
Полезность преобразования треугольника в звезду может быть проиллюстрирована, например, на схеме рис. 33.

Рис. 33. Схема для определения входного сопротивления
Надо определить входное сопротивление схемы относительно зажимов «d» и «с». Соединение резисторов смешанное, нет явно выраженного последовательного или параллельного соединения.
Преобразуем треугольник резисторов R4, R5, R6 в эквивалентную звезду. Штриховыми линиями на рис. 33 обозначена эквивалентная звезда.
Изобразим получившуюся схему на рис. 34.

Рис. 34. Преобразованная схема
Согласно вышеизложенному
R45=
; (137)
R46=
(138)
R56=
(139)
На схеме рис. 34 видно, что R2 и R45 соединены последовательно. R1 и R46 так же соединены последовательно. Эти упомянутые ветви соединены параллельно. И к этому сопротивлению последовательно включён R56
Rвхdc =
+ R56 (140)
Дата добавления: 2015-07-30; просмотров: 4129;
