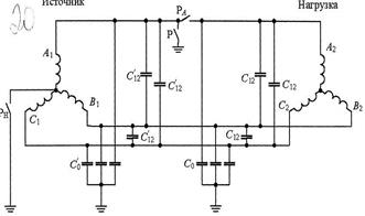
Схема исследования ПН при нессиметричном отключении фаз.
При несимметричном отключении фаз линии электропередачи, когда отключаются одна или две фазы линии, возможно возникновение резонансных перенапряжений (феррорезонанс).
Общая схема, в которой возможно возникновение ФР перенапряжений, представлена на рис. 4.10. Ключом РА условно показано место разрыва фазы А. На схеме также показаны емкости фаз между собой (С12’) и на землю (С0’) до разрыва (до ключа РА) и соответствующие емкости С12 и Со после разрыва. Нейтраль системы-источника может быть заземлена или изолирована (ключ РН), а нейтраль трансформатора нагрузки должна быть изолирована. Это характерно для всех линий, вплоть до 110 кВ включительно. (При заземлении нейтрали нагрузки феррорезонанс не возникает).
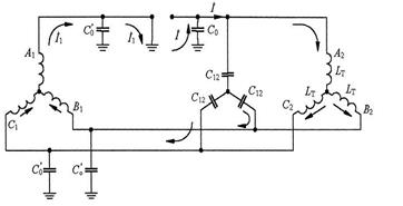
Примем, что в фазе А оборвался провод и упал на землю, т. е. разомкнем ключ РА и заземлим фазу А со стороны системы ключом Р. Тогда схема замещения будет, как на рис. 4.11, где треугольник емкостей С12 заменен на соответствующую ему эквивалентную звезду, а треугольником емкостей C12’ можно пренебречь, т. к. они не влияют на рассматриваемые процессы.

Рис. 4.10. Схема для исследования перенапряжений при несимметричном отключении фаз.

Рис. 4.11. Схема замещения сети с несимметричной коммутацией (один провод заземлен)
Ток I1 в фазе А после обрыва провода будет уходить на землю через место заземления, а затем через емкость Со будет возвращаться снова на провод к нагрузке. Здесь он разветвляется: часть тока течет через емкость С12, а другая часть - через обмотки (индуктивности) LT трансформатора. Весь ток замыкается через фазы В1 и С1 источника. Потенциалы нулевых точек трансформатора нагрузки и звезды междуфазных емкостей C12 одинаковы.
Дата добавления: 2015-07-06; просмотров: 1154;
