Регистры. Устройство, принцип работы
Регистрами называют логические устройства, предназначенные для запоминания и хранения цифровых кодов. Построение регистров выполняют на триггерах. Операцию передачи цифрового кода в регистр и из регистра можно осуществлять последовательно и параллельно.
На рис.9.13 изображено условное обозначение и схема четырёхразрядного регистра параллельного действия, построенного на синхронных D – триггерах. Регистр имеет четыре входа D1÷D4 информационных и один синхронизирующий вход С.
B исходное нулевое состояние логических сигналов на всех выходах Q1 ÷ Q4 ,
регистр устанавливается при подаче на синхронизирующий вход С сигнала лог.1 и на все информационные входы D сигнала лог “0”. Запись двоичного числа производится при одновременной подаче на информационные входы D1÷D4 кода числа.


Рис.9.13. Условное обозначение и схема четырёхразрядного регистра параллельного действия
Триггеры, на информационные входы которых подаются сигналы лог. 1 , переводятся в состояния 1, остальные останутся в состоянии 0. Записанное число считывается с выходов Q1÷Q4.
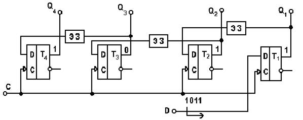
Для запоминания числа и сдвига влево используется схемы сдвигающего регистра. На рис.9.14 приведено условное обозначение и логическая схема сдвигающего регистра. Регистры такого типа используют в качестве преобразователей последовательного кода в параллельный код.
Регистр имеет два входа: на вход С поступают динамические импульсы сдвига, являющимися положительными импульсами, изменяющимися во времени; вход D является информационным входом.
При записи числа в сдвигающий регистр цифровой двоичный код подается на информационный вход D триггера Т1, начинается со старшего разряда. При этом положительные импульсы сдвига поступают на счётные входы С триггеров.
Работу регистра рассмотрим на примере записи числа 1011. С приходом импульса сдвига на вход С и подаче на вход D единицы старшего разряда числа, триггер Т1 переводится в состояние 1 (Q1). В регистре используются элементы задержки ЭЗ, которые осуществляют задержку во времени перемещения сигнала с одного триггера на другой. При подаче очередного импульса сдвига на вход С и подаче на вход D второго разряда (нуля) числа, на выходе Q1 появится 0 , а 1 из триггера Т1 через элемент ЭЗ переместится в триггер Т2. С приходом очередного импульса сдвига на вход С и подаче на вход D третьего разряда (единицы) числа, триггер Т1 установится в 1 и т.д. Путём последовательной подачи кодов чисел на вход D и импульсов сдвига на вход С, число записывается в регистр.

Рис.9.14. Условное обозначение и логическая схема сдвигающего регистра
Считывание чисел осуществляется параллельным кодом с выходов Q1 ÷ Q4 или последовательным кодом с выхода Q4 путем последовательной подачи импульсов сдвига. На рис.9.15 приведена таблица истинности сдвигающего регистра.

Рис.9.15. Таблица истинности сдвигающего регистра
9.9. Счётчики импульсов. Устройство, принцип работы
Счётчиком называется логическое устройство, предназначенное для подсчёта числа входных сигналов.
На рис. 9.16 приведена упрощённая схема четырёхразрядного двоичного суммирующего счётчика импульсов. Счётчик состоит из четырёх синхронных RS - триггеров со счётным входом С и дифференцирующих цепочек ДЦ, предназначенных для отрицательного дифференцирования прямоугольных импульсов, поступаемых на счётные входы триггеров.

Рис.9.16. Упрощённая схема четырёхразрядного двоичного суммирующего счётчика импульсов
Прямые выходы каждого триггера подсоединены через дифференцирующие цепочки ДЦ к счётным входам С каждого последующего триггера. Импульсы, подлежащие счёту, подаются на счётный вход триггера Т1. Записанное в счётчике число, снимается с выходов триггеров Q1÷Q4. Принцип действия счётчика импульсов поясняется временными диаграммами, приведёнными на рис.9.17.

Рис.9.17. Временные диаграммы, поясняющие принцип работы счётчика импульсов
Начальные состояния триггеров счётчика нулевые (выходы Q1÷Q4). На счётный вход триггера Т1 поступают отрицательные диффиренцирующие импульсы. При подаче на счётный вход триггера Т1 счётчика первого отрицательного импульса, триггер Т1 переходит в состояние 1 или положительно перепад напряжения (выход Q1). В результате дифференцирования этого перепада на счётном входе триггера Т2 появляется положительный импульс, который не переводит Т2 в состояние 1 (выход Q2), так как, применяемые в счётчике триггеры, переводятся из одного устойчивого состояния в другое только отрицательными импульсами. Второй отрицательный импульс, поданный на вход триггера Т1, переводит его в 0 и на выходе дифференциальной цепочки формируется импульс отрицательной полярности. Этот импульс переводит триггер Т2 в состояние 1 и т.д. Из временной диаграммы видно, что триггер Т1 переходит из одного состояния в другое с приходом каждого импульса, подлежащего счёту, триггер Т2 – через каждые два импульса, триггер Т3 – через каждые четыре импульса и триггер
Т4 – через восемь импульсов. Таким образом, коэффициент пересчёта счётчика
КП = 2(n-1), где n – количество разрядов счётчика.
В исходное нулевое состояние триггеры счётчика устанавливаются единичным импульсом сброса, подаваемым на нулевые R – входы триггеров.
По назначению счётчики делятся на суммирующие, вычитающие и реверсные. В суммирующих счётчиках производится сложение, поступающих на вход импульсов с тем числом, которое хранилось в счётчике. В вычитающих счётчиках производят вычитание поступивших на вход импульсов из начального числа. Реверсивные счетчики могут производить сложение и вычитание, в зависимости от управляющего сигнала переключающего счетчик в режим сложения или вычитания.
На рис.9.16 показана упрощённая схема переключения контакта Р1 реле Р из положения суммирования импульсов в положение вычитания импульсов при замыкании контакта S. При этом в качестве обратных связей используются не прямые выходы Q триггеров, а обратные выходы
триггеров.
Дата добавления: 2015-07-24; просмотров: 2068;
