Полупроводниковые диоды. Устройство, принцип действия
Диодом называется контактное соединение двух полупроводников, один из которых с электронной n - электропроводностью, другой с дырочной p -электропроводностью. На рис.7.6 изображены: структра диода и его условное обозначение. Диод имеет два электрода анод и катод, где (–) - катод, (+) - анод.

Рис 7.6. Структра диода и его условное обозначение
Диффузия свободных электронов и свободных дырок образует тонкий пограничный слой с разностью потенциалов, называемой напряженностью электрического поля EП. Пограничный слой обладает бесконечным сопротивлением и называется запирающим p-n-переходом. При отсутствии внешнего электрического поля ток через p-n-переход равен 0.
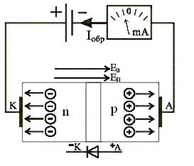
Наличие внешнего электрического поля EB, подключенного к диоду, зависит от его полярности. Если внешнее электрическое поле EB, направлено по направлению EП (рис.7.7), то миллиамперметр покажет небольшой обратный ток
0. Ток через диод не проходит, так как сопротивление пограничного слоя равно бесконечности.

Рис.7.7. Опытная проверка закрытого состояния диода
Если внешнее электрическое поле EB, направлено противоположно направлению EП (рис.7.8), то миллиамперметр покажет прямой ток
. Ток
через диод проходит, так как сопротивление пограничного слоя незначительно.

Рис.7.8. Опытная проверка открытого состояния диода
На рис.7.9 изображена схема питания диода через нагрузочное сопротивление.

Рис 7.9. Электрическая цепь с диодом и нагрузкой
Вольтамперная характеристика диода (рис 7.10) показывает, что диод обладает односторонней проводимостью и пропускает ток только в прямом направлении.

Рис.7.10. Вольтамперная характеристика диода
Полупроводниковые диоды подразделяются на выпрямительные диоды, импульсные диоды, стабилитроны, светодиоды и фотодиоды. Выпрямительные диоды используют в выпрямителях для выпрямления переменных токов частотой
50Гц ÷ 50кГц. Импульсные диоды используют для выпрямления токов при импульсах микросекундной и наносекундной длительности.
Стабилитроны предназначены для стабилизации напряжения на нагрузке при изменении питающего напряжения. На рис.7.11 изображена вольтамперная характеристика стабилитрона, которая показывает, что стабилизация напряжения на нагрузке осуществляется при обратном напряжении в предельных границах обратного тока.

Рис 7.11. Вольтамперная характеристика стабилитрона
На рис.7.12 приведена схема простейшего стабилизатора напряжения, в котором питающее напряжение U = IR + Uст, а общий ток I = Iст + Iн. Здесь изменяется ток I на ограничительном сопротивлении R за cчёт изменения тока Iст, проходящего через стабилитрон. При этом нагрузочный ток Iн и напряжение на нагрузке Uст не изменяются.

Рис.7.12. Схема простейшего стабилизатора напряжения
Светодиодами называют электронные приборы, которые излучают свет при прохождении через них тока в прямом направлении. Основным параметром светодиода является яркость свечения при токе
и напряжении
. На рис.7.13 приведена схема подключения светодиода к источнику питания.

Рис.7.13. Схема подключения светодиода к источнику питания
Дата добавления: 2015-07-24; просмотров: 1056;
