Режимы работы источника электрической энергии
Представим простейшую электрическую цепь схемой рис.1.1, на которой указан реальный источник ЭДС, например аккумулятор.
Существуют следующие режимы работы источникаэлектрической энергии постоянного тока: номинальный режим, рабочий режим, режим холостого хода, режим короткого замыкания.
Режимы работы источника электрической энергии определяет вольт-амперная характеристика (рис.1.4) - зависимость напряжения U от тока
.
Номинальный режим источника характеризуется номинальными параметрами источника, соответствующими расчётным паспортным значениям завода-изготовителя, к которым относятся параметры: Iном,Uном и Рном, где Рном номинальная мощность источника. По Uном рассчитывается сопротивление изоляции проводов, по Iном рассчитываются условия нагрева проводов по допустимому току.

Рис.1.4. Вольт-амперая характеристика источника ЭДС
Точка
=
соответствует режиму холостого хода, точка Iк - режиму короткого замыкания реального источника ЭДС.
. (1.11)
При
= 0 идеализированный источник электрической энергии называется идеальным источником ЭДС, а вольт-амперная характеристика (рис.1.5) определяется выражением:
. (1.12)
Такой источник называется также источником напряжения. На этом же рисунке приведено условное схемное изображение источника напряжения.
Рис.1.5. Идеальный источник ЭДС
В электрических цепях с полупроводниковыми приборами и электронными лампами
значительно превышает
. Источник электрической энергии, у которого
, называется идеальным источником тока с параметром:
. (1.13)
Такому источнику соответствует характеристика рис.1.6:

Рис.1.6. Идеальный источник тока
На этом же рисунке приведено условное схемное изображение источника тока.
Если все слагаемые формулы (1.11) разделить на внутреннее сопротивление
источника, то получим выражение:
. (1.14)
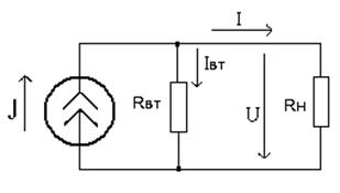
Откуда следует, что ток источника тока J складывается из тока I
(во внутреннем участке цепи) и тока I (во внешнем участке цепи). Схема с источником тока J приведена на рис.1.7:

Рис.1.7. Электрическая схема цепи с источником тока
Дата добавления: 2015-07-24; просмотров: 1059;
