Параллельное соединение элементов.
Резистивные элементы.
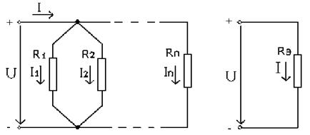
При параллельном соединении потребителей все начальные и конечные точки элементов соединяют вместе, образуя общие зажимы (рис. 1.13)

Рис.1.13. Эквивалентное замещение параллельно соединённых резисторов
Ток
в неразветвленной части цепи равен алгебраической сумме токов в ветвях:
. (1.27)
Так как токи в отдельных ветвях определяются по закону Ома соотношениями
,
, … ,
, а ток в неразветвленной части цепи
, то эквивалентное сопротивление можно определить по формуле:
. (1.28)
Эта формула показывает, что эквивалентная проводимость параллельной цепи равна сумме проводимостей отдельных ветвей цепи, имеющих размерность (
):
. (1.29)
Необходимо отметить, что эквивалентное сопротивление цепи при параллельном соединении будет меньше, чем самое малое из сопротивлений цепи.
Емкостные элементы.
При параллельном соединении конденсаторов (рис.1.14) напряжение, приложенное к конденсаторам, одинаково.
Общий заряд
общ =
1+
2+…+
n, так как
общ =
,
,
, …,
, то
.

Рис.1.14. Эквивалентное замещение параллельно соединённых конденсаторов
Таким образом, эквивалентная емкость конденсаторов при параллельном соединении равна сумме емкостей отдельных конденсаторов
. (1.30)
При параллельном соединении одинаковых n конденсаторов ёмкостью
, эквивалентная ёмкость
= n
. (1.31)
Дата добавления: 2015-07-24; просмотров: 681;
