Рекомендації по проектуванню ферм
10.5.1Ферми відносяться до наскрізних конструкцій балочного типу. Залежно від форми обрису верхнього пояса, ферми бувають трикутні, з паралельними поясами, сегментні й лінзовидні; залежно від використовуваного матеріалу – ферми із цільної деревини (брусів і дощок), клеєної шаруватої деревини й LVL, металодерев’янні ферми; залежно від типу вузлових з'єднань – ферми на кільцевих і зубчастих шпонках, на зубчасто-шипових клейових з'єднаннях, на сталевих пластинах і нагелях, на металевих зубчастих пластинах (МЗП); у залежності від прольоту, що перекривається, – ферми малого прольоту (9-15м), ферми великого прольоту більш 24 м.
10.5.2 Крок ферм залежно від використовуваного матеріалу й перекритого прольоту може бути від 0,5 м до 6 м. Дощаті ферми з вузлами на МЗП і інших нагельних пластинах установлюються з мінімальним кроком.
Не слід проектувати вузли й стики елементів із з'єднаннями на зв'язках різної піддатливості, а також стики, у яких частина стрижнів з'єднана безпосередньо, а частина – через проміжні елементи й з'єднання.
У з'єднаннях на гладких циліндричних нагелях у вузлах і стиках елементів ферм повинні бути встановлені стяжні болти. Кількість стяжних болтів повинне становити не менш 25 % від усієї кількості нагелів. Складові елементи ферм на податливих зв'язках повинні стягуватися болтами. Діаметр стяжних болтів визначається розрахунками, але повинен бути не менш 12 мм. Шайби повинні мати розмір сторін або діаметр не менш 3,5d і товщину не менш 0,25d.
10.5.3 Стики розтягнутих нижніх поясів ферм слід виконувати в середині довжини панелі, або в середині прольоту з обов'язковою перевіркою міцності з урахуванням ослаблень, концентрації напружень і можливих ексцентриситетів.
10.5.4 Використовувані для виготовлення ферм матеріали і сполучні елементи повинні задовольняти вимоги, установлені у ДСТУ-Н Б EN 1995-1-1.
10.5.5 Осі всіх елементах повинні центруватися у вузлах ферм. У випадку позацентрового приєднання решіток у розрахунках повинен ураховуватися вузловий згинальний момент, який дорівнює добутку рівнодіючих в елементах решіток на її плече щодо осі пояса.
10.5.6 В дерев'яних несучих елементах ферм, площа поперечного перерізу нетто повинна бути не менш 5000 мм2 і не менш половини повної площі перерізу брутто при симетричному ослабленні, а також не менш 0,67 – при несиметричному ослабленні. Розрахунки елементів ферм, що мають ослаблення, повинні виконуватися відповідно до вимог ДСТУ-Н Б EN 1995-1-1.
10.5.7 В фермах з сполучними елементами у вигляді штампованих металевих листів, мінімальний напусток пластини на будь-якому дерев'яному елементі, повинен бути не менш 40 мм і не менш 1/3 висоти перерізу дерев'яного елемента, а в стиках поясів ферм – не менш 2/3 необхідної висоти перерізу елемента.
10.5.8 Усі ферми повинні мати будівельний підйом. Величина будівельного підйому повинна бути не менш 1/200 прольоту. У фермах, прольотом більш 30 м, одна з опор повинна бути шарнірно рухливою.
10.5.9 Розрахунки ферм повинні виконуватися відповідно до вимог ДСТУ-Н Б EN 1995-1-1 (5.4.1 – 5.4.3, 6.2.1 і 6.2.2).
10.5.10 Ферми повинні бути розраховані по граничних станах несучої здатності й експлуатаційної придатності, відповідно до вимог ДСТУ-Н Б EN 1995-1-1.
Додаток А
(нормативний)
ВЛАСТИВОСТІ МАТЕРІАЛІВ
Таблиця А.1 – Значення для коефіцієнта перетворення kmod
| Будівельний матеріал | Клас навантаження за тривалістю дії | Класи навантажень за тривалістю дії | ||
| Суцільна деревина, клеєна деревина, балочна клеєна деревина, фанера, ортогональна клеєна деревина, фанера-2 | постійне | 0,60 | 0,60 | 0,50 |
| тривале | 0,70 | 0,70 | 0,55 | |
| середньої тривалості | 0,80 | 0,80 | 0,65 | |
| короткочасне | 0,90 | 0,90 | 0,70 | |
| миттєве | 1,10 | 1,10 | 0,90 | |
| ДСП, цементно-стружечні плити (ЦСП), ДВП (Тип НВ.НLA2 EN 622-2:2004-07) | постійне | 0,30 | 0,20 | – |
| тривале | 0,45 | 0,30 | – | |
| середньої тривалості | 0,65 | 0,45 | – | |
| короткочасне | 0,85 | 0,60 | – | |
| миттєве | 1,10 | 0,80 | – | |
| OSB-плити (Тип OSB/2а, OSB/3 та OSB/4) | постійне | 0,40 | 0,30 | – |
| тривале | 0,50 | 0,40 | – | |
| середньої тривалості | 0,70 | 0,55 | – | |
| короткочасне | 0,90 | 0,70 | – | |
| миттєве | 1,10 | 0,90 | – | |
| ДВПа(Тип МВН.LA2 по EN 622-3:2004-07), гіпсокартонні плити (Тип GKBa, GKFa, GKBI та GKFI) | постійне | 0,20 | 0,15 | – |
| тривале | 0,40 | 0,30 | – | |
| середньої тривалості | 0,60 | 0,45 | – | |
| короткочасне | 0,80 | 0,60 | – | |
| миттєве | 1,10 | 0,80 | – |
Таблиця А.2 – Значення для коефіцієнта деформації kdef для дерев’яних будівельних матеріалів та їх з єднань при постійній та квазі-постійній тривалості дії навантаження.
| Будівельний матеріал | Експлуатаційні класи | Будівельний матеріал | Експлуатаційні класи | ||||
| Суцільна деревинаa | 0,60 | 0,80 | 2,00 | ДСП | 2,25 | 3,00 | |
| Клеєна деревина | ЦСП | ||||||
| Фанераb | ДВП (Тип НВ.НLA2 DIN EN 622-2:2004-07) | ||||||
| Балочна клеєна деревина | |||||||
| Ортогональна клеєна деревина | |||||||
| Фанера-2 | 0,80 | 1,00 | 2,50 | ДВП(Тип МВН.LA2 по DIN EN 622-3:2004-07) Гіпсокартонні плити | 3,00 | 4,00 | |
| Фанерас | |||||||
| OSB-плити | 1,50 | 2,25 | – | ||||
| aЗначення для kdef підвищується до 1,0 для суцільної деревини, яка при будівництві вбирає вологу у волокна або вже знаходиться в ній та в збудованому стані може висихати. bЗ паралельним розташуванням волокон усіх шарів шпону. сЗ поперечним розташуванням волокон у суміжних шарах шпону |
Таблиця В.3 – Рівноважна волога дерев’яних будівельних матеріалів
| Експлуатаційні класи | ||||
| Вологість деревини | 5% до 15%а | 10% до 20%b | 12% до 24% | |
| аВ більшості хвойної деревини в експлуатаційному класі 1 середня рівноважна вологість не перевищує 12% bВ більшості хвойної деревини в експлуатаційному класі 2 середня рівноважна вологість не перевищує 20% |
Додаток Б
(нормативний)
КЛАСИ МІЦНОСТІ ДЕРЕВИНИ
Таблиця Б.1 – Характеристичні значення міцності, жорсткості та щільності для хвойної деревини класів міцності від С14 до С50
| Класи міцності | С14 | С16 | С18 | С20 | С22 | С24 | С27 | С30 | С35 | С40 | С45 | С50 | |
| Значення міцності в Н/мм2 | |||||||||||||
| Згин fm,kа | |||||||||||||
| Розтяг вздовж ft,0,kа | |||||||||||||
| Розтяг поперек ft,90,k | 0,4 | ||||||||||||
| Стиск вздовж fc,0,kа | |||||||||||||
| Стиск поперек fc,90,k | 2,0 | 2,2 | 2,2 | 2,3 | 2,4 | 2,5 | 2,6 | 2,7 | 2,8 | 2,9 | 3,1 | 3,2 | |
| Зсув та кручення fv,kс | 2,0 | ||||||||||||
| Значення жорсткості в Н/мм2 | |||||||||||||
| Модуль пружності вздовж E0,meana,b поперек E90,meanb | |||||||||||||
| Модуль зсуву Gmeanb,c | |||||||||||||
| Значення щільності в кг/м3 | |||||||||||||
| Густина ρk | |||||||||||||
| Примітка. Розрахункові значення характеристичної міцності при ростязі поперек напряму волокон ft,90,k,характеристична міцність при дії зсуву та кручення відхиляються від розрахункових значень по EN 338:2003-09 але при розрахунку необхідно використовувати тільки значення представлені тут. | |||||||||||||
| аРозрахункове значення кругляка підвищується на 20% при відсутності на ньому кори та лубу без ослаблення кураєвої зони. bХарактеристичне значення модуля зсуву GR,k всіх класів міцності може прийматися 1,0 Н/мм2 при розрахунках. При напруженнях зсуву необхідно приймати значення модуля зсуву, який дорівнює GR,mean=0,10. Gmean. сДля характеристичного значення жорсткості E0,05, E90,05 та G0,05 розрахунковими значеннями є: E0,05=2/3.E0,mean, E90,05=2/3.E90,mean, G0,05=2/3. Gmean. |
Таблиця Б.2 – Характеристичні значення міцності, жорсткості та щільності для листвяної деревини класів міцності від D30 до D70
| Класи міцності | D30 | D35 | D40 | D50 | D60 | D70 | |
| Значення міцності в Н/мм2 | |||||||
| Згин fm,k | |||||||
| Розтяг вздовж ft,0,k | |||||||
| Розтяг поперек ft,90,k | 0,5 | ||||||
| Стиск вздовж fc,0,k | |||||||
| Стиск поперек fc,90,k | 8,0 | 8,4 | 8,8 | 9,7 | 10,5 | 13,5 | |
| Зсув та кручення fv,k | 3,0 | 3,4 | 3,8 | 4,6 | 5,3 | 6,0 | |
| Значення жорсткості в Н/мм2 | |||||||
| Модуль пружності вздовж E0,meana поперек E90,meana | 10 000 | 10 000 | 11 000 | 14 000 | 17 000 1 130 | 20 000 1 330 | |
| Модуль зсуву Gmeana | 1 060 | 1 250 | |||||
| Значення щільності в кг/м3 | |||||||
| Густина ρk | |||||||
| Примітка. Розрахункове значення характеристичної міцності при ростязі поперек напряму волокон ft,90,k відхиляються від розрахункових значень по EN 338:2003-09 але при розрахунку необхідно використовувати тільки значення представлені тут. | |||||||
| аДля характеристичного значення жорсткості E0,05, E90,05 та G0,05 розрахунковими значеннями є: E0,05=5/6.E0,mean, E90,05=5/6.E90,mean, G0,05=5/6. Gmean. |
Таблиця Б.3 – Характеристичні значення міцності, жорсткості та щільності для фанери класів міцності (F) та модуля пружності (Е) згину F20/10 Е40/20 та F20/15 Е30/25 по EN 636:2003-11 з характеристичним значенням щільності що найменше 350 кг/м3
| Класи | F20/10 Е40/20 | F20/15 Е30/25 | |||
| Напруження | вздовжа | поперека | вздовжа | поперека | |
| Значення міцності в Н/мм2 | |||||
| Напруження в плитах | |||||
| Згин fm,k | |||||
| Стиск fc,90,k | |||||
| Зсув fv,k | 0,90 | 0,60 | 1,0 | 0,70 | |
| Напруження зсуву | |||||
| Згин fm,k | |||||
| Розтяг ft,k | |||||
| Стиск fc,k | |||||
| Зсув fv,k | 3,5 | ||||
| Значення жорсткості в Н/мм2 | |||||
| Напруження в плитах | |||||
| Модуль пружності Emeanb | 4 000 | 2 000 | 2 500 | ||
| Модуль зсуву Gmeanb | |||||
| Напруження зсуву | |||||
| Модуль пружності Emeanb | 3 000 | 4 000 | 3 000 | ||
| Модуль зсуву Gmeanb | |||||
| Значення щільності в кг/м3 | |||||
| Густина ρk | |||||
| аВ напрямку волокон крайніх шарів шпону. bДля характеристичного значення жорсткості E0,05 та G0,05 розрахунковими значеннями є: E0,05=0,8.Emean, G0,05=0,8.Gmean. |
Таблиця Б.4 – Характеристичні значення міцності, жорсткості та щільності для фанери класів міцності (F) та модуля пружності (Е) згину F40/30 Е60/40,F50/25 Е70/25 та F60/10 Е90/10 по EN 636:2003-11 з характеристичним значенням щільності що найменше 600 кг/м3
| Класи | F40/30 Е60/40 | F50/25 Е70/25 | F60/10 Е90/10 | ||||
| Напруження | вздовжа | поперека | вздовжа | поперека | вздовжа | поперека | |
| Значення міцності в Н/мм2 | |||||||
| Напруження в плитах | |||||||
| Згин fm,k | |||||||
| Стиск fc,90,k | |||||||
| Зсув fv,k | 2,2 | 2,5 | |||||
| Напруження зсуву | |||||||
| Згин fm,k | |||||||
| Розтяг ft,k | |||||||
| Стиск fc,k | |||||||
| Зсув fv,k | 9,5 | ||||||
| Значення жорсткості в Н/мм2 | |||||||
| Напруження в плитах | |||||||
| Модуль пружності Emeanb | 6 000 | 4 000 | 7 000 | 2 500 | 9 000 | 1 000 | |
| Модуль зсуву Gmeanb | |||||||
| Напруження зсуву | |||||||
| Модуль пружності Emeanb | 4 400 | 5 500 | 3 650 | 5 500 | 3 700 | ||
| Модуль зсуву Gmeanb | |||||||
| Значення щільності в кг/м3 | |||||||
| Густина ρk | |||||||
| аВ напрямку волокон крайніх шарів шпону. bДля характеристичного значення жорсткості E0,05 та G0,05 розрахунковими значеннями є: E0,05=0,8.Emean, G0,05=0,8.Gmean. |
Таблиця Б.5 – Характеристичні значення міцності, жорсткості та щільності для OSB-плит технічних класів OSB/2 та OSB/3 по EN 13986:2005-03
| Напруження | Вздовж напрямку стружки верхнього шару | Поперек напрямку стружки верхнього шару | |||||
| Номінальна товщина плити в mm | >6 до10 | >10до18 | >18до25 | >6 до10 | >10до18 | >18до25 | |
| Значення міцності в Н/мм2 | |||||||
| Напруження в плитах | |||||||
| Згин fm,k | 16,4 | 14,8 | 9,0 | 8,2 | 7,4 | ||
| Стиск fc,90,k | |||||||
| Зсув fv,k | 1,0 | ||||||
| Напруження зсуву | |||||||
| Згин fm,k | 9,9 | 9,4 | 9,0 | 7,2 | 7,0 | 6,8 | |
| Розтяг ft,k | 9,9 | 9,4 | 9,0 | 7,2 | 7,0 | 6,8 | |
| Стиск fc,k | 15,9 | 15,4 | 14,8 | 12,9 | 12,7 | 12,4 | |
| Зсув fv,k | 6,8 | ||||||
| Значення жорсткості в Н/мм2 | |||||||
| Напруження в плитах | |||||||
| Модуль пружності Emeana | 4 930 | 1 980 | |||||
| Модуль зсуву Gmeana | |||||||
| Напруження зсуву | |||||||
| Модуль пружності Emeana | 3 800 | 3 000 | |||||
| Модуль зсуву Gmeana | 1 080 | ||||||
| Значення щільності в кг/м3 | |||||||
| Густина ρk | |||||||
| аДля характеристичного значення жорсткості E0,05 та G0,05 розрахунковими значеннями є: E0,05=0,85.Emean, G0,05=0,85. Gmean. |
Таблиця Б.6 – Характеристичні значення міцності, жорсткості та щільності для ЦСП технічних класів 1 та 2 по EN 13986:2005-03
| Номінальна товщина плити в мм | Усі товщини від 8 мм до 40 мм | |
| Значення міцності в Н/мм2 | ||
| Напруження в плитах | ||
| Згин fm,k | ||
| Стиск fc,90,k | ||
| Зсув fv,k | ||
| Напруження зсуву | ||
| Згин fm,k | ||
| Розтяг ft,k | 2,5 | |
| Стиск fc,k | 11,5 | |
| Зсув fv,k | 6,5 | |
| Значення жорсткості в Н/мм2 | ||
| Напруження в плитах | ||
| Модуль пружності Emeana | Клас 1: 4 500 Клас 2: 4 000 | |
| Напруження зсуву | ||
| Модуль пружності Emeana | 4 500 | |
| Модуль зсуву Gmeana | 1 500 | |
| Значення щільності в кг/м3 | ||
| Густина ρk | 1 000 | |
| аДля характеристичного значення жорсткості E05 та G05 розрахунковими значеннями є: E05=0,8.Emean, G05=0,8. Gmean. |
Таблиця Б.7 – Характеристичні значення міцності, жорсткості та щільності для гіпсокартонних плит по DIN 18180
| Напруження | Вздовж напрямку виготовлення | Поперек напрямку виготовлення | |||||
| Номінальна товщина плити в мм | 12,5 | 15,0 | 18,0 | 12,5 | 15,0 | 18,0 | |
| Значення міцності в Н/мм2 | |||||||
| Напруження в плитах | |||||||
| Згин fm,k | 6,5 | 5,4 | 4,2 | 2,0 | 1,8 | 1,5 | |
| Стиск fc,90,k | 3,5 (5,5)b | ||||||
| Напруження зсуву | |||||||
| Згин fm,k | 4,0 | 3,8 | 3,6 | 2,0 | 1,7 | 1,4 | |
| Розтяг ft,k | 1,7 | 1,4 | 1,1 | 0,7 | |||
| Стиск fc,k | 3,5 (5,5)b | 4,2 (4,8)b | |||||
| Зсув fv,k | 1,0 | ||||||
| Значення жорсткості в Н/мм2 | |||||||
| Напруження в плитах | |||||||
| Модуль пружності Emeana | 2 800 | 2 200 | |||||
| Напруження зсуву | |||||||
| Модуль пружності Emeana | 1 200 | 1 000 | |||||
| Модуль зсуву Gmeana | |||||||
| Значення щільності в кг/м3 | |||||||
| Густина ρk | 680 (800)b | ||||||
| аДля характеристичного значення жорсткості E05 та G05 розрахунковими значеннями є: E05=0,9.Emean, G05=0,9. Gmean. bЗначенняу дужкахвідповідає для GKF- та GKFI-плит. |
Додаток В
(нормативний)
КЛЕЄНА ДЕРЕВИНА – ВИМОГИ
В.1 Загальні пложення
Цей додаток визначає вимоги до клеєної деревини.
В.2 Вимоги по виготовленню
(1) Клеєна деревина повинна відповідати вимогам EN 386:2002-04 та додатка В.
(2) Ця деревина сортується на класи міцності згідно до EN 14080.
(3) Для виготовлення клеєної деревини припускаються наступні види хвойної деревини: ялиця (Picea Abies), ялина (Abies alba), сосна (Pinus sylvestris), модрина (Larix decidua), північна сосна (Pinus echinata, Pinus elliottii, Pinus palustris, Pinus taeda), жовтий кедр (Chamaecyparis nootkatensis).
(4) Радіус згину R ламелей для гнутих елементів в експлуатаційних класах 1 та 2 повинні складати не менше ніж 230t та в експлуатаційному класі 3 205t. Дозволяється радіус згину до 150t, якщо товщина ламелей t умові В.1 відповідає

(В.1)
R радіус згину ламелей, в мм;
t товщина ламелей, в мм.
(5) Придатність використовуваної клеєної речовини повинно бути підтверджено передбаченими вимогами.
(6) Допускається відхилення від норми відносної вологості повітря, якщо дозволяє клеєва міцність нанесеного клеєного розчину при закритому пресуванні.
В.3 Заводський контроль продукції
(1) Заводський контроль продукції проводиться в відповідно EN 386:2002-04, 7.1
(2) У кожному робочому шарі що найменше два зразки зубчастого стику випробують для визначення класу міцності по EN 386:2002-04, 7.1.2.
Характеристичне значення міцності при згині зубчастого стику повинно відповідати щонайменше значенням таблиці В.1.
Таблиця В.1 – Мінімальні значення характеристичної міцності при згині fm,k для зубчастих з єднань у Н/мм2
| Класи міцності ламелей | fm,k Н/мм2 | |
| С 16 | ||
| С 24 | ||
| С 30 | ||
| С35 | ||
| С40 |
(3) Підведення підсумків заводського контролю продукції виконується по EN 386:2002-04, 7.1.2.2 а).
В.4 Сторонній контроль
(1) Виконується щонайменше два рази на рік. Вони не повідомляються, тому що особливі умови потрібно оголосити.
(2) Для контролю береться у випадковому порядку не менше ніж 20 зразків найвищого класу міцності і випробуються по EN 386:2002-04, 7.1.2, які підготовлюються виробником.
(3) Характеристичне значення міцності при згині зубчастого стику повинно відповідати щонайменше значенням таблиці В.1.
(4) Підведення підсумків заводського контролю продукції виконується по EN 386:2002-04, 7.1.2.2 а).
Додаток Г
(інформативний)
ДАНІ ДЛЯ З’ЄДНУВАЛЬНИХ ЕЛЕМЕНТІВ ТА З’ЄДНАНЬ
Таблиця Г.1 – Характеристичні значення міцності для сталевих дюбелів
| Клас сталі по EN 10025:2005-02 | Характеристична міцність fи,k Н/мм2 | |
| S 235 (С 235) | ||
| S 275 (С 275) | ||
| S 355 (С 355) |
Примітка.В дужках наведені класи сталей за ДБН
Таблиця Г.2 – Переважні розміри для сталевих дюбелів
| ||
| Діаметр d мм | Фаска f мм | |
| 1,5 | ||
| 2,5 | ||
| 3,5 |
Таблиця Г.3 – Характеристичні значення міцності для сталевих стержнів з різьбою
| Клас міцності по EN ISO 898-1:1999-11 | Характеристична міцність fи,k Н/мм2 | Характеристична межа текучості fу,k Н/мм2 | |
| 4.8 | |||
| 5.8 | |||
| 8.8 |
Примітка. Клас міцності по EN ISO 898-1:1999-11 відповідає класу міцності для болтів за ДБН
Таблиця Г.4 – Переважні розміри шайб для болтів
| ||||
| Внутрішній діаметр d мм | Зовнішній діаметр d2 мм | Товщина шайби s мм | При використанні для болтів-шурупів | |
| М12 | ||||
| М16 | ||||
| М20 | ||||
| М22 | ||||
| М24 |
Додаток Д
(обов’язковий)
ЗВ'ЯЗКИ У ВИГЛЯДІ ЗУБЧАСТИХ шпонок
Д.1 Зубчасті шпонки по своїй формі бувають круглими, квадратними, восьмикутними і у вигляді інших форм з розмірами від 38 до 165 мм. Існує 11 типів зубчастих шпонок. У EN 912 кожен тип має своє маркування від C1 до C11. Кожен тип зубчастої шпонки класифікується за формою і використовуваним матеріалом. По розташуванню зубів шпонки бувають однобічні або двосторонні.
Залежно від типа зв'язку, зубчаста шпонка може бути виготовлена з холоднокатаної непокритої низьковуглецевої сталі, м'якій сталі з цинкуванням по методу гарячого занурення або ковкого чавуну. Приклад зубчастих зв'язків у вигляді сталевих шпонок із зубами, наведено на ріс. Д.1.
а)
| б)
|
а) – загальний вигляд однобічної зубчастої шпонки; б) – загальний вигляд двобічної зубчастої шпонки; в) – загальний вигляд з'єднання з використанням зубчастих шпонок
Рисунок Д.1 – Загальний вигляд зубчастих шпонок
Однобічні зубчасті шпонки використовуються для з'єднання елементів з деревини. Якщо з'єднання має бути роз'ємним, то в з'єднанні «деревина - деревина» використовуються однобічні зубчасті шпонки. Двобічні зубчасті шпонки використовуються в нероз'ємних з'єднаннях «деревина - деревина».
Зубчасті пластини типів C2, C4, C7, C9 і C11 є однобічними, а пластини типів C1, C3, C5, C6, C8 і C10 – двосторонніми. Для кожного типа шпонок характерні різні значення несучої здатності при їх використанні в з'єднанні.
Д.2 При збірці з'єднання з використанням зубчастих шпонок, в елементах просвердлюються отвори під болти. Зв'язок розташовується в необхідному положенні, а потім з'єднання піддається механічному стискуванню. При використанні деревини з відносно невеликою густиною, стискування здійснюється шляхом натягнення високоміцних болтів з великими шайбами. Після стискування шпонок до необхідного положення стяжний болт і його шайби фіксуються. Зуби шпонки мають бути втиснуті в деревину повністю. Оскільки опір деревини проникненню зубів шпонки зростатиме із збільшенням густини деревини, їх слід застосовувати для з'єднань елементів, характеристична густина яких не перевищує 500 кг/м3.
Д.3При розрахунках з'єднань виконаних з використанням зв'язків у вигляді зубчастих металевих шпонок слід керуватися вимогами, приведеними в розділі 8.10 ДСТУ-Н Б EN 1995-1-1.
Несуча здатність з'єднання, визначається комбінацією зусиль, що сприймаються зубчастою шпонкою і болтом. Через те, що міцність болта на зріз значно перевищує міцність анкерування шпонки в деревині, в ДСТУ-Н Б EN 1995-1-1, при визначенні здатності з'єднання, міцність болта на зріз не враховується.
Д.4Щоб уникнути крихкого руйнування з'єднання, виконаного з використанням зв'язків у вигляді зубчастих металевих шпонок, як і в разі металевих кріпильних елементів нагельного типа, мають бути дотримані вказівки по їх розставлянню. Мінімальні відстані від торця і кромки елементів, що сполучаються, для зубчастих шпонок, приведені в табл. Д.1, а крок стяжних болтів повинен прийматися з табл. М.1. Що стосується товщини елементів (рис. Д.3), що сполучаються, то вона має бути
, (Д.1)
, (Д.2)
де:
t1 – товщина зовнішнього дерев'яного елементу з'єднання;
t2 – товщина внутрішнього дерев'яного елементу з'єднання;
he – глибина втискування зубів шпонки в даний елемент з'єднання, мм. Для двосторонніх зв'язків he =(hc-t)/2 і для однобічних зв'язків he =(hc-t). Тут hc – довжина зубів шпонки, а t – товщина листа шпонки.

Рисунок Д.2 – Загальний вигляд з'єднань із зубчастими шпонками
Д.5 Характеристична міцність з'єднання з використанням зубчастої шпонки визначається з виразу
, (Д.3)
де:
Fv,Rk,connect – характеристична міцність зубчастого з'єднання, Н;
Fv,Rk – характеристична міцність зубчастої пластини, Н;
Fv,Rk,bolt – характеристична міцність стяжного болта, Н.
Несуча здатність, поперечно навантажених зубчастих шпонок не залежить від напряму зусилля, що прикладається, по відношенню до волокон. Враховуючи, що міцність на згин стяжного болта залежить від кута зусилля, що прикладається, по відношенню до волокон, ця обставина має враховуватися в розрахунках таких з'єднань.
Таблиця Д.1 – Мінімальні розміри і відстані від торця елементу до центру отвору для зубчастих шпонок типів С1-С11, розрізних кільцевих шпонок і кільцевих шпонок з фланцем, вказані в EN 912*
| Крок, відстані і кут a** | Мінімальні розміри кроку і відстаней | ||
| Зубчасті зв'язки у вигляді шпонок | Розрізні кільцеві шпонки і кільцеві шпонки з фланцем | ||
| Типи від С1 до С9 | Типи від С10 до С12 | ||
| Крок уздовж волокон – a1 00 £ a £ 3600 | (1,2+0,3|cosa|)dс | (1,2+0,8|cosa|)dс | (1,2+0,8|cosa|)dс |
| Крок впоперек волокон – a2 00 £ a £ 3600 | 1,2 dс | 1,2 dс | 1,2 dс |
| Відстань до навантаженого торця– a3,t -900 £ a £ 900 | 2,0 dс | 2,0 dс | 1,5 dс |
| Відстань до ненавантаженого торця a3,с 900 £ a < 1500 1500 £ a < 2100 2100 £ a £ 2700 | (0,9+0,6|sina|)dс 1,2 dс (0,9+0,6|sina|)dс | (0,4+1,6|sina|)dс 1,2 dс (0,4+1,6|sina|)dс | (0,4+1,6|sina|)dс 1,2 dс (0,4+1,6|sina|)dс |
| Відстань до навантаженої кромки a4,t 00 £ a £ 1800 | (0,6+0,2|sina|)dс | (0,6+0,2|sina|)dс | (0,6+0,2|sina|)dс |
| Відстань до ненавантаженої кромки a4,с 1800 £ a £ 3800 | 0,6 dс | 0,6 dс | 0,6 dс |
| *На підставі таблиці. 8.7, 8.8 і 8.9 в ДСТУ-Н Б EN 1995-1-1. ** Кут між напрямом реакції зв'язку і волокнами |
Характеристичне значення несучої здатності Fv,rk зубчастої шпонки, визначається з виразу
| для однобічних типів | (Д.4) |
| для двобічних типів |
де:
Fv,rk – характеристичне значення несучої здатності зубчастого зв'язку, Н;
dc – діаметр зубчастої шпонки для типів C1, C2, C6, C7, C10 і C11, мм. Для зубчастої шпонки типів C5, C8 і C9 – це довжина сторони, мм і для зубчастої шпонки типів C3 і C4 – це квадратний корінь з твору довжин обох сторін, мм;
k1 – поправочний коефіцієнт, залежний від товщини елементу з'єднання і визначуваний з виразу
, (Д.5)
тут t1 і t2 визначаються відповідно до рис. Д.2;
he – глибина проникнення зубів, мм. Несуча здатність з'єднання, досягає 75% від її максимального значення при використанні мінімально допустимих значень t1 і t2. Крім того, якщо t1 і t2 перевищують 3he і 5he, відповідно, то несуча здатність з'єднання, не зростатиме при зміні t1 і t2;
k2 – поправочний коефіцієнт, залежний від відстані до навантаженого торця а3,t, а для елементів із скошеним торцем, відстань може бути прийнята відповідно до рис. Д.2. Даний коефіцієнт застосовується лише для елементів з навантаженим торцем і залежить від типа зубчастої шпонки. Для типів С1-С9 мінімальна величина відстані до навантаженого торця складає 2dc по табл. Д.1. Допустимо і менша відстань, але не менше 1,1dc і не менш мінімальної величини відстані до навантаженого торця для болтів. Якщо відстань до навантаженого торця менше 2dc, значення k2 має визначатися з виразу
, (Д.6)
(Д.7)
тут d – діаметр болта, мм; dc - визначено вище, мм.
Якщо мінімальна величина відстані до навантаженого торця, необхідна для стяжного болта, більше мінімальної величини до навантаженого торця, необхідної для зубчастої пластини, то k2 приймається рівним 1 при відстані до навантаженого торця більшому 1,5dc. Даний коефіцієнт буде менше 1 лише у тому випадку, коли відстань менше 1,5dc і зменшується до 0,73 при допустимій відстані до навантаженого торця 1,1dc.
а) – круглий зв'язок; б) – прямокутний зв'язок
Рисунок Д.3 – Відстані від кромки і торця елементу до центру отвору для зв'язків
Для типів зубчастих шпонок С10 і С11 відстань до навантаженого торця а3,t може бути зменшена лише до 1,5dc, тобто:
, (Д.8)
i
, (Д.9)
тут dc і d – були визначені вище
Для цих зв'язків, якщо мінімальна величина відстані від стяжного болта до навантаженого торця менше відповідної величини для зубчастої шпонки, то k2 дорівнюватиме 1 при відстані до навантаженого торця 2dc (або більше). Дана величина може зменшуватися до 0,75 при мінімально допустимій відстані до навантаженого торця 1,5dc;
k3 – коефіцієнт, залежний від щільності деревини і визначається за виразом
, (Д.10)
де:
рk – характеристичне значення густини деревини в з'єднанні, кг/м3.
Вираз для несучої здатності (Д.4), наведено для з'єднання, в якому характеристична густина деревини складає 350 кг/м3, тобто клас міцності – C14 по EN 338. Коефіцієнт k3 підвищує міцність зв'язку при використанні деревини вищого класу міцності, досягаючи максимального збільшення на 50% при характеристичній густині 525 кг/м3. Це відноситься до всіх класів міцності хвойних порід по EN 338, а також до класу міцності D30 для листяних порід. Такі зв'язки допускається застосовувати при класах міцності деревини D35 і D40.
Для зубчастих шпонок типів C1, C2, C6 і C7, коли вони розташовані в шаховому порядку (рис. Д.4), мінімальний крок a1 і a2 по табл. Д.1 може бути зменшений шляхом використання коефіцієнтів ka1 і ka2, відповідно:
– мінімальна відстань уздовж волокон приймається, як ka1 a1;
– мінімальна відстань впоперек волокон приймається, як ka2 a2; за умови, що
. (Д.11)

Рисунок Д.4 – Шахове розташування зв'язків
Д.5 Якщо з'єднання містить ряд зв'язків, розташованих уподовж волокон, то згідно ДСТУ-Н Б EN 1995-1-1 несуча здатність такого з'єднання дорівнює сумі несучої здатності кожній із зубчастих шпонок в ряду, які навантажені в даному напрямі.
Для з'єднань з однією або декількома плоскостями зсуву, незалежно від типа використаного зв'язку, при визначенні несучої здатності з'єднання число зв'язків на одну плоскість зсуву приймається рівним числу стяжних болтів. Це застосовується у випадках, коли зв'язки навантажені вздовж або впоперек волокон.
Використані в з'єднаннях стяжні болти і шайби мають задовольняти вимогам, викладеним в розділі 10.4.3 в ДСТУ-Н Б EN 1995-1-1.
Додаток Е
(довідковий)
РЕКОМЕНДОВАНИЙ СОРТАМЕНТ ПИЛОМАТЕРІАЛІВ
Таблиця Е.1
| Товщина, мм | Ширина, мм | ||||||||
| – | – | – | – | – | |||||
| + | + | + | + | – | – | – | – | ||
| + | + | + | + | + | – | – | |||
| + | + | + | + | + | + | + | – | ||
| + | + | + | + | + | + | + | + | ||
| + | + | + | + | + | + | + | + | + | |
| + | + | + | + | + | + | + | + | + | |
| + | + | + | + | + | + | + | + | + | |
| + | + | + | + | + | + | + | + | + | |
| + | + | + | + | + | + | + | + | ||
| – | + | + | + | + | + | + | + | ||
| – | – | + | + | + | + | + | + | ||
| – | – | – | + | + | + | + | + | ||
| – | – | – | – | + | + | + | + | ||
| – | – | – | – | – | + | + | + | ||
| – | – | – | – | – | – | + | + |
Додаток Ж
(довідковий)
РЕКОМЕНДОВАНІ ЗАЛЕЖНОСТІ МІЖ КЛАСАМИ МІЦНОСТІ ТА СОРТАМИ ДЕРЕВИНИ ЯКІ ВИКОРИСТОВУВАЛИСЬ У ВІТЧИЗНЯНІЙ НОРМАТИВНІЙ ЛІТЕРАТУРІ
Таблиця Ж.1
| №п/п | Найменування елементу | Сорта деревини | ||
| Елементи пиломатеріалів | С30 | С20, С24, С27 | С14, С16, С18 | |
| Елементи з круглого лісу та бруса шириною перерізу більше 120 см | С27 | С20 | - | |
| Клеєні багатошарові елементи | С27, С30, С35 | С24 | - |
Примітка. Використовуються при неможливості експериментального визначення класу міцності деревини.
Додаток К
(альтернативні)
КОНТАКТНІ З’ЄДНАННЯ
(Наведена методика розрахунку контактних з’єднань при традиційних для вітчизняної практики кутах нахилу покрівель від 25° до 35°)
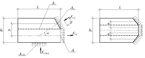
К.1 В контактних з’єднаннях елементів з цільної і клеєної деревини відбувається зминання і сколювання деревини (рис. К.1).
К.2 Розрахункова несуча здатність з’єднання повинна прийматись як мінімальне значення з наступних умов:
|
| – за умови зминання деревини в торці упора під кутом α до волокон; | (К.1) |
| – за умови сколювання деревини по довжині упора; | (К.2) |
де: Acl, Av – розрахункові площі відповідно зминанню і сколюванню в цільній чи клеєній деревині;
fc,α,d – розрахункове значення міцності деревини при зминанні під кутом до волокон;
fv,mod,d – розрахункове значення міцності середнє по площі сколювання, що визначається за формулою
,
| (К.3) |
де: fv,0,d – розрахунковий опір деревини сколюванню вздовж волокон;
kv – коефіцієнт, який дорівнює 0,25 при β ≥ 90°, і Vv = 0,125 при β < 90°, коли відсутнє обтискання по площині сколювання;
ev – плече сколювання, яке приймається рівним 0,5hw і 0,25 hw при розрахунку елементів відповідно з несиметрично і симетрично розташованими площами сколювання.
а) б)

а – несиметричне; б– симетричне; lv – площадка сколювання цільної чи клеєної деревини
Рисунок К.1 - Контактні з’єднання
К.3 Слід виконати перевірку міцності опорної площадки Ac,90 за формулою
,
| (К.4) |
де: Fc,90,d – вертикальна сила у вузлі (рис. Ж.1);
fcl,90,d– розрахункове значення міцності деревини при місцевому зминанню поперек волокон в опорних частинах.
К.4В контактних з’єднаннях з проміжними дерев’яними деталями їхні розміри визначаються за формулами:
а) за умови зминання деревини деталі в торцях за формулою (К.1) з використанням розрахункового значення міцності fc,0,d;
б) за умови сколювання деталі по довжині за формулою (К.2) з використанням розрахункового значення міцності fv,0,d.
а) б)

а – лобова врубка з одним зубом; б – примикання розкосу
Рисунок К.2 – З’єднання на врубках
К.6 З’єднання на лобових врубках
1) Врубки застосовуються у вузлах стержньових конструкцій з брусів (колод) і товстих дошок (завтовшки більше 60 мм).
2) Рекомендований кут нахилу нормалі лобової врубки має знаходитись в межах 20º - 30º.
3) Робоча площина зминання повинна розташуватися перпендикулярно осі елемента, що примикає, і симетрично відносно його осі.
4) Елементи у вузлі повинні бути стягнуті болтами чи з’єднані скобами.
5) Довжину площини сколювання слід приймати не менше ніж 1,5h. Глибину врубки hfr слід приймати не більше ¼h в проміжних вузлах наскрізних конструкцій і не більше 1/3h в опорних вузлах. При цьому hfr в брусах повинна бути не менше ніж 2 см, в колодах – 3 см.
Додаток М
(альтернативні)
З’ЄДНАННЯ НА МЕТАЛЕВИХ ЗУБЧАСТИХ ПЛАСТИНАХ
М.1 З’єднання на МЗП слід застосовувати:
1) в складених балках для споювання брусів чи колод, в тому числі з природним збігом дерева;
2) у вузлах ферм з дошок і для зрощування поясів по довжині;
3) при відсутності динамічних навантажень.
М.2 На обох боках вузлового з’єднання слід застосовувати МЗП одного типорозміру.
М.3 МЗП слід виготовляти з листової вуглеводистої сталі марок 08 кп чи 10 кп завтовшки 1–2 мм.
М.4 Антикорозійний захист МЗП виконувати оцинкуванням.
М.5 Основні геометричні параметри МЗП (рис. М.1):
tp – товщина пластини і відповідно зубів, см;
bc – ширина зубів 2,5–3 мм;
lp – довжина пластини 160–340 мм;
bp – ширина пластини 120–180 мм;
lc – робоча довжина зубів 10–16 мм;
S1 = 17tp; S2 = 5tp; S3 = 2,5tp.

1 – границі робочих зон ділянок пластини; 2– лінія контакту
Рисунок М.1 - З’єднання на металевих зубчастих пластинах:
М.6 Розрахункова площа поверхні МЗП Aef в межах кожного з’єднувального елемента, яка визначається відніманням ділянок пластини у вигляді смуг завширшки 5 мм від граней елементів і ділянок у вигляді смуг завширшки 5tp від торців елементів у напрямку вздовж волокон деревини.
Розрахункова площа поверхні пластин на кожному з’єднувальному елементі повинна бути для ферм прольотом до 12 м не менше 50 см2, а ферм прольотом до 18 м на менше 75 см2.
М.7 Несуча здатність з’єднань на МЗП знаходиться з таких умов:
М.7.1 зминання деревини в гніздах на широких і вузьких гранях зубів (див. схему б на рис. М.1);
М.7.2 згину зубів;
М.7.3 міцності деревини в зоні з’єднань при сумісній дії осьового напруження в елементах і напружень в гніздах зубів під кутом до волокон;
М.7.4 міцності пластин при роботі на розтяг, стиск і зріз;
М.7.5 міцності пластин на сумісну дію зусиль зрізу і розтягу.
М.8 Розрахунок з’єднання.
М.9 Призначаються геометричні параметри МЗП.
| Для ферм прольотом до 12 м: | tp =tcg=1 мм, | bcg =2 мм, | lcg =8...10 мм; |
| Для ферм прольотом до 15 м: | tp =tcg=1,4 мм, | bcg =2,4 мм, | lcg =12 мм; |
| Для ферм прольотом до 18 м: | tp =tcg=2 мм, | bcg =3 мм, | lcg =14...16 мм. |
М.8.2 Необхідна площа робочої ділянки пластини з одного боку кожного елемента з умов несучої здатності за М.7.1 та М.7.2 знаходиться за формулою
| (М.1) |
де: i – означає індекс елемента у з’єднанні: t – розтягнутий розкіс; с – стиснутий розкіс; f – пояс;
Fi,d – розрахункові зусилля в розкосах: в розтягнутому Ft,d; в стиснутому Fc,d; в поясі
Ff,d (враховується тільки при проектуванні оп
Дата добавления: 2015-07-22; просмотров: 1349;

,
,