Определение ветровой нагрузки
Нормативное значение ветровой нагрузки w следует определять как сумму средней wm и пульсационной wp составляющих
w = wm + wp. (3.1)
Нормативное значение средней составляющей ветровой нагрузки wm в зависимости от эквивалентнойвысоты zе над поверхностью земли следует определять по формуле
wm = w0∙ k(Ze)∙ c, (3.2)
где w0 – нормативное значение ветрового давления;
k(Ze) – коэффициент, учитывающий изменение ветрового давления для высоты ze;
с – аэродинамический коэффициент.
Нормативное значение ветрового давления w0 принимается в зависимости от ветрового района, определяемого по карте 3 и по таблице 11.1 [1].
Коэффициент k(Ze) определяется по таблице 11.2 [1] или по формуле
k(Ze) = k10(ze/10)2α. (3.3)
Значения параметров k10 и α для различных типов местностей приведены в таблице 11.3 [1].
Значения аэродинамических коэффициентов с принимаются по Приложению Д.1 [1].
Нормативное значение пульсационной составляющей ветровой нагрузки wp на эквивалентной высоте ze следует определять для сооружений (и их конструктивных элементов), у которых первая частота собственных колебаний f1,Гц, больше предельного значения собственной частоты f1, - по формуле
wp = wm∙ ζ(Ze)∙ ν, (3.4)
где wm – определяется по формуле (3.2);
ζ(Ze) – коэффициент пульсации давления ветра, принимаемый по таблице 11.4 [1] или по формуле (3.5) для эквивалентной высоты ze.
ζ(Ze) = ζ10(ze/10)-α. (3.5)
Эквивалентная высота ze для зданий определяется следующим образом:
а) при h ≤ d → ze = h;
б) при h ≤ 2d: для z ≥ h – d → ze = h;
для 0 < z < h - d → ze = d;
в) при h > 2d: для z ≥ h – d → ze = h;
для d < z < h - d → ze = z;
для 0 < z ≤ d → ze = d.
Здесь для z – высота от поверхности земли;
d – размер здания (без учета его стилобатной части) в направлении, перпендикулярном расчетному направлению ветра (поперечный размер);
h – высота здания.
Исходные данные: Место строительства - г. Якутска; тип местности – В; общая высота основного здания h = 13,1 м; длина здания – 60 м; пролет основного здания – 24 м; высоты фермы – 2,9 м.
Отношение длины основного здания к его ширине – 60 / 24 = 2,5 > 2,0;
отношение высоты основного здания к пролету – h/d = 13,1 / 24 = 0,55.
Определение нагрузки на стену с наветренной стороны.
Ветровой район г. Якутска по карте 3 [1] – I-й и по таблице 11.1 – w0 = 23 кПа. Так как h < d, то ze = h = 13,1 м.
Аэродинамический коэффициент се принимаем по таблице Д.2 [1], а именно: се = + 0,8 (активное давление).
Значения k по таблице 11.2: k5 = 0,5; k10 = 0,65; k20 = 0,85; по интерполяции получим k13,1 = 0,712. Так как hk = 10,2 м ≈ 10 м, примем k10,2 = 0,65.
Найдем нормативные значения средней составляющей ветровой нагрузки на характерных отметках по высоте:
wm5 = w0∙ k5∙ c = 0,23∙ 0,5∙ 0,8 = 0,092 кН/м2;
wm10,2 = w0∙ k10,2∙ c = 0,23∙ 0,65∙ 0,8 = 0,12 кН/м2;
wm13,1 = w0∙ k13,1∙ c = 0,23∙ 0,712∙ 0,8 = 0,13 кН/м2.
Определим нормативные значения пульсационной составляющей ветровой нагрузки на тех же отметках:
wp5 = wm5∙ ζ5∙ ν = 0,092∙ 1,22∙ 0,67 = 0,075 кН/м2;
wp10,2 = wm10,2∙ ζ10∙ ν = 0,12∙ 1,06∙ 0,67 = 0,085 кН/м2;
wp13,1 = wm13,1∙ ζ13,1∙ ν = 0,13∙ 1,02∙ 0,67 = 0,089 кН/м2.
Здесь ζ13,1 = 1,02 принято по таблице 11.4 [1] путем интерполяции между значениями ζ10 = 1,06 и ζ20 = 0,92. коэффициент ν принят по таблице 11.6 в зависимости от параметров ρ = b = 60 м; χ = h = 13,1 м, а именно ν = 0,67.
Нормативные значения ветровой нагрузки на характерных отметках по высоте:
w5 = wm5 + wp5 = 0,092 + 0,075 = 0,167 кН/м2;
w10,2 = wm10,2 + wp10,2 = 0,12 + 0,085 = 0,205 кН/м2;
w13,1 = wm13,1 + wp13,1 = 0,13 + 0,089 = 0,219 кН/м2;
Расчетная ветровая погонная нагрузка на наветренной стороне основного здания:
qv5 = w5∙ γf∙∙ B = 0,167∙ 1,4∙ 6 = 1,4 кН/м;
qv10,2 = w10,2∙ γf∙∙ B = 0,205∙ 1,4∙ 6 = 1,72 кН/м;
qv13,1 = w13,1∙ γf∙∙ B = 0,219∙ 1,4∙ 6 = 1,84 кН/м,
где γf = 1,4 - коэффициент надежности по нагрузке; принимаем по п.11.1.12 [1]; B – шаг рам.
В практических расчетах часто сквозной ригель заменяют сплошным эквивалентной жесткости (именно так в нашем случае принято в РГР № 1). В этом случае ветровая нагрузка, действующая на участке от низа ригеля до наиболее высокой части здания, заменяется сосредоточенной силой, приложенной на уровне низа ригеля рамы. Величина этой силы от активного давления (наветренная сторона) определяется так:
W = (qv,10.2 + qv,13.1)∙ hf / 2 = (1,72 + 1,84)∙ 2,9 / 2 = 5,16 кН.
Также в практических расчетах ломаный характер распределения ветровой нагрузки по высоте заменяют эквивалентной равномерно распределенной нагрузкой qэ. Интенсивность эквивалентной нагрузки можно найти из условия равенства изгибающих моментов в основании защемленной условной стойки от фактической эпюры ветрового давления и от равномерно распределенной нагрузки (эквивалентной).
M = M1 + M2 = qv,5∙ hk 2 / 2 + 1/2(qv,10.2 – qv,5)∙ (hk – 5)∙ [2/3∙ (hk – 5) + 5] =
= 1,4∙ 10,22 / 2 + 1/2∙ (1,72 – 1,4)∙ (10,2 – 5)∙ [2/3∙ (10,2 – 5) + 5] = 79,87 кН∙м.
M = qэ∙ hk2 / 2; qэ = 2М / h2 = 2∙ 59,15 / 10,22 = 1,54 кН/м.
Рис. 3.1. Погонная расчетная ветровая нагрузка
Определение нагрузки на стены с подветренной стороны.
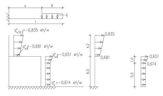
На подветренной стороне здания имеются две стены: основного здания высотой h3 = 7,1 м и пристройки – H2 = 6 м.
В соответствии с п.Д.1.2 по таблице Д.2 [1] аэродинамический коэффициент на подветренных стенах се = -0,5. Определим коэффициент k6 на отметке 6 м, интерполируя между k5 и k10: k6 = 0,53.
Найдем нормативные значения средней составляющей ветровой нагрузки на характерных отметках по высоте на подветренной стороне:
wm5* = w0∙ k5∙ c = 0,23∙ 0,5∙ (- 0,5) = - 0,0575 кН/м2;
wm6* = w0∙ k6∙ c = 0,23∙ 0,53∙ (- 0,5) = - 0,061 кН/м2;
wm10,2* = w0∙ k10,2∙ c = 0,23∙ 0,65∙ (- 0,5) = - 0,0748 кН/м2;
wm13,1* = w0∙ k13,1∙ c = 0,23∙ 0,712∙ (- 0,5) = - 0,082 кН/м2.
То же самое – пульсационной составляющей:
wp5* = wm5*∙ ζ5∙ ν = - 0,0575∙ 1,22∙ 0,67 = - 0,047 кН/м2;
wp6* = wm6*∙ ζ5∙ ν = - 0,061∙ 1,188∙ 0,67 = - 0,049 кН/м2;
wp10,2* = wm10,2*∙ ζ10∙ ν = - 0,0748∙ 1,06∙ 0,67 = - 0,053 кН/м2;
wp13,1* = wm13,1*∙ ζ13,1∙ ν = - 0,082∙ 1,02∙ 0,67 = - 0,056 кН/м2.
Нормативные значения ветровой нагрузки на характерных отметках по высоте на подветренной стороне:
w5* = wm5* + wp5* = - 0,0575 - 0,047 = - 0,1045 кН/м2;
w6* = wm6* + wp6* = - 0,061 - 0,049 = - 0,11 кН/м2;
w10,2* = wm10,2* + wp10,2* = - 0,0748 - 0,053 = - 0,128 кН/м2;
w13,1* = wm13,1* + wp13,1* = - 0,082 - 0,056 = - 0,138 кН/м2;
Расчетная ветровая погонная нагрузка на подветренной стороне здания:
qv5* = w5*∙ γf∙∙ B = (- 0,1045)∙ 1,4∙ 6 = - 0,88 кН/м;
qv6* = w6*∙ γf∙∙ B = (- 0,11)∙ 1,4∙ 6 = - 0,92 кН/м;
qv10,2 *= w10,2*∙ γf∙∙ B = (- 0,128)∙ 1,4∙ 6 = - 1,08 кН/м;
qv13,1* = w13,1*∙ γf∙∙ B = ( - 0,138)∙ 1,4∙ 6 = - 1,16 кН/м,
Величина сосредоточенной силы от отсоса (подветренная сторона) определяется так:
W* = (qv,10.2* + qv,13.1*)∙ hf / 2 = (- 1,08 - 1,16)∙ 2,9 / 2 = - 3,25 кН.
Расчетная ветровая нагрузка на стене пристройки:
qv5*= w0∙ k5∙ cе∙ γf∙∙ B = 0,3∙ 0,5∙(- 4875)∙ 1,4∙ 6 = - 0,614 кН/м;
qv6*= w0∙ k6∙ cе∙ γf∙∙ B = 0,3∙ 0,53∙ (- 0,4875)∙ 1,4∙ 6 = - 0,651 кН/м.
Аналогично указанному выше подходу, найдем эквивалентные равномерно распределенные нагрузки на подветренной стороне:
- для стены основного здания (знак “ – “ опускаем):
Mosn = qv6*∙ (hk – hps)∙ [hps + (hk – hps)/ 2] + 1/ 2∙ (qv10,2* - qv6*)∙ (hk – hps)∙
∙ [hps + 2/ 3(hk – hps)] =
= 0,92∙ (10,2 – 6)∙ [6 + (10,2 – 6)/ 2] + 1/ 2∙ (1,08 – 0,92)∙
∙ (10,2 – 6)∙ [6 + 2/ 3∙ (10,2 – 6)] = 34,26 кН∙ м;
qэ* = Mosn / {(hk – hps)∙ [hps + (hk - hps)/ 2]} =
∙∙∙ = 34,26 / {(10,2 – 6)∙ [6 + (10,2 – 6)/ 2]} = 1,0 кН/м;
- для cтены пристройки:
Mps = qv5*∙ hps2/ 2 + 1/ 2∙ (qv6* - qv5*)∙ (hps – 5)∙ [2/ 3∙ (hps – 5) + 5] =
= 0,88∙ 62/ 2 + 1/ 2∙ (0,92 – 0,88)∙ (6 – 5)∙[2/ 3∙ (6 – 5) + 5] = 15,95 кН∙ м;
qэ**= (2Mps) / hps2 = 2∙ 15,95/ 62 = 0,87 кН/м.
Ветровую нагрузку на покрытие в данной РГР допускается не учитывать.

Рис. 3.2. Определение эквивалентной погонной ветровой нагрузки
При нахождении района строительства в горной или малоизученной местности по карте 3 [1], нормативное значение ветрового давления w0 принимается по Приложению 2 настоящего методического указания [3] или по карте районирования Приложению 3 методического указания [3]. Данные приложения разработаны по результатам статистической обработки скорости ветра сотрудниками кафедры СКиП для территории Якутии.
Дата добавления: 2015-07-18; просмотров: 9545;
