Построение расчетной схемы рамы
Переход к расчетной схеме осуществляют путем замены реальных конструкций стержнями, применительно к которым разработан аппарат строительной механики, позволяющий определить усилия в элементах от внешних сил (нагрузок). На расчетную схему наносят геометрические оси конструкций, проходящие через центры тяжести поперечных сечений. Не надо забывать, что на расчетной схеме указываются места приложения и характер действия нагрузок, а также тип сопряжения элементов рамы друг с другом и с фундаментами.
Ферму при малоуклонном верхнем поясе заменяют эквивалентным по жесткости прямолинейным стержнем. Если опорный раскос фермы восходящий, то стержень располагают по оси нижнего пояса, при нисходящем раскосе – по оси верхнего.
Оси стержней, заменяющих колонны, проходят через центры тяжести поперечных сечений последних. Так как размеры сечений вначале неизвестны, во внимание принимают размеры по горизонтали (высоты сечений), принятые при компоновке конструктивной схемы рамы.
Так, колонны переменного ступенчатого сечения заменяют ломаными стержнями с расстояниями между осями верхних и нижних участков
,
где hn – высота сечения нижнего (подкранового) участка колонны;
hv – то же, верхнего участка.
Сопряжения ригелей с колоннами и колонн с фундаментами принимают либо шарнирными, либо жесткими в зависимости от конструктивного решения. В однопролетных производственных зданиях с кранами большой грузоподъемности для обеспечения необходимой поперечной жесткости каркаса оба сопряжения принимают жесткими.
Для расчета поперечных рам производственных зданий, которые, как правило, статически неопределимы, необходимо в качестве исходных данных иметь жесткостные параметры по всем элементам расчетной схемы – EJ и EA. Как отмечалось, размеры сечений пока неизвестны, поэтому EJ и EA следует назначать либо по проектам-аналогам, либо с использованием приближенных формул.
При расчете рамы сквозной ригель, как отмечалось выше, заменяют эквивалентным по жесткости сплошностенчатым, изгибную жесткость которого при неизвестной площади сечения поясов фермы можно определить по приближенной формуле
= E∙ Mmax∙ hr / (2Ry)∙ 1,15μ,
где Mmax – максимальный изгибающий момент в середине пролета ригеля как в простой балке от расчетной нагрузки (от собственного веса конструкций покрытия и снега); hr – высота фермы в середине пролета; 1,15 - коэффициент, учитывающий отношение усредненной площади сечения поясов к площади нижнего пояса; μ – коэффициент, учитывающий наклон верхнего пояса и деформативность решетки фермы, принимаемый при уклоне верхнего пояса i = 1/8…1/10 μ = 0,7; при i = 1:15 μ = 0,8; при i = 0 μ = 0,9; Ry – расчетное сопротивление стали фермы (по табл. 50*, [1]).
Осевую жесткость ригеля можно определить по формуле
EAr ≈ 4EJr / hr2.
При расчете рам с колоннами ступенчато-переменного сечения изгибную и осевую жесткости подкрановой части колонны можно приближенно определить по формулам
EJ1 = E(R2 + 2Dmax)∙ hn2 / (k2∙ Ry);
EA1 = 4 EJ1 / hn2.
где R2 – опорная реакция ригеля от расчетной нагрузки (постоянной и снеговой); Dmax – расчетное давление на колонну от двух сближенных кранов; hn – высота сечения нижнего участка колонны; k2 – коэффициент, зависящий от шага колонн и их высоты - k2 = 3,2…3,8 при шаге рам 12 м; k2 = 2,5…3,0 при шаге рам 6 м (меньшие значения следует принимать при кранах с малой грузоподъемностью и при большой высоте колонн).
По этим же формулам можно определять жесткости колонн постоянного сечения, принимая k2 = 2,2…2,5.
Жесткости верхних (надкрановых) частей ступенчатых колонн можно определить по формуле
EJ2 = EJ1 / k1∙(hv / hn)2,
где hv – ширина сечения верхнего участка колонны; k1 – коэффициент, учитывающий фактическое неравенство площадей и радиусов инерции поперечных сечений верхней и нижней частей колонны. При шарнирном сопряжении ригелей с колоннами k1 = 1,8…2,0; при жестком - k1 = 1,2…1,8 (меньшие значения принимаются для кранов небольшой грузоподъемности).
Жесткости условных горизонтальных стержней, объединяющих верхние и нижние участки колонн, задают на два-три порядка больше жесткостей нижних участков колонн.
В зданиях с мостовыми кранами, опираемыми на подкрановые стойки, жесткостные характеристики можно назначить, исходя из определенной при компоновке рамы высоты сечения стойки, ориентируясь на прокатные профили. Пользуясь сортаментом, выбирают по определенной высоте сечения стойки профиль и устанавливают таким образом площадь и момент инерции сечения.
Перед вводом информации о рассчитываемой системе, в память компьютера для проведения в последующем статического расчета составляется дополнительная формализация расчетной схемы в соответствии с требованиями инструкции к конкретным программным комплексам. При формализации расчетная схема представляется определенной совокупностью узлов и стержней (участков между двумя соседними узлами), которые фиксируются на расчетной схеме числовой нумерацией. Вся другая информация о системе (тип жесткостей, координаты узлов, типы и места приложения нагрузок и др.) вводятся в память компьютера в привязке к принятой нумерации узлов и стержней.

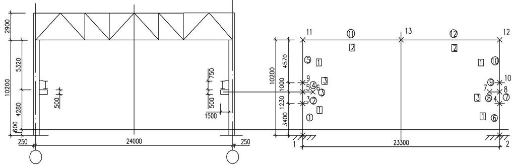
Рис. 1.4. Конструктивная и расчетные схемы к примеру 1.

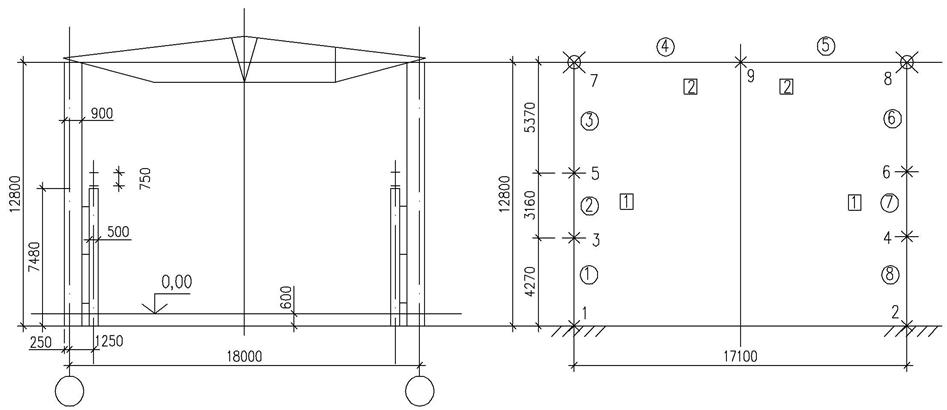
Рис.1.5. Конструктивная и расчетная схемы к примеру 2.

Рис.1.6. Конструктивная и расчетная схемы к примеру 3.
4. Определение нагрузок, приложенных к ригелю
Дата добавления: 2015-07-18; просмотров: 2002;
