Абсолютная разрешающая способность
dа =
Duкв,
где Uпш - напряжение полной шкалы, соответствующее опорному напряжению ЦАП. Это напряжение можно считать равным максимальному выходному напряжению; 2n - 1 = N - количество ступеней квантования.
Численно абсолютная разрешающая способность равна шагу квантования Duкв.
3. Абсолютная погрешность преобразования dпш
показывает максимальное отклонение выходного напряжения Uвых в точке пересечения с идеальной характеристикой (прямой) на уровне напряжения полной шкалы (рис.5.2). Абсолютная погрешность преобразования оценивается в процентах или же в единицах младшего значащего разряда (МР). При оценке значения абсолютной погрешности преобразования знак напряжения не учитывается.
4. Нелинейность преобразования ЦАП dлн определяет максимальное отклонение реальной характеристики от идеальной (рис. 5.2) и оценивается также в процентах или в единицах младшего значащего разряда.

5. Дифференциальная нелинейность преобразования ЦАП dдф.лн численно равна максимальной разности двух соседних приращений (шагов квантования)
dдф.лн = Duкв 1 - Duкв2.
Дифференциальная нелинейность оценивается в младших значащих разрядах и обычно не превышает нескольких единиц мр.
Младший значащий разряд численно определяет минимальное значение выходного напряжения, т.е. квант напряжения. Для оценки дифференциальной нелинейности dдф.лн в процентах можно воспользоваться выражением
.
Время установления выходного напряжения или тока tуст - интервал времени от подачи входного двоичного входного кода до вхождения выходного сигнала в заданные пределы. Максимальная частота преобразования fпр - наибольшая частота дискретизации, при которой параметры ЦАП соответствуют заданным значениям. Максимальная частота и время установления определяют быстродействие ЦАП.
Виды ЦАП условно можно разделить на две группы: с резисторными матрицами, безматричные ЦАП. В интегральном исполнении применяются только ЦАП с прецизионными резисторными матрицами, формирующими выходные сигналы путем суммирования токов.
ЦАП содержит элементы цифровой и аналоговой схемотехники. В качестве аналоговых элементов используются операционные усилители, аналоговые ключи (коммутаторы), резисторные матрицы и т.д.
Аналоговые элементы, входящие в состав ЦАП, практически полностью определяют его качественные и эксплуатационные параметры, основную роль при этом играют точность подбора номиналов резисторов резисторной матрицы и параметров операционного усилителя (ОУ).
Операционный усилитель представляет собой усилитель постоянного тока, имеющий коэффициент усиления по напряжению более тысячи. Он имеет дифференциальный входной каскад, т.е. имеет два входа: инвертирующий и неинвертирующий.
Своему названию ОУ “обязан” аналоговым вычислительным машинам, так как первоначально он был ориентирован на моделирование различных математических операций. Появление ОУ в виде интегральных микросхем привело к быстрому росту популярности ОУ в реализации аналоговой и гибридной электронной схемотехники. Условное обозначение ОУ показано на рис. 5.3.

Благодаря большому коэффициенту усиления (современные ОУ имеют коэффициент усиления К=105 ...106) и малым входным токам, усилители, построенные на базе ОУ, обладают уникальными свойствами. В частности, параметры многих устройств определяются только внешними цепями - цепями обратной связи, соединяющими выход ОУ с его входом. Например, коэффициент усиления усилителя, схема которого показана на рис. 5.4 (а), определяется с высокой точностью отношением сопротивлений двух резисторов К=-Rос/R.

Если на инвертирующий вход усилителя на ОУ подать сигнал от нескольких источников (рис. 5.4, б), то выходной сигнал определяется как произведение суммы входных токов на величину сопротивления резистора обратной связи
Uвых = -Rос(Iвх1+Iвх2+. . . . +Iвх.n).
Входной ток от каждого источника определяется как отношение
Iвх=Uвх/Ri,
где Ri - сопротивление резистора в цепи i-того входа.
Свойство ОУ суммировать входные токи с последующим преобразованием в напряжение широко используется при построении ЦАП и АЦП. На базе ОУ можно построить компараторы напряжения (сравнивающие устройства). При использовании ОУ в качестве компаратора напряжения на один его вход подается опорное напряжение Uоп, на второй - напряжение обрабатываемого (преобразуемого) сигнала Ux. При соответствующих условиях на выходе компаратора формируется сигнал логической“1”, если (Uоп - Ux) >Duкв, и логического “0”, если (Uоп - Ux)<Duкв (рис. 5.5). Шаг квантования Duкв обычно выбирается в пределах 5 . . . 10 мВ. Значение опорного напряжения и время установки компартора зависят от конкретного типа используемой интегральной микросхемы и условий его эксплуатации.

При построении ЦАП и АЦП применяются аналоговые ключи, коммутирующие цепи аналоговых сигналов под воздействием управляющих цифровых сигналов. Токи, коммутируемые электронными аналоговыми ключами, не превышают 10 . . . 50 мА. Относительно высокое сопротивление открытого ключа (50 - 600 Ом) требует наличия высокоомной нагрузки, что обеспечивается высокоомным входным сопротивлением ОУ.
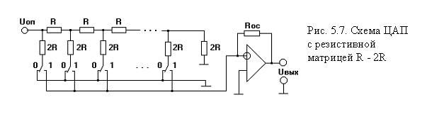
При реализации ЦАП в интегральном исполнении большие трудности вызывает подгонка высокоточных резисторов с сопротивлениями, отличающимися по номиналам друг от друга на несколько порядков. Поэтому, в интегральном исполнении применяются исключительно резистивная матрица R-2R. В качестве примера рассмотрим четырехразрядный ЦАП, использующий схему суммирования токов на ОУ (рис. 5.6).

Относительная разрешающая способность рассматриваемого ЦАП:
dо =
= 0,0625.
Абсолютная разрешающая способность определяется при известном значении опорного напряжения Uоп. Наиболее удобными значениями Uоп являются напряжения, кратные степени двойки, т.е. 10,24 В, 5,12 В, 2,56 В и т.д.
Если принять значение опорного напряжения равным 10,24 В, то абсолютная разрешающая способность (DUкв) определяется как:
DUкв=0,0625 × 10,24 = 0,625В.
Сопротивление резистора в цепи ключа, управляемого старшим разрядом двоичного кода, должно быть в два раза больше сопротивления резистора обратной связи Rос. Сопротивление каждого последующего младшего разряда в два раза больше, чем сопротивление соседнего старшего разряда. Отсюда следует, что с увеличением количества разрядов цифровых входов ЦАП резко увеличивается соотношение сопротивлений резисторов нулевого и самого старшего разрядов (R0=2nRn):
R0/Rn=2n = T.
Если n=8, то это отношение составляет 256. Увеличение Т может привести к чрезмерному увеличению сопротивления резистора младшего разряда или же к сильному уменьшению номинала резистора самого старшего разряда. Поэтому ЦАП с резистивной матрицей R-2nR применяется при небольшом количестве разрядов (при n<8). При больших Т затруднительным становится также изготовление резистивных матриц в интегральном исполнении. Известно, что номиналы резисторов в интегральном исполнении не должны превышать 50...100 кОм. Поэтому, в ЦАП, выполненных по интегральной технологии, в основном применяются резистивные матрицы R-2R. Функциональная схема ЦАП с матрицей R-2R показана на рис. 5.7.

Напряжение на выходе ЦАП (рис. 5.7) определяется как:

=
.
Чтобы выполнить условие формирования выходного напряжения в соответствии с двоичным кодом входного числа, необходимо получить равенство Rос=R, тогда
UвыхЦАП= Uоп
.
Дробные члены суммы играют роль весовых коэффициентов, а шаг квантования определяется отношением DUкв=Uоп/2n. На рис. 5.7 символы “0” и “1” перед электронными ключами показывают на состояние ключа при подаче на цифровые входы ЦАП логического “0” или “1”, соответственно.
Промышленностью ЦАП выпускаются в виде интегральных микросхемы и содержат в своем составе резистивную матрицу R-2R, электронные ключи и резистор обратной связи Rос. Для подключения токосуммирующего операционного усилителя имеются специальные выводы. Схема десятиразрядного ЦАП, построенного на базе ИМС К572ПА1, показана на рис. 5.8. ЦАП типа К572ПА1 может управляться кодом, полученным с выходов дискретных интегральных схем типов КМОП и ТТЛ. В последнем случае выходные уровни, соответствующие сигналам уровня логической “1”, должны быть повышены путем соединения выходов ТТЛ инверторов с источником питания 5 В через резисторы сопротивлением 2 - 10 кОм. Непосредственное согласование входных управляющих уровней ЦАП с параметрами сигналов ТТЛ- схем можно достичь путем уменьшения напряжения питания ЦАП до 5 В. Однако при

этом возрастает погрешность ЦАП. Основные параметры наиболее широко используемых ЦАП приведены в табл. 5.1. В табл. 5.1 использованы следующие обозначения: n- число разрядов управляющего кода; tуст - время установления выходного напряжения; Iвых - максимальный выходной ток; dлн - нелинейность преобразования ЦАП; Uп - напряжение питания; Uоп - опорное напряжение.
Таблица 5.1

Дата добавления: 2015-07-18; просмотров: 1854;
