Системи холодного водопостачання
Системою водопостачання називають комплекс інженерних споруд, машин і апаратів, які призначені для добування води з природних джерел, поліпшення її якості, зберігання, транспортування і подачі водоспоживачам. Вона складається із водоприймальних, водопідйомних, очисних, водонапірних і регулюючих споруд, магістральних водоводів і розподільних мереж, засобів автоматизації.
Внутрішній водопровід – це трубопроводи та інженерне обладнання, призначені для забезпечення подачі води від зовнішніх мереж водопроводу до всіх внутрішніх водорозбірних приладів, технологічного обладнання і пожежних кранів.
Внутрішні системи водоспоживання є двох видів:
| Роздільна | складається з трьох окремих водопроводів: · господарсько-питного; · виробничого; · протипожежного. У готелях виробничий водопровід практично не застосовується |
| Об’єднана | … |

Водогінні мережі бувають декількох видів.
1. За схемою прокладання трубопроводів:
− … ;
− … .
2. За принципом розведення трубопроводів:
− з верхнім розведенням;
− нижнім розведенням.
Основною частиною водомірного вузла є водомір, що служить для обліку витрати води.
В залежності від принципу дії водоміри класифікують на механічні (тахометричні), електромагнітні, ультразвукові і вихрові.
У механічних (тахометричних) водолічильниках використовується механічний принцип підсумовування числа обертів рухомого елементу (крильчатка, турбіна), яке залежить від швидкості проточної води. Відповідно водоміри цього типу поділяються на крильчасті і турбінні (рис 10). Підбирають лічильники так, щоб максимальний розрахунковий хід води у системі водопроводу був меншим, ніж найбільша допустима витрата водоміру. Мережі внутрішнього водопроводу прокладають відкрито з прикріпленням труб до стін, колон, перекриттів з нахилом 0,002…0,005 м у бік вводу. Труби можуть прокладатися приховано у спеціальних каналах, шахтах або у товщині стіни, якщо це обумовлюється підвищеними вимогами до інтер’єру приміщення. У таких випадках в місцях з’єднань передбачаються ніші з оглядовими люками.
Внутрішня водопровідна мережа монтується зі стальних оцинкованих водогазопровідних труб або пластикових труб. Останнім часом все більш поширеним стає застосування вінілпластових та поліетиленових труб, які мають високі технічні, експлуатаційні та санітарно-гігієнічні показники.
|
а б
Рис. 10. Механічні водоміри:
а – крильчастий; б – турбінний; 1 – корпус; 2 – рахунковий механізм; 3 – циферблат; 4 – кришка; 5 – передавальний механізм; 6 – крильчатка; 7 – сітка; 8 – струменевипрямляч
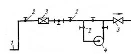
Холодне водопостачання може здійснюватись із використанням різних схем внутрішнього водопроводу. Найбільш простою і часто вживаною є схема з нижнім розведенням, що представлена на рис. 11. Вода із зовнішньої мережі під дією тиску, що в ній присутній, надходить у внутрішній водопровід через уведення, яке проходить під землею. Через водомір вода надходить в нижню розвідну магістраль, далі в стояки і через підводки до водозабірних точок.
Для забезпечення водою високих будівель в верхні водозабірні точки, в яких не гарантується подача води і водопроводу, на водопровідному уведенні зазвичай встановлюється підкачуючі відцентрові насоси (рис. 12). Електродвигун насосу вмикається автоматично при падінні тиску на уведенні нижче необхідного для подачі у верхні точки водозабору. Зворотній клапан забезпечує рух води лише в одному напрямку.
Система протипожежного водопроводу складається з мережі магістральних трубопроводів і стояків (розподільних ліній), пожежних кранів, а за потреби і водонапірних установок (насосів, водонапірних баків, пневматичних пристроїв).
| |||
| |||
| Рис. 11. Схема внутрішнього водопроводу без водонапірного резервуара і насоса, що підкачує (з нижнім розведенням): 1 – стояки; 2 –запірні вентилі; 3 –розвідна (магістральна) лінія; 4 – трійник із пробкою для спускання води із системи; 5 – водомір | Рис. 12. Схема водопровідного введення в будинок з насосом, що підкачує: 1 – уведення; 2 – запірні клапани; 3 – водомір; 4 – насос; 5 – зворотній клапан |
Пожежні крани обладнуються напівгайкою діаметром 50…65 мм, яка швидко знімається, капроновим рукавом довжиною 10…20 м із двома напівгайками для приєднання до вентиля і пожежного стовбура з наконечником. Пожежні крани розміщують у начіпних чи вбудованих шафах на висоті 1,35 м від підлоги. Вони встановлюються в легкодоступних місцях – вестибюлях, коридорах, проходах, сходових площадках будівель закладів готельно-ресторанного господарства.
У системах водопроводу з водонапірними баками недоторканний протипожежний запас води дорівнює кількості, необхідній для гасіння пожежі впродовж 10 хв. при ручному чи автоматичному включенні пожежних насосів.
Дата добавления: 2015-08-26; просмотров: 1057;
