Инженерная разведка в зонах сплошных завалов
При массовых разрушениях промышленных и жилых зданий возможно образование зон сплошных завалов, под которыми могут оказаться подвалы, заглубленные сооружения, убежища и укрытия, встроенные в наземные здания. Наиболее часто заваливаются входы в подвалы, защитные сооружения и другие заглубленные помещения, а также аварийные выходы из них.
В этих подвалов, убежищах и укрытиях в военное время и при некоторых ЧС, могут укрываться различные группы населения. Поэтому одной из важных задач подразделений, назначенных для ведения инженерной разведки, является определение местонахождения заваленных входов и аварийных выходов из убежищ и укрытий, уточнение состояния людей, оказавшихся в этих сооружениях, а также определение объема работ по откопке сооружений и выводу укрываемых.
Опыт проведения спасательных работ в условиях массовых разрушений и сплошных завалов показывает, что ориентироваться в этих условиях чрезвычайно трудно. Сложно обнаружить входы и выходы из убежищ и подвалов. Поэтому заранее должны быть подготовлены планшеты участков застройки или отдельных районов города, на которых были бы показаны места расположения заглубленных сооружений, а входы и выходы из них должны быть привязаны к не заваливаемым ориентирам.
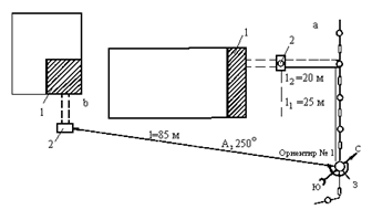
На рис. 1 показан вариант схемы привязки аварийных выходов из подвальных убежищ к одному из столбов металлической ограды.

Рис. 1. Вариант схемы привязки аварийного выхода убежища к металлической ограде
(ориентир № 1): а) способ линейных координат (l1 и l2); б) способ угловых координат (l и А3); 1 - убежище; 2 - оголовок аварийного выхода; 3 - столб ограды
При отсутствии специальных приборов инженерно-разведывательные дозоры в первую очередь устанавливают местонахождение подвалов, убежищ и укрытий, а также пострадавших на объектах с большим скоплением людей - магазинах, железнодорожных, автомобильных, морских и речных вокзалах, театрах и кинотеатрах, выставках, музеях, а также крупных промышленных и других объектах экономики. При осмотре завала от разрушения зданий особое внимание следует уделять обследованию лестничных клеток, т.к. в нижней части их, как правило, расположены входы в подвалы и заглубленные помещения, в которых могут находиться люди.
Известно, что лестничная клетка - наиболее устойчивая часть здания и ее местоположение можно определить по остовам стен, торчащим лестничным маршам, обломкам дверей и т.п. Обнаружив лестничную клетку, необходимо оповестить людей, которые могут оказаться в подвале, о прибытии помощи и узнать о количестве и самочувствии пострадавших и состоянии помещений, в которых они находятся.
При осмотре частично разрушенных и поврежденных зданий определяется наличие висящих конструкций, угрожающих обвалом и состояние лестничных клеток. Если лестничные клетки устойчивы и не угрожают обрушением, разведывательный дозор может начать осмотр внутренних помещений.
О местоположении заваленных подвалов, убежищ и укрытий, а также мест скопления людей, старший ИРД сообщает командованию спасательного центра, от которого был выслан дозор.
Заваленные подвалы, убежища или укрытия, в которых обнаружены люди, а также места скопления людей в разрушенных зданиях обозначаются специальными знаками. При возможности в ходе разведки ИРД устанавливают связь с пострадавшими, уточняют их состояние и количество, а также объем необходимой медицинской и других видов помощи (обеспечение водой, медикаментами, воздухом и предметами первой необходимости).
Определяются размеры и характеристики завалов над подвалами, убежищами и укрытиями, наиболее удобные места их вскрытия, состояние проходящих вблизи мест нахождения пострадавших, сетей коммунального хозяйства, а также ориентировочные объемы работ и потребность в силах и средствах. Для этого ИРД должны быть оснащены типовыми технологическими картами на выполнение различных видов аварийно-спасательных и других неотложных работ, а также характеристиками средств механизации и механизированного инструмента.
Установив характеристики и размеры завала в местах нахождения пострадавших, старший ИРД определяет возможные объемы работ по откопке заваленных подвалов, убежищ и укрытий и деблокированию пострадавших из-под завалов.
При благоприятной радиационной, химической и пожарной обстановке в обследуемом районе, старший ИРД организует отправку пострадавших на сборные пункты и пункты первой медицинской помощи, используя безопасные пути выхода.
В ходе разведки старший ИРД представляет донесения.
При ведении инженерной разведки дороги или колонного пути ИРД отрабатывает схему разведанного участка маршрута, карточку инженерной разведки существующего моста.
В результате разведки места оборудования переправы через водную преграду отрабатывается схема, а в необходимых случаях и карточка инженерной разведки района оборудования переправы.
Инженерная разведка также ведется разведчиками-специалистами, включаемыми в состав формирований, осуществляющих аварийно-спасательные работы в чрезвычайных ситуациях мирного и военного времени.
Органы инженерной разведки в зависимости от выполняемой задачи и характера разведываемых объектов составляют отчётную документацию в виде карточек, схем, донесений.
Дата добавления: 2015-08-26; просмотров: 2242;
