Погонные (удельные) параметры линий
Погонное (удельное) (на единицу длины) активное сопротивление rо при частоте 50 Гц и обычно применяемых сечениях алюминиевых или медных проводов и жил кабелей можно принять равным погонному омическому сопротивлению. Явление поверхностного эффекта начинает заметно сказываться только при сечениях порядка 500 мм2.
Активное сопротивление – это сопротивление при протекании по проводнику переменного тока, омическое - это сопротивление при протекании по тому же проводнику постоянного тока. Для сталеалюминиевых проводов явление поверхностного эффекта также незначительно и может не учитываться.
Значительное влияние на активное сопротивление оказывает температура материала проводников, которая зависит от температуры окружающей среды и тока нагрузки.
Погонные (удельные) реактивные (индуктивные) сопротивления фаз линий в общем случае получаются разными. Они определяются взаимным расположением фаз и геометрическими параметрами. При расчетах симметрических рабочих режимов пользуются средними значениями (независимо от транспозиции фаз линии).
Схемы замещения ЛЭП
Линия электрической сети теоретически рассматривается состоящей из бесконечно большого количества равномерно распределенных вдоль нее активных и реактивных сопротивлений и проводимостей.
Точный учет влияния распределенных сопротивлений и проводимостей сложен и необходим при расчетах очень длинных линий, которые в этом курсе не рассматривается.
На практике ограничиваются упрощенными методами расчета, рассматривая линию с сосредоточенными активными и реактивными сопротивлениями и проводимостями.
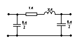
Для проведения расчетов принимают упрощенные схемы замещения линии, а именно: П-образную схему замещения, состоящую из последовательно соединенных активного (rл) и реактивного (xл) сопротивлений. Активная (gл) и реактивная (емкостная) (bл) проводимости включены в начале и конце линии по 1/2.
П-образная схема замещения характерна для воздушных ЛЭП напряжением
110-220 кВ длиной до 300-400 км.
П – образная схема замещения ЛЭП напряжением 110-220 кВ длиной до 300-400 км.
Активное сопротивление определяется по формуле:
,
где rо – удельное сопротивление Ом/км при tо провода + 20о,
l – длина линии, км
Активное сопротивление проводов и кабелей при частоте 50 Гц обычно примерно равно омическому сопротивлению. Не учитывается явление поверхностного эффекта.
Удельное активное сопротивление rо для сталеалюминиевых и других проводов из цветных металлов определяется по таблицам в зависимости от поперечного сечения.
Для стальных проводов нельзя пренебрегать поверхностным эффектом. Для них rо зависит от сечения и протекающего тока и находится по таблицам.
При температуре провода, отличной от 20о С сопротивление линии уточняется по соответствующим формулам.
Реактивное сопротивление определяется:
,
где xо - удельное реактивное сопротивление Ом/км. Удельные индуктивные сопротивления фаз ВЛ в общем случае различны (об этом уже говорилось).
При расчетах симметричных режимов используют средние значения xо :
(1),
где rпр - радиус провода, см;
Дср - среднегеометрическое расстояние между фазами, см, определяется следующим выражением:
,
Где Дав, Двс, Дса - расстояния между проводами соответствующих фаз А, В, С.
Например, при расположении фаз по углам равностороннего треугольника со стороной Д, среднегеометрическое расстояние равно Д.
|
Дав=Двс=Дас=Д
|
При расположении проводов ЛЭП в горизонтальном положении:
Дав=Двс=Д
Дас=2Д
При размещении параллельных цепей на двухцепных опорах потокосцепление каждого фазного провода определяется токами обеих цепей. Изменение Х0 из-за влияния второй цепи зависит от расстояния между цепями. Отличие Х0 одной цепи при учете и без учета влияния второй цепи не превышает 5-6% и не учитывается в практических расчетах.
В линиях электропередач при
(иногда и при напряжении 110 и
220 кВ) провод каждой фазы расщепляется на несколько проводов. Это соответствует увеличению эквивалентного радиуса. В выражении для Х0:
(1)
вместо rпр используется
,
где rэк - эквивалентный радиус провода, см;
аср - среднегеометрическое расстояние между проводами одной фазы, см;
nф- число проводов в одной фазе.
Для линии с расщепленными проводами последнее слагаемое в формуле 1 уменьшается в nф раз, т.е. имеет вид
.
Удельное активное сопротивление фазы линии с расщепленными проводами определяются так : r0= r0пр / nф ,
Где r0пр - удельное сопротивление провода данного сечения, определенное по справочным таблицам. Для сталеалюминиевых проводов Х0 определяется по справочным таблицам, в зависимости от сечения, для стальных в зависимости от сечения и тока.
Активная проводимость (gл) линии соответствует двум видам потерь активной мощности:
1) от тока утечки через изоляторы; 
2) потери на корону.
Токи утечки через изоляторы малы и потерями в изоляторах можно пренебречь. В воздушных линиях (ВЛ) напряжением 110 кВ и выше при определенных условиях напряженность электрического поля на поверхности провода возрастает и становится больше критической. Воздух вокруг провода интенсивно ионизируется, образуя свечение - корону. Короне соответствуют потери активной мощности. Наиболее радикальными средствами уменьшения потерь мощности на корону является увеличение диаметра провода, для линий высокого напряжения (330 кВ и выше) использование расщепления проводов. Иногда можно использовать так называемый системный способ уменьшения потерь мощности на корону. Диспетчер уменьшает напряжение в линии до определенной величины.
В связи с этим задаются наименьшие допустимые сечения по короне:
110 кВ - 70 мм2 (сейчас рекомендуется использовать сечение 95 мм2);
150 кВ - 120 мм2;
220 кВ - 240 мм2.
Коронирование проводов приводит: к снижению КПД; к усиленному окислению поверхности проводов; к появлению радиопомех.
При расчете установившихся режимов сетей до 220 кВ активная проводимость практически не учитывается.
В сетях с
при определении потерь мощности при расчете оптимальных режимов, необходимо учитывать потери на корону.
Емкостная проводимость (вл) линии обусловлена емкостями между проводами разных фаз и емкостью провод - земля и определяется следующим образом:
,
где в0 - удельная емкостная проводимость См/км, которая может быть определена по справочным таблицам или по следующей формуле:
(2),
где Дср - среднегеометрическое расстояние между проводами фаз; rпр - радиус провода.
Для большинства расчетов в сетях 110-220 кВ ЛЭП (линия электропередачи) представляется более простой схемой замещения:
|
|
Иногда в схеме замещения вместо емкостной проводимости
учитывается реактивная мощность, генерируемая емкостью линий (зарядная мощность).
Половина емкостной мощности линии, МВАр, равна:
(*),
где:
Uф и U – соответственно фазное и междуфазное (линейное) напряжения, кВ;
Iс - емкостный ток на землю

Из выражения для Qс (*) следует, что мощность Qс, генерируемая линий сильно зависит от напряжения. Чем выше напряжение, тем больше емкостная мощность.
Для воздушных линий напряжением 35 кВ и ниже емкостную мощность (Qс) можно не учитывать, тогда схема замещения примет следующий вид:

Для линий с
при длине > 300-400 км учитывают равномерное распределение сопротивлений и проводимостей вдоль линии.
|
Кабельные линии электропередачи представляют такой же П-образной схемой замещения как и ВЛ.
Удельные активные и реактивные сопротивления r0, х0 определяют по справочным таблицам, так же как и для ВЛ.
Из выражения для х0 и в0


видно, что х0 уменьшается, а в0 растет при сближении разных проводов.
Для кабельных линий расстояние между проводами фаз значительно меньше, чем для ВЛ и Х0 очень мало.
При расчетах режимов КЛ (кабельных линий) напряжением 10кВ и ниже можно учитывать только активное сопротивление.
|
Емкостный ток и Qс в кабельных линиях больше чем в ВЛ. В кабельных линиях (КЛ) высокого напряжения учитывают Qс, причем удельную емкостную мощность Qc0 кВАр/км можно определить по таблицам в справочниках.
Активную проводимость (gл )учитывают для кабелей 110 кВ и выше.
Удельные параметры кабелей х0, а также Qс0 приведенные в справочных таблицах ориентировочны, более точно их можно определить по заводским характеристикам кабелей.
Дата добавления: 2015-08-21; просмотров: 1600;
