Лекция 6. Микросхемы нельзя объединять по выходу, т.к
Микросхемы нельзя объединять по выходу, т.к. может сложиться ситуация, когда ток с одной пойдет на другую и может быть сбой.


Реально вместо этого ключа может стоять полевой транзистор.

ОЕ – управляющее напряжение, подаваемое на ключ. у –выходной сигнал.


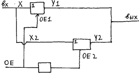
Если ОЕ=0, то ключ замкнут. Тогда у отражает состояние выхода микросхемы. Если ключ закрыт, т.е. ОЕ=1, не зависимо от х на выходе будет так называемое z-состояние – третье состояние. Это дает возможность объединять микросхемы по выходу. Если есть несколько микросхем и надо объединить их выходы, надо брать микросхемы с третьим состоянием. Надо сделать так, чтобы одновременно на двух микросхемах не было сигнала разрешения выхода.

Таким образом объединяются выходы микросхем.
При реальном изготовлении микросхем, увеличение количества выводов микросхемы создает определенные трудности. Поэтому при создании микросхем стараются выводов делать как можно меньше. Если есть линия, по которой в устройство вводится сигнал, и есть линия, по которой выводятся какие-то сигналы, то стараются объединить эти линии и сделать так называемую двунаправленную линию передач. Если есть третье состояние, то можно без труда сделать такую двунаправленную линию.
ТТЛ и СMOS логика – базовые для вычислительной технике. Кроме этого есть так называемая эмиттерно-связанная логика (ЭСЛ). Это довольно специфическая логика. Она появилась потому, что у двух вышеупомянутых логик быстродействие мало. Быстродействие ТТЛ или CMOS логики определяется в первую очередь тем, что ключ, который используется, всегда либо сильно закрыт, либо полностью открыт, т.е. транзистор находится в режиме насыщения. Выход из режима насыщения происходит длительное время. Это причина того, что их быстродействие ограничено. Если вывести транзистор из насыщения и заставить его работать в линейном режиме, то быстродействие должно возрасти. В ТТЛ и CMOS логике выводить транзисторы из насыщенного режима плохо потому, что меняются уровни напряжения в открытом и закрытом состоянии, и их помехоустойчивость уменьшается. В основе ЭСЛ лежит дифференциальный усилитель. Он усиливает не определенный сигнал, на вход этого усилителя подается два сигнала, и он усиливает разность этих сигналов. Можно сделать микросхему, использующую такой дифференциальный усилитель. Это по сути дела переключатель, находящийся в линейном режиме с физическими уровнями логического нуля = -1,6V и логической единицы= - 0,2V (они не совпадают с уровнями логического нуля и логической единицы для ТТЛ и CMOS логики (для ТТЛ и CMOS логики они близки)). При использовании такой микросхемы возрастает потребляемая мощность, зато выходное сопротивление мало. Поэтому место этих микросхем в интерфейсных схемах. Если нужно передавать сигнал с высокой скоростью и на большие расстояния, то надо использовать линии типа витой пары, кабеля, которые характеризуются тем, что у них очень низкое волновое сопротивление. Для того, чтобы по линии сигнал шел не искажаясь, микросхема должна работать на сопротивление = волновому. Мощность, выделяемая на этом сопротивлении, = квадрат напряжения U деленный на сопротивление R. Если U=5V как в ТТЛ. Получается довольно высокая мощность. С помощью этой логики не составить микросхем с большой степенью интеграции из-за того, что потребляемая мощность высока. Тем не менее, такие микросхемы используются для обеспечения связи на большие расстояния.
Дата добавления: 2015-08-21; просмотров: 1962;
