Лекция №7. Когда мы говорили о логических схемах, мы имели в виду комбинационную логику
Память
Когда мы говорили о логических схемах, мы имели в виду комбинационную логику. Если есть какая-то логика, у которой есть какое-то количество входных переменных и какое-то количество выходных переменных

то существует однозначная связь между значением любой выходной переменной и значениями входных переменных.
Кроме этого есть так называемая последовательная логика. Это логика, у которой значение выходных переменных определяется не только значением входных переменных, но и зависит от предыстории (или от начального состояния). Она собирается на обычных комбинаторных схемах.
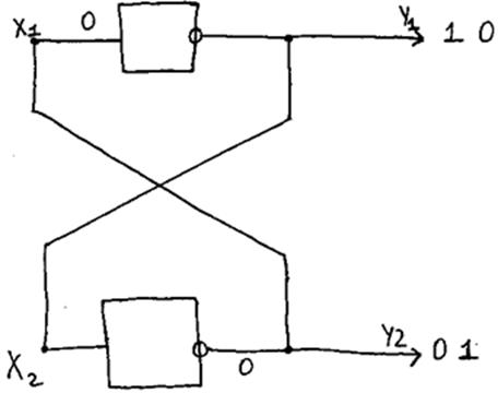
Возьмем 2 инвертора

Каковы возможные состояния? Состояния на выходе определяются состояниями на входе. Не может быть так, что х1 и у1 одновременно равняются "0" => у1 не может быть равно у2. Возможны 2 состояния:
1) у1="1" => x2="1" => y2="0" => x1="0"
2) у1="0" => x2="0" => y2="1" => x1="1"
От чего зависят эти состояния? На эту схему мы не можем действовать. Получили устройство, которое может находиться в двух различных состояниях.
Система находится в устойчивом положении равновесия, когда

Если мы имеем 2 устойчивых положения равновесия, то 2 минимума потенциальной энергии.

Наша схема будет находиться либо в одном, либо в другом устойчивом положении.
Если минимумы одинаковые, то нет предпочтения, т.е. схема с равной вероятностью будет находится или в одном или в другом состоянии.
Как перевести систему из состояния Х1, в котором она находится, в состояние Х2? Обозначим величину потенциального барьера А. Это работа, которую нужно затратить, чтобы перевести систему из состояния Х1 в состояние Х2.
Аналогично двум ямкам и шарику

В этом примере, чтобы перевести шарик из одного состояния в другое, надо поднять его на высоту >= h относительно дна ямки. А >= mgh, где m – масса шарика.
Наша система - система с двумя устойчивыми положениями равновесия. Она находится в min потенциальной энергии.
Если речь идет об электроне. Диэлектрик не пропускает электрический ток. Если есть проводник

Электрон может преодолеть диэлектрический слой и перейти с левого участка в правый. Это может произойти потому, что электроны находятся в тепловом движении. Есть какое-то распределение скоростей электронов. Отдельные электроны могут иметь очень большую кинетическую энергию, больше, чем высота потенциального барьера. Кинетическая энергия электрона зависит о температуры.
В случае с двумя минимумами рассмотрим 2 ситуации


Оказывается, толщина барьера принципиальна. Чем тоньше слой диэлектрика, тем больше вероятность прохождения электронов через диэлектрик.
Как переводить нашу схему из одного состояния в другое?

Если X1 = X2 = 1, то все будет как в той схеме, которая может находиться в одном из двух состоянии.
Пусть Y1="0", а Y2="1". Если

то схема переходит в прямо противоположное состояние.
Это так называемый RS триггер.
В любой серии микросхем большое количество триггерных схем

схема "и не". Но это роли не играет. Можно было брать не схему "и не", а схему "или не" (это можно показать).
Как видно, переход из одного состояния в другое осуществляется перепадом на входе.
Существует большое количество триггерных схем.
Есть счетные триггеры.
Есть так называемые D триггеры, которые характеризуются тем, что это схема, которая имеет так называемый вход данных D, как правило имеет сигнал тактовой частоты CLOCK, сигнал Reset и выход Q.

Этот триггер работает следующим образом



Формально триггеры могут использоваться для построения памяти.
Дата добавления: 2015-08-21; просмотров: 699;
