И 5 — заборные трубы; 2 и 4 — патрубки подсоединения к расширительному бачку; 3 — перегородка; 6 — боковины; 7 — лапа.
Сетки и фильтр защищают клапаны от загрязнения. ПВК закрыт крышкой 9 (рис. 59), а сообщение с атмосферой происходит через отверстие во фланце.

Паровоздушный клапан:
1 и 5 - стопорные кольца; 2 - чашка; 3 - тарелка; 4 - регулировочная прокладка; 6 - сетка; 7 - прокладка; 8 - воздушный клапан; 9 - корпус; 10 - паровой клапан; 11 и 12 – пружины.
На двигателе установлен водяной насос центробежного типа. Он предназначен для создания непрерывного принудительного движения охлаждающей жидкости в системе охлаждения и установлен справа на нижнем картере двигателя со стороны механизма передач. Привод насоса осуществляется от коленчатого вала двигателя.
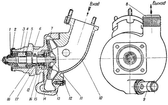
Насос состоит из следующих основных деталей: корпуса 3, крышки 10, валика 7, крыльчатки 11, шарикоподшипников 18, шлицевой втулки 1, распорной втулки 4, самоподжимной манжеты 17, текстолитовой шайбы 13, гофрированной резиновой втулки 15, пружины 16.
Корпус насоса изготовлен из алюминиевого сплава. В прилив ввернут штуцер 9, на который устанавливается клапан слива охлаждающей жидкости из двигателя. Жидкость из радиаторов забирается через раструб крышки 10. Через патрубок 8 охлаждающая жидкость подается к рубашкам блоков двигателя.

Водяной насос:
1 - шлицевая втулка; 2 - кожух; 3 - корпус; 4 - распорная втулка; 5 - стопорное кольцо: 8 - шайба; 7 - валик; 8 - патрубок; 9 - штуцер; 10 - крышка; 11 - крыльчатка; 12 - болт; 13 - шайба; 14 - гофросальник; 15 - гофрированная втулка; 16 - пружина; 17 - манжета; 18 - шарикоподшипник; а - контрольное отверстие.
Г) Вентилятор.На машине установлен центробежный вентилятор, который служит длясоздания потока охлаждающего воздуха через масляные и водяные радиаторы. Он изготовлен из алюминиевого сплава и расположен в кормовой части машины.

Вентилятор:
1 - диск; 2 - направляющее кольцо; 3 - лопатка; 4 – заклепка.
Вентилятор состоит из диска 1, направляющего кольца 2, лопаток 3, приклепанных к диску и направляющему кольцу вентилятора заклепками 4.
Вентилятор закреплен болтами на ведомой ступице фрикциона. Для повышения КПД вентилятор помещен в специальный кожух (улитку). Привод вентилятора имеет две ступени: пониженную (рычаг переключения на гитаре в положении Н), повышенную (рычаг в положении В) и нейтральное положение О.
При нейтральном положении рычага на пульте ПВ-82 загораются две сигнальные лампы ОХЛ. ЖИДКОСТЬ — ВЕНТ. Рычаг привода вентилятора оставлять в нейтральном положении О запрещается.
Вентилятор должен быть включен па пониженную ступень. Повышенную ступень в приводе вентилятора разрешается включать при температуре окружающего воздуха выше 25°С, если при движении температура охлаждающей жидкости и масла выше критической.
Д) Жалюзи и привод жалюзи. Жалюзи предназначены для поддержания необходимого температурного режима двигателя за счет регулировки количества охлаждающего воздуха, засасываемого вентилятором через радиаторы, а также для защиты агрегатов трансмиссии от боевых повреждений. На машине установлены входные и выходные жалюзи.
Входные жалюзи вмонтированы в крышу над трансмиссией и состоят из верхних 17 (рис. 64) и нижних 18 неподвижных створок.
Выходные жалюзи вмонтированы в балку, расположенную в задней части съемной крыши над трансмиссией. Они состоят из двух подвижных 15 и двух неподвижных 16 створок, разделенных тремя поперечными ребрами.
Положение подвижных створок выходных жалюзи устанавливается приводом жалюзи. Для исключения случаев попадания посторонних предметов в трансмиссию над входными и выходными жалюзи расположены защитные сетки.
Привод жалюзи состоит из кулисы 1 привода с рычагом, пружины 3, механизма 4 привода жалюзи, стяжного болта 5, вилок 8, поводка 9, двуплечих рычагов 19, поводка 14, валика 20 и тяг. Рычаг кулисы привода жалюзи имеет несколько фиксированных положений. Из фиксированного положения рычаг выводится нажатием на рукоятку сверху. На кронштейне кулисы привода жалюзи закреплена планка 21 с надписью, соответствующей открытому или закрытому положению жалюзи.
При перемещении рычага кулисы привода жалюзи в сторону кормы происходит полное закрывание створок выходных жалюзи. Промежуточные положения рычага обеспечивают соответствующий тепловой режим двигателя. Если перемещение рычага кулисы привода затруднено и требует приложения больших усилий, необходимо очистить шарнирные соединения осей створок жалюзи и привода.
Е) Работа системы охлаждения.При работе двигателя циркуляция охлаждающей жидкости осуществляется водяным насосом 27 (рис. 179) двигателя. Из водяного насоса охлаждающая жидкость поступает в рубашки цилиндров и головки, охлаждая их.

Жалюзи и привод жалюзи:
1 — кулиса привода жалюзи: 2, 7, 10, 11 и 12 — тяги; 3 — пружина; 4 — механизм привода жалюзи; 5 — болт стяжной; 6 — контргайка; 8 -- вилка; 9 — поводок; 13 — рычаг; 14 — поводок; 15 — створка (подвижная); 16 — створка (неподвижная); 17 — верхняя створка; 18 — нижняя створка; 19 — двуплечий рычаг; 20 — валик; 21 — планка
Нагретая охлаждающая жидкости, вышедшая из двигателя, разветвляется по трем потокам:
первый (основной) поток по трубопроводу поступает в радиаторы 24, где охлаждается атмосферным воздухом; движение воздуха через радиаторы обеспечивается вентилятором 22, охлаждающая жидкость из радиаторов по трубопроводу вновь поступает в водяной насос двигателя;
второй поток по трубопроводам направлен через змеевики 21 и 25 в основной маслобак двигателя и бак системы гидроуправления и смазки трансмиссии, обогреваемые полости маслозакачивающих насосов 15, котел 13 подогревателя и радиатор обогревателя 12 боевого отделения;
третий поток циркулирует по дренажно-компенсационному контуру из головок двигателя и левого водяного радиатора по трубопроводам в расширительный бачок 30, из которого через пополнительный бачок 29 поступает в водяной насос.
Дренажно-компенсационный контур предназначен для исключения срыва циркуляции охлаждающей жидкости водяным насосом из-за парообразования.
Температура охлаждающей жидкости контролируется электрическим термометром, датчик которого установлен в трубопроводе, выходящем из двигателя, а указатель — па щите контрольных приборов механика-водителя.
Кроме того, в трубопроводе установлены датчик критической температуры воды с пределом срабатывания 112—118°С и датчик критической температуры антифриза с пределом срабатывания 104—109°С. Сигнализация о срабатывании датчиков осуществляется сигнальной лампой 19, установленной на выносном пульте ПВ-82.
Охлаждающая жидкость из системы охлаждения и подогрева сливается через клапан 26, установленный на водяном насосе двигателя.
Циркуляция воздуха в воздушном тракте системы охлаждения осуществляется вентилятором 22. Воздух засасывается вентилятором через входные жалюзи, проходит через масляные и водяные радиаторы и через выходные жалюзи выбрасывается наружу. Интенсивность воздушного потока регулируется положением подвижных створок выходных жалюзи, а также установкой соответствующей передачи вентилятора.
Дата добавления: 2015-08-21; просмотров: 2046;
