Система пуска
Система пуска предназначена для запуска двигателя.
В двигателях внутреннего сгорания применяют следующие способы пуска двигателей: ручной, пневматический, пусковым двигателем, электростартером.
Во время ручного пуска маховик вместе с коленчатым валом раскручивается от руки до необходимой частоты вращения, после чего и происходит запуск двигателя.
Пневматические стартеры устанавливают на двигатели в сравнительно редких случаях (карьерные автосамосвалы БелАЗ). Пневматический стартер представляет собой двигатель, в который поступает сжатый воздух из баллонов. Сжатый воздух при пуске двигателя может подаваться также непосредственно в его цилиндры.
Пусковые карбюраторные двигатели применяют наиболее часто для пуска тракторных дизелей большой мощности. Это обычно одно- или двухцилиндровые двигатели с зажиганием от магнето. Пуск вспомогательных двигателей производится от руки или электростартером.
Пуск электростартером является наиболее часто применяемым способом пуска автомобильных двигателей.
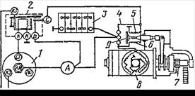
На автомобилях применяют стартер с дистанционным управлением и электромагнитным включением. Работа стартера основана на взаимодействии магнитных полей обмоток возбуждения и якоря при прохождении по ним электрического тока.
Включатель состоит из реле включения 2, тягового реле 4 с двумя обмотками – втягивающей 6 и удерживающей 5, и привода стартера 8. Втягивающая обмотка включена последовательно обмотке якоря, а удерживающая – параллельно.
Для включения стартера 8 необходимо повернуть ключ зажигания вправо до отказа, при этом замыкается цепь обмотки реле включения 2. Контакты реле замыкаются, и втягивающая 6 и удерживающая 5 обмотки тягового реле 4 включаются в электрическую цепь. Под действием магнитного поля обмоток втягивается сердечник тягового реле и рычагом, связанным с ним, вводит в зацепление шестерню 7 привода с венцом маховика. Медный контактный диск 9, расположенный с другой стороны стержня, после включения шестерни замкнет силовую электрическую цепь стартера.
Как только заработает двигатель, в генераторе будет создаваться ЭДС и обмотка реле включения 2 будет находиться под напряжениями генератора и аккумуляторной батареи 3, направленными навстречу друг другу. Магнитное поле реле включения 2 уменьшится и его контакты под действием пружины разомкнутся. Цепь удерживающей обмотки 6 размыкается и сердечник тягового реле 4, а с ним рычаг и медный диск 9 включения вернутся в исходное положение, выключая стартер 8.
Привод стартера должен обеспечивать соединение шестерни стартера с венцом маховика только на время пуска двигателя. После пуска вал стартера должен немедленно отключиться, в противном случае венец маховика будет вращать якорь стартера с очень большой частотой и витки обмотки якоря могут под действием центробежной силы выйти из пазов.
Привод стартера состоит из рычага включения, шлицевой втулки и муфты свободного хода с шестерней.
Муфта свободного хода имеет шлицевую втулку с ведущей 1 обоймой и ведомую 2 обойму, выполненную вместе с шестерней.
Внутри ведущей обоймы имеются четыре клинообразные выемки, в которые помещены ролики 3, поджимаемые пружинными толкателями 4 в узкую часть вырезов. Шлицевая втулка может перемещаться по шлицам вала якоря стартера под действием включающей вилки и пружины.
При пуске двигателя (а) усилие с вала якоря стартера передается на шестерни. Как только ведущая обойма начнет вращаться, ролики, переместившись по наклонной поверхности, заклинят ведомую обойму и приводная шестерня начнет вращать маховик.
После того как двигатель начнет работать (б), маховик будет вращать шестерню и связанную с ней ведомую обойму быстрее, чем вращаются вал стартера и ведущая обойма. При этом ролики муфты сдвигаются по наклонной поверхности в более широкую часть вырезов, освобождают ведомую обойму с шестерней и усилие на вал стартера не передается, чем предохраняется якорь стартера от разноса.
Дата добавления: 2015-08-14; просмотров: 965;
