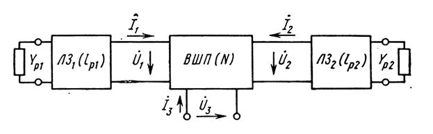
Эквивалентная схема одновходового резонатора.
Эквивалентная схема одновходового резонатора представлена эквивалентной схемой ВШП акустические выходы которого нагружены через отрезки звукопроводов нагружены на входные проводимости отражательных решеток YP1 и YP2.
|
| Рисунок 21 - Эквивалентная электрическая схема одновходового резонатора. |
Резонансные полости (звукопроводы ) представлены отрезками длинной линии с сопротивлением Z0 и длиной
и
.
Входная проводимость отражательных решеток может быть определена по известному коэффициенту отражения.

где G0=1/Z0;
- комплексный коэффициент отражения i – й отражательной решетки.
Входная проводимость резонатора:

где Y33, Y11, Y13, Y12 – элементы матрицы Y параметров ВШП;
Yti =
- входная проводимость i – й отражательной решетки с учетом отрезка звукопровода;
- комплексный коэффициент отражения решетки с учетом отрезка звукопровода;
k=2π/λ – волновое число
Дата добавления: 2015-08-14; просмотров: 1152;
