Процессы всасывания и нагнетания с пневмокомпенсаторами
Изучение процессов всасывания и нагнетания в поршневом насосе показывает, что движение жидкости является неустановившимся. Неустановившееся движение жидкости сопровождается возникновением инерционных сил, для преодоления которых требуется дополнительная энергия, что обеспечивается мощностью двигателя, приводящего в действие насос.
Как было установлено в разделе 6.5, инерционный напор зависит от длины трубопровода, а именно, на всасывании
и на нагнетании
.
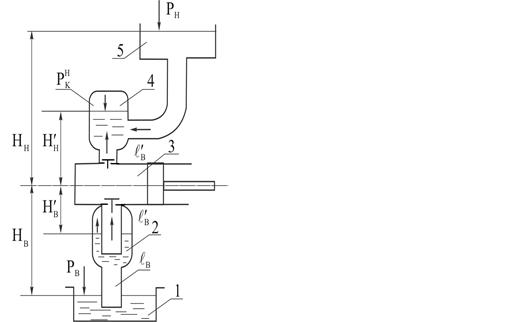
Таким образом, уменьшение длины трубопровода приведет к снижению величины инерционного напора. С этой целью устанавливаются пневмокомпенсаторы - воздушные колпаки на всасывании и на нагнетании в непосредственной близости от насоса (рисунок 6.22). Насосная установка состоит из насоса 3 с воздушными колпаками 2 и 4, подводящего трубопровода
, соединяющего насос с приемным баком 1, и напорного трубопровода
, соединяющего насос с приемным баком 5. Пневмокомпенсатор - это емкость, частично заполненная воздухом или газом, который служит упругим амортизатором, уменьшающим неравномерность движения жидкости в напорном и всасывающем трубопроводам.

Рисунок 6.22
В процессе всасывания жидкость поступает в рабочую камеру из пневмокомпенсатора (колпака) 2 через короткую трубку
При этом давление в колпаке 2 снижается и жидкость устремляется из приемного бака 1 в колпак 2.
В процессе нагнетания поршень нагнетает жидкость в колпак 4. Под давлением нагнетаемой жидкости воздух в колпаке 4 сжимается, и в период всасывания, когда жидкость не поступает в колпак 4, сжатый воздух вытесняет жидкость из колпака в напорный трубопровод.
При достаточном объеме пневмокомпенсаторов (воздушных колпаков), несмотря на колебания величины объема в разные моменты хода поршня (скорость поршня меняется от нуля до максимума и снова до нуля), колебания уровня жидкости в колпаках как на всасывании, так и на нагнетании будут незначительными и движение в трубопроводах от бака 1 до колпака 2 и от колпака 4 до напорного бака 5 будет близко к установившемуся.
Следовательно, пневмокомпенсаторы (при достаточно большом объеме воздуха) способствуют непрерывному движению жидкости по трубопроводам с практически постоянной скоростью.
Инерционный напор возникает только на очень коротком участке
от колпака 2 до насоса и
от насоса до колпака 4. Инерционные напоры на этих участках весьма малы и ими можно пренебречь.
Одновременно уменьшаются и гидравлические потери в подводящем и напорном трубопроводах, так как жидкость движется в них с практически постоянной средней скоростью.
Уравнение Бернулли для насоса с колпаками можно записать следующим образом: со стороны всасывания - от свободной поверхности в баке 1 до колпака 2:
;
от свободной поверхности в колпаке 2 до оси насоса
;
напор всасывания составляет
.
Co стороны нагнетания — от оси насоса до свободной поверхности в колпаке 4 
От свободной поверхности в колпаке 4 до свободной поверхности в баке 5
,
то есть напор нагнетания равен
.
Влияние переменных величин
на всасывании и
на нагнетании на напоры всасывания и нагнетания ввиду их малости длин незначительно.
Индикаторная диаграмма изменения давления в цилиндре насоса с пневмокомпенсаторами имеет вид, показанный на рисунке 6.23.

Рисунок 6.23
Индикаторное давление по длине хода поршня можно считать постоянным, так как давление в процессе всасывания и нагнетания остается практически постоянным. Только в начале всасывания отмечается понижение давления и в начале нагнетания - повышение давления, что объясняется более высоким сопротивлением клапанов при страгивании.
Наличие пневмокомпенсаторов устраняет опасность разрыва сплошности потока в напорном трубопроводе, позволяет уменьшить напор нагнетания жидкости, увеличить число двойных ходов поршня.
Дата добавления: 2015-07-10; просмотров: 806;
