Корпус. Корпус (рис. 1.2) электростартеров изготовляют из трубы или стальной полосы (сталь 10) с последующей сваркой стыка.
Корпус (рис. 1.2) электростартеров изготовляют из трубы или стальной полосы (сталь 10) с последующей сваркой стыка.
С целью улучшения герметизации корпус не имеет окон для доступа к щеткам. Длина корпуса в 1,6 - 2 раза больше длины пакета якоря. Толщина корпуса зависит от диаметра D корпуса и составляет (0,05-0,08)D. В корпусе 2 предусмотрено отверстие для выводного болта 8 обмотки возбуждения. Корпус может иметь установочные прорези на торцах и конусообразные проточки для монтажа уплотнительных колец. К корпусу 2 винтами 3 крепят полюсы 12 с катушками 1 обмотки возбуждения. Все автомобильные стартеры выполняют четырехполюсными. Катушки последовательных и параллельных обмоток возбуждения устанавливают на отдельных полюсах, поэтому число катушек равно числу полюсов.
Горячекатаные или штампованные полюсы стартера состоят из магнитопровода, полюсных наконечников и изготовляются из профильной стали 10.
|
Рис. 1.1.Устройство электростартера СТ221:
а - общий вид; б - детали стартера; 1 - шестерня привода; 2 - муфта свободного хода; 3 - ведущая обойма муфты свободного хода; 4 - буферная пружина; 5 - рычаг включения привода; 6 - крышка со стороны привода; 7 - возвратная пружина; 8 - корпус тягового реле; 9 - обмотка тягового репе; 10 - сердечник тягового реле; 11 - подвижная контактная пластина; 12 - неподвижный контакт; 13 -контактные болты; 14 -щеточная пружина; 15 -щеткодержатель; 16 -коллектор; 17 - крышка со стороны коллектора; 18 - вал якоря с винтовыми шлицами; 19 - щетка; 20 - катушка обмотки возбуждения; 21 - полюс; 22 - корпус стартера; 23 - полюсный винт; 24 - якорь электродвигателя; 25 - упорное кольцо; 26 - регулировочная шайба; 27 - резиновые заглушки; 28 - тяговое реле; 29 - последовательная обмотка возбуждения; 30 - параллельная обмотка возбуждения; 31 - защитная лента; 32 - тормозной диск; 33 - стяжная шпилька; 34 - ограничитель хода шестерни.
Катушки последовательной обмотки имеют небольшое число витков неизолированного медного провода прямоугольного сечения марки ПММ. Между витками катушки прокладывают электроизоляционный картон толщиной 0,2-0,4 мм. Катушки параллельной обмотки возбуждения наматывают изолированным круглым проводом марок ПЭВ-2 и ПЭТВ. Снаружи катушки изолируют лентой из изоляционного материала (хлопчатобумажная тафтяная лента, батистовая лента Б-13). Внешняя изоляция после пропитывания лаком и просушивания имеет толщину 1-1,5 мм. Перспективно применение полимерных материалов для изоляции катушек, с помощью которых можно получить равномерные по толщине, стойкие к воздействию агрессивной среды и повышенной температуре покрытия.
|
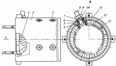
Рис. 1.2. Корпус стартера в сборе:
1 - катушка; 2 - корпус; 3 - винт полюса; 4 - изоляционная втулка; 5,6 - соответственно уплотнительная и изоляционная шайбы; 7 - шайба; 8 - выводной болт; 9 - гайка М12; 10 - пружинная шайба; 11 - изоляционный материал; 12 – полюс.
Якорь.
Якорь (рис. 1.3) стартера представляет собой шихтованный магнитопровод, в пазы которого укладываются секции обмотки. В шихтованном магнитопроводе потери на вихревые токи меньше. Пакет якоря напрессован на вал 4, вращающийся в двух или трех опорах с бронзографитовыми подшипниками или подшипниками из порошкового материала.
Пакет якоря набирают из стальных пластин (сталь 0,8кп или 10) толщиной 1-1,2 мм (рис. 1.4). Крайние пластины пакета из электроизоляционного картона ЭВ толщиной 2,5 мм предохраняют от повреждения изоляционный материал лобовых частей обмотки якоря.
В стартерных электродвигателях применяют простые волновые обмотки с одно- и двухвитковыми секциями. Одновитковые секции выполняют из неизолированного прямоугольного провода марки ПММ. Обмотки с двухвитковыми секциями наматывают круглыми изолированными проводами ПЭВ-2 и ПЭТВ.
|
Полузакрытые (или закрытые) пазы якорей могут иметь овальную или грушевидную форму.
Рис. 1.3.Якорь стартера:
а - в сборе; б - схема обмотки; в - конструкция паза; 1 - коллектор; 2 - проволока М-06 бандажа якоря; 3 - изоляционный материал; 4 - вал; 5 - крепежная скоба бандажа; 6 - прокладка под бандаж; 7 - изоляционный материал паза; 8 - провод марки ПММ.
|
Рис. 1.4.Стальная пластина якоря.
Дата добавления: 2015-08-14; просмотров: 1172;
