Расчет снегопогрузчиков лапового типа.
Во время работы машины часть сопротивлений, которые возникают при воздействии лап питателя на снег и перемещений снега, преодолеваются благодаря мощности, развиваемой двигателем и передаваемой с помощью коробки отбора мощности на рабочий орган. Работа питателя сопровождается возникновением следующих сил сопротивлений.
Сила (Н) сопротивления срезанию объема снега лапами питателя

где S - ширина полосы (размер в направлении движения погрузчика), срезаемой лапой за один ход, м;
- средняя высота срезаемого лапой объема, м;
С некоторым приближением

где vM - рабочая скорость снегопогрузчика, м/с; пл - число рабочих ходов лапы в единицу времени.
Сила (Н) сопротивления, возникающая при перемещении срезанного объема снега по поверхности лопаты,

где mc - масса срезаемого за рабочий ход лапы и перемещаемого к транспортеру снега,
(В - ширина захвата снегопогрузчика или ширина погружаемого вала, м; рс - плотность снега, кг/м3); у - угол наклона лопаты к дорожному покрытию.
При работе транспортера возникают следующие силы сопротивления. Сила (Н) сопротивления при перемещении снега транспортером

где
- масса снега, находящегося на транспортере,
(П - производительность снегопогрузчика, кг/с; L - длина рабочей части транспортера, м;
- скорость транспортера, м/с);
- угол наклона транспортера по отношению к дорожному покрытию.
Сила (Н) сопротивления при подъеме снега транспортером

Сила (Н) сопротивления, возникающая при движении транспортера,

где
- коэффициент сопротивления движению транспортера; тк - масса транспортера, кг.
Сила (Н) сопротивления врезанию ножа лопаты в вал снега

где
- средняя высота слоя снега, срезаемого ножом лопаты, м.
Сила (Н) сопротивления, возникающая при перемещении лопаты

где
- масса лопаты, приходящаяся на дорожное покрытие, кг;
- коэффициент трения металла о дорожное покрытие; i - уклон местности, выраженный через синус угла наклона дороги.
Сила (Н) сопротивления перемещению машины

где
- масса машины, кг.
Мощность (кВт), необходимая для обеспечения работы снегопогрузчика, будет складываться из мощности
передаваемой от двигателя через коробку отбора мощности, и мощности N2, необходимой для привода ведущих колес машины:

Мощность (кВт), передаваемая через коробку отбора мощности,

где
Н-м (
-длина пути перемещения снега лапой к транспортеру после срезания, м;
— коэффициент, учитывающий действие динамических нагрузок,
);
- КПД трансмиссии от двигателя к питателю;
- скорость транспортера, м/с;
- коэффициент, характеризующий сопротивление в подшипниках звездочек цепи транспортера,
;
— КПД трансмиссии от двигателя к транспортеру.
Мощность (кВт), необходимая для привода ведущих колес машины,

где η - КПД передачи от двигателя к ведущим колесам.
Расчет снегопогрузчиков с фрезерным питателем.
Работа погрузчиков этого типа сопровождается возникновением следующих наиболее значительных сил сопротивлений, вызывающих соответствующие затраты энергии: силы
сопротивления срезанию снега лопастями фрезы, силы W2 сопротивления при подъеме снега, силы W3 сопротивления при движении ленты транспортера, силы W4 сопротивления при перемещении питателя, силы
сопротивления перемещению машины.
Каждая лопасть фрезы, соприкасающаяся со снегом, срезает некоторый объем переменного поперечного сечения. Это сечение может быть охарактеризовано размером
(рис. 1.34), где
- подача питателя за его один оборот, м;
(
- частота вращения питателя, об/с. Если фреза выполнена многозаходной, имеющей z заходов, то в этом случае для каждой лопасти
.
Элементарное сопротивление срезанию
может быть выражено так:
.
Элементарная работа
, затрачиваемая в течение одного оборота фрезы при срезании стружки шириной Ь, равной ширине захвата питателя,
, где
.
Отсюда
,
где
- угол, определяющий высоту разрабатываемого слоя снега.
За один оборот фрезы будет срезан объем снега
.
Затраты энергии (Дж) на сообщение снегу скорости отбрасывания при движении фрезы с угловой скоростью со
,
где
- масса снега, подаваемая за один оборот, кг;
— коэффициент, учитывающий распределение снега по витку фрезы
;
- угол наклона винтовой линии фрезы,
; (S - шаг фрезы, м).

Рис. 32. Схема резания смета фрезой
Затраты энергии на перемещение снега фрезой к транспортеру в единицу времени
,
где П — производительность машины, кг/с;
— коэффициент внутреннего трения для снега; В — ширина захвата машины, м.
Сила (Н) сопротивления при подъеме снега ленточным транспортером
,
где
- масса снега, находящегося на транспортере, кг;
(
- скорость транспортера, м/с).
Сила (Н) сопротивления при движении ленты транспортера
,
где W - коэффициент сопротивления в опорах транспортера,
;
-масса ленты транспортера, кг;
- масса поддерживающих роликов, кг;
- масса снега, находящегося на транспортере, кг.
Кроме того, при работе машины возникают силы сопротивления при ее перемещении. Сила (Н) сопротивления при перемещении питателя
,
где
- масса питателя, приходящаяся на дорожное покрытие, кг. Сила (Н) сопротивления перемещению машины

Мощность
необходимая для работы машины и передаваемая через соответствующие механизмы, и мощность N2, необходимая для привода ведущих колес:


где
— угол трения снега о лопасть фрезы.
Расчет устойчивости снегопогрузчика.
Устойчивая работа снегопогрузчика обеспечивается при соблюдении следующих условий.
1. Тяговое усилие, необходимое для работы машины должно быть меньше сил сцепления ведущих колес с дорогой, т. е.

где
- сцепной вес машины, Н.
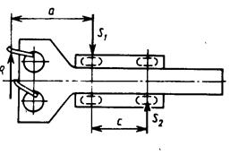
2. Момент от реакции
, возникающей на лапе питателя при срезании объема снега, должен восприниматься боковыми силами сцепления колес с дорогой (рис. 1.33).

Рис. 33. Схема действия сил на снегопогрузчик
Устойчивость машины относительно оси передних колес

и относительно оси задних колес
,
где
- боковые силы сцепления соответственно передних и задних колес, Н; а - расстояние от конца лапы при ее выдвинутом положении до оси передних колес, м; с - базовое расстояние, м.
Боковые силы сцепления

где
- реакции, приходящиеся соответственно на передние и задние колеса машины, Н;
- коэффициент трения скольжения колёс о дорожное покрытие.
Дата добавления: 2015-08-11; просмотров: 2895;
