Лекция 13. ЭКСПЛУАТАЦИЯ НИЗКОВОЛЬТНЫХ И ОПЕРАТИВНЫХ ЭЛЕКТРИЧЕСКИХ ЦЕПЕЙ
В практике используются электромеханические аппараты с применением элементов силовой электроники. Широко известны тиристорные магнитные пускатели, предназначенные для дистанционного или местного управления и защиты от перегрузки, короткого замыкания асинхронных короткозамкнутых двигателей.
Тиристорные пускатели имеют следующие преимущества: отсутствие механических коммутирующих контактов, что исключает образование электрической дуги при коммутации, плавный пуск электродвигателя, большой срок службы.
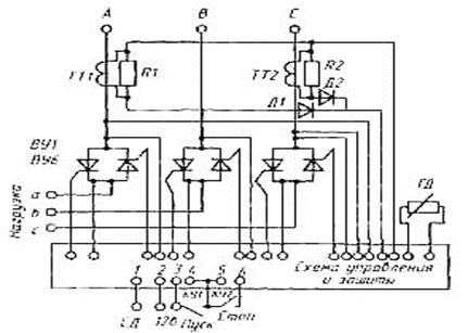
На промышленных предприятиях применяют тиристорные пускатели ПТ40-380, ПТ40-380Д (реверсивные) и другие. Электрическая схема тиристорного пускателя ПТ40-380 приведена на рис. 13.1.
Ремонт электронных аппаратов сводится в основном к проверке схем и устранению в них мелких неполадок, например нарушений контакта в местах пайки, к замене блоков, вышедших из строя, или настройке блоков, параметры которых вышли из допустимых пределов.

Рис. 13.1 Электрическая схема тиристорного пускателя ПТ40-38
Дата добавления: 2015-07-10; просмотров: 1366;
