Измерение характеристик изоляции трансформаторов
Допустимые значения сопротивления изоляции R60 коэффициент абсорбции R60 /R15 тангенс угла диэлектрических потерь tgδ и отношения С2 /C50 и ΔС/С регламентируется указанной инструкцией "Трансформаторы силовые. Транспортировка, разгрузка, хранение, монтаж и ввод в эксплуатацию" (РТМ 1б.800.723-80). Температурный режим при проведении измерений. Характеристики изоляции допускается измерять не ранее, чем через 12 часов после окончания заливки трансформатора маслом.
Характеристики изоляции измеряются при температуре изоляции не ниже 10°С у трансформаторов на напряжение до 150 кВ мощностью до 80 МВ•А и при температуре не менее нижнего значения, указанного в паспорте, у трансформаторов на напряжение выше 150 кВ или мощностью более 80 МВ•А. Для обеспечения указанной температуры трансформатор подвергается нагреву до температуры, превышающей требуемую на 10°С. Характеристики изоляции измеряются на спаде температуры при отклонении ее от требуемого значения не более, чем на 5°С. Температура изоляции определяется до измерения характеристик изоляции. В качестве температуры изоляции трансформатора, не подвергавшегося нагреву, принимается температура верхних слоев масла.
Таблица 6.2. Схемы измерения характеристик силовых трансформаторов
| Последовательность измерений | Двухобмоточные трансформаторы | |
| Обмотки, на которых производят измерения | 3аземляем части трансформатора | |
| НН | Бак, ВН | |
| ВН | Бак, НН | |
| (ВН +НН)* | Бак | |
| - | - | |
| - | - |
Измерения обязательны только для трансформаторов 16000 кВ А и более.
Для трансформаторов на напряжение выше 35 кВ, залитых маслом, в качестве температуры изоляции следует принимать температуру фазы "В" обмотки "ВН", определяемую по ее сопротивлению постоянному току. При нагреве трансформатора указанное сопротивление измеряется не ранее чем через 60 мин. после отключения нагрева обмотки током или через 30 мин после отключения внешнего нагрева.
Значения R60 изоляции, измеренные при монтаже (при заводской температуре или приведенные к этой температуре) для трансформаторов на напряжение до 35 кВ включительно, залитых маслом, должны быть не менее значений, указанных в табл. 6.1.
Коэффициент абсорбции R60/R15 обмоток для трансформаторов мощностью менее 10000 кВ•А, напряжением до 35 кВ включительно при температуре 10-30°С должен быть не ниже 1,3. Для остальных трансформаторов - соответствовать заводским данным.
Измерение тангенса угла диэлектрических потерь tgδ. Тангенс угла диэлектрических потерь tgδ обмоток измеряют мостом переменного тока P5026 по перевернутой схеме (см. рис. 6.1) в последовательности согласно табл. 6.2. Перевернутая (обратная) схема применяется для измерения диэлектрических потерь объектов, имеющих один заземленный электрод. Измерение tgδ на трансформаторах, залитых маслом, можно проводить при напряжении, не превышающем 2/3 заводского испытательного напряжения испытываемой обмотки. Измерение tgδ при сушке трансформатора без масла допускается производить при напряжении не выше 220 В. Измерения при монтаже значения tgδ изоляции обмоток при температуре заводских испытаний или приведенное к этой температуре, если температура при измерении отличается от заводской, должно быть для трансформаторов на напряжение до 35 кВ включительно залитых маслом, не выше значений, указанных в табл. 6.1.

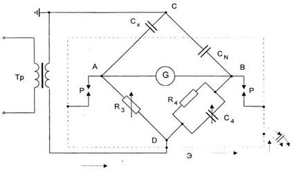
Рис. 6.1 - Перевернутая (обратная) схема включения моста переменного тока. Тр - испытательный трансформатор; СN - образцовый конденсатор; Сх - испытываемый объект; G - гальванометр; R3- переменный резистор; R4 - постоянный резистор; С4 - магазин емкостей.
Значения tgδ, приведенные к заводской температуре, не превышающие 1%, следует считать удовлетворительными без сравнения с паспортными значениями. При измерении характеристик изоляции необходимо учитывать влияние tgδ масла, заливаемого в трансформатор.
Измерение емкости. Значения С2/С50, измеренные на монтаже для трансформаторов на напряжение до 35 кВ включительно, залитых маслом, не должны превышать значений, указанных в табл. 6.1. Для трансформаторов на напряжение 110 кВ и выше, транспортируемых без масла, значения ΔС/С, измеренные по прибытии трансформаторов на место монтажа, не нормируются, но должны использоваться в качестве исходных данных в эксплуатации.
При измерении ΔС и С изоляции трансформаторов на напряжение 110 кВ и выше в конце монтажа до заливки маслом необходимо учитывать ЬС и С маслонаполненных вводов трансформаторов введением поправок (вычитанием значения, измеренного на не установленном вводе, из значения измеренного на трансформаторе с установленными вводами). Отношение С2/С50 и ΔС/С измеряются приборами ЕВ-3 или ПКВ-8 по схемам табл. 6.2. Перед измерением все обмотки должны быть заземлены не менее чем на 5 мин. Измерение емкости трансформаторов производится главным образом для определения влажности обмоток. Оно основано на том, что емкость неувлажненной изоляции при изменении частоты изменяется меньше (или совсем не изменяется), чем емкость увлажненной изоляции. Емкость изоляции принято измерять при двух частотах: 2 и 50 Гц (ΔС и С).
При измерении емкости изоляции на частоте 50 Гц успевает проявиться только геометрическая емкость, одинаковая у сухой и у влажной изоляции. При измерении емкости изоляции на частоте 2 Гц успевает проявиться абсорбционная емкость влажной изоляции, в то время как у сухой изоляции она меньше и заряжается медленно. Температура при измерениях должна быть не ниже +10°С. Отношение С2/С50 для увлажненной изоляции составляет около 2, а для неувлажненной - около 1. Определение влажности изоляции силовых трансформаторов осуществляется также по приросту емкости за 1 с. При этом методе производится заряд емкости изоляции, а затем разряды: быстрый (закорачиванием сразу после окончания заряда) и медленный (закорачиванием через 1 с после окончания заряда).
Отношение ΔС/С измеряют для каждой обмотки при соединении с заземленным корпусом свободных обмоток. Перед измерением испытуемую обмотку заземляют на 2-3 мин. Провода, соединяющие прибор с испытуемой обмоткой, должны быть возможно короче. Если значения ΔС и С проводов можно измерить по прибору, вносится поправка вычитанием ΔС и С проводов из результатов измерения полностью собранной схемы с испытываемым трансформатором. Величина отношения ΔС/С, измеренная в конце ревизии, и разность в % между величиной ΔС/С в конце и начале ревизии должны быть в пределах величины приведенных в табл. 6.3.
Таблица 6.3. Значения ΔС / С, % при различных температурах
| Мощность и напряжение обмотки ВН | Измерения | Температура, °С | ||||
| До 35 кВ включительно | В конце ревизии |
Величина ΔС/С увеличивается с повышением температуры. Поэтому, если за время ревизии трансформатора изменилась температура выемкой части и измерение ΔС/С в конце и начале ревизии производились при различных температурах, их необходимо перед сопоставлением привести к одной температуре путем умножения на коэффициент температурного пересчета К, значения которого представлены в табл. 6.4.
Таблица 6.4. Значения коэффициента температурного пересчета К
| Разность температур, 12 - 11, °С | ||||||||||
| К | 1,25 | 1,55 | 1,95 | 2,4 | 3,7 | 4,6 | 5,7 | 8,8 |
Определение влажности по коэффициенту абсорбции. Коэффициент абсорбции (R60 /R15) для неувлажненной обмотки при температуре 10 - 30 °С лежит в пределах 1,3 - 2,0; для увлажненной - близок к единице. Это различие объясняется разной длительностью заряда абсорбционной емкости у сухой и влажной изоляции.
Дата добавления: 2015-07-10; просмотров: 2192;
