Схемотехнические особенности усилителей на транзисторах. Классы усиления А, АВ, В.
Рекомендуемая литература:
1. Ф.И. Вайсбурд и др. «Электронные приборы и усилители».
М. Комкнига 2007г. 480с.
§14.5. Характеристики каскадов с различными схемами включения усилительных элементов стр. 283 - 291.
§14.6. §14.6. Режимы работы усилительных элементов стр. 292 - 295.
Тема 2.3.Использование обратных связей. Виды обратных связей: положительная и отрицательная обратная (ПОС и ООС). Схемы с использованием О ОС. 1.1. Виды обратных связей.
Предназначенный для усиления сигнал подается на вход электронного усилителя и пройдя через него попадает на выход.
Прохождение сигнала со входа на выход называется прямым прохождением. Однако часто для улучшения показателей качества усилителя в нем создают цепи для прохождения сигнала в обратном направлении, т.е. с выхода на вход.
Передача энергии сигнала или его части с выхода усилителя (напряжения или тока) на его вход называется обратным прохождением или обратной связью.
Различают следующие виды связей: внешние, внутренние, паразитные, в зависимости от тех причин, которыми они вызваны.
Внешние обратные связи в усилителях вводятся специально для улучшения их технических показателей. При внешней обратной связи часть напряжения или тока с выходной цепи усилителя с помощью специально созданных для этой цепи электрических цепей передается во входную цепь. Эти дополнительные цепи называются цепями обратной связи.
Схематически на функциональной схеме усилитель с цепью обратной связи образует замкнутый контур:

в котором β - это коэффициент обратной связи, а сама цепь называется (β - цепью. Произведение Ки* β называется петлевым усилением.
Внутренние обратные связи в электронных усилителях возникают самопроизвольно и являются следствием особенностей конструкции электрорадиоэлементов и происходящих в них физических процессов.
Обратная связь, возникающая через паразитные индуктивности и емкости, возникающие при сборке и монтаже электронной схемы (например близко расположенные проводники печатной платы, отсутствие необходимых экранов и т.п.) называются паразитными.
Внутренние и паразитные обратные связи вызывают ухудшение технических характеристик. В практике проектирование радиоэлектронных схем накоплен достаточный опыт и соответствующие рекомендации по их уменьшению и устранению.
1.2. Виды обратных связей.
В усилительных устройствах могут применяться самые различные виды реализации обратных связей. Вид обратной связи определяется по следующим основным признакам: способу снятия с выхода и подачи на вход усилителя энергии сигнала; знаку петлевого усиления, зависимости от частоты сигнала.
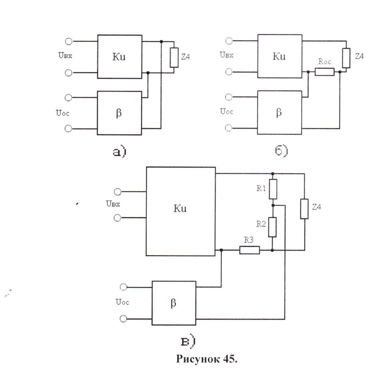
По способу снятия энергии сигнала с выхода усилителя различают обратные связи: по напряжению (рис. 44, а), по току (рис. 44, б), смещенные (комбинированные) (рис. 44, в). Структурные схемы, реализующие эти связи изображены на рисунке 44 (а, б, в).
а) обратная связь по напряжению, когда напряжение обратной связи пропорционально выходному напряжению. Вход цепи обратной связи подключен параллельно нагрузке
б) обратная связь по току, когда напряжение обратной связи пропорционально выходному току. Вход цепи обратной связи подключен последовательно с нагрузкой
в) комбинированная связь, при которой напряжение обратной связи пропорционально как выходному напряжению так и току.
|
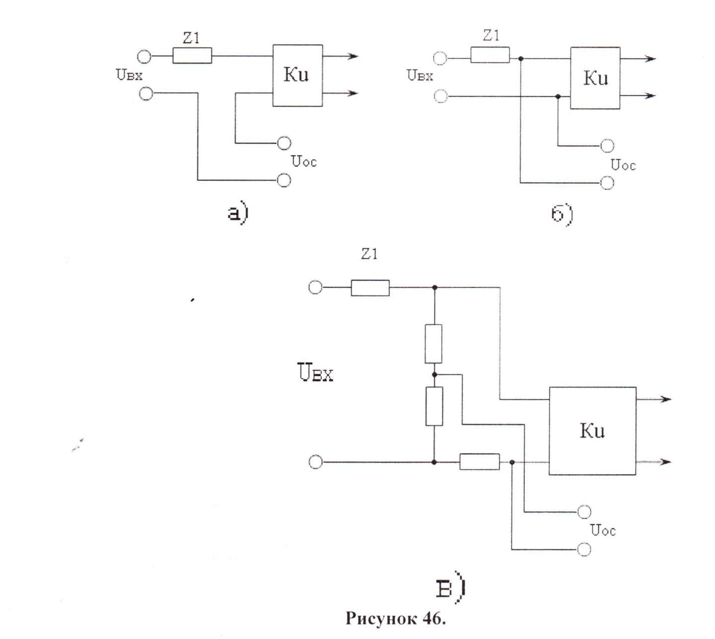
По способу подачи энергии сигнала на вход усилителя различают последовательную, параллельную и комбинированные связи рисунок 46а, б, в.
а) последовательная, когда напряжение источника сигнала включено последовательно с напряжением обратной связи (суммирование напряжения)
б) параллельная обратная связь когда напряжение обратной связи и напряжение источника сигнала складывается на общем входном сопротивлении усилителя (суммирование токов)
в) комбинированная по входу обратная связь представляющая сочетание последовательной и параллельной по входу обратной связи.
|
1.3. Положительная и отрицательная обратные связи (ПОС и ООС).
По знаку петлевого усиления различают два вида обратной связи: положительную и отрицательную (ПОС и ООС).
При положительной обратной связи напряжение ее точно совпадает по фазе с ЭДС источника сигнала, в результате чего напряжение на входе усилителя увеличивается. В усилителях положительная обратная связь применяется очень редко так как при многократном прохождении сигнала по ПОС сигнал быстро достигает своего максимального значения, ограничиваемого возможностями источника питания.
Обратная связь, напряжение которой находится точно в противофазе с ЭДС источника сигнала, называется отрицательной.
В усилительных устройствах используется в основном отрицательная обратная связь. Применение ООС позволяет стабилизировать работу усилительного каскада от различных возмущающих факторов и улучшить его технические показатели.
1.4. Схемы и использованием ООС.
В усилителях в основном используется отрицательная обратная связь. Применение ее позволяет улучшить показатели качества усилителя, в частности: повысить стабильность коэффициента усиления; уменьшить частотные, фазовые и переходные искажения; уменьшить нелинейные искажения; ограничить влияние собственных шумов.
При этом различные виды отрицательной обратной связи влияют на отдельные технические показатели усилителя по-разному.
| Как видно на рис. 46, поступающее на вход усилителя напряжение обратной связи Uос можно определить так: |
| где Р - коэффициент передачи или коэффициент обратной связи, показывающий, какую часть выходного напряжения преобразуется в напряжение обратной связи. Тогда |
Влияние отрицательной обратной связи на коэффициент усиления и его стабильность. В усилителе с обратной связью напряжение на входе изменяется в результате действия обратной связи, т.е.
где Uex - напряжение на входе до введения обратной связи;
U'вх - напряжение на входе при действии обратной связи;
Uo.с. - напряжение обратной связи.
Определим коэффициент усиления в усилителе с последовательной обратной связью по напряжению, схема которого приведена на рисунке 46.
|
|

| Разделив числитель и знаменатель на Uвx, получим |

Из этого выражения становится ясно, что отрицательная обратная связь уменьшает коэффициент усиления по напряжению в (1 + βКU) раз. Сумма 1 + βКU называется глубиной обратной связи. Она показывает, во сколько раз уменьшается коэффициент усиления при введении обратной связи. Произведение рки называется коэффициентом петлевого усиления. Он равен отношению напряжения обратной связи к первоначальному напряжению:
|
Выражение для определения коэффициента усиления усилителя, полученное для схемы с последовательной обратной связью по напряжению, справедливо для всех способов снятия напряжения обратной связи с выхода и подачи его во входную цепь усилителя.
Как видно из формулы КUo.c. = KU /(1 + βКU), при отрицательной обратной связи коэффициент усиления напряжения для каскада, охваченного обратной связью, уменьшается в (1 + βКU)раз. Следовательно, выходное напряжение усилителя также уменьшается. Поэтому для восстановления прежнего (до введения обратной связи) значения выходного напряжения надо увеличить напряжение на входе усилителя в (1 + βКU) раз.
Коэффициент усиления усилителя должен быть постоянным. Однако на показатели усилителя действует ряд дестабилизирующих факторов: нестабильность источников питания, разброс параметров элементов схемы и их старение, изменение температуры окружающей среды и т. д. Все это вызывает нестабильность параметров, в том числе и коэффициента усиления.
При отрицательной обратной связи нестабильность коэффициента усиления уменьшается пропорционально глубине обратной связи.
Физическая сущность стабилизации коэффициента, усиления состоит в следующем. Если, например, по каким-либо причинам усиление увеличилось, то напряжение на выходе возрастаем вызывая увеличение напряжения обратной связи, что ведет к уменьшению напряжения на входе, а следовательно, и на выходе. В результате напряжение на выходе изменится незначительно. При уменьшении усиления уменьшается выходное напряжение и, соответственно, уменьшится напряжение обратной связи, что приведет к возрастанию входного напряжения, а значит и выходного. Таким образом, изменения коэффициента усиления будут уменьшены. При глубокой отрицательной обратной связи нестабильность коэффициента усиления уменьшается значительно.
Влияние отрицательной обратной связи на частотную, фазовую и переходную характеристики. Частотно - независимая отрицательная обратная связь улучшает частотную, фазовую и переходную характеристики усилителя, расширяя полосу усиливаемых частот. Это происходит потому, что на крайних частотах диапазона, где усиление без обратной связи уменьшается, глубина обратной (1 + βКU) также уменьшается. А так как напряжение обратной связи уменьшается, то суммарное напряжение на входе возрастает и усиление увеличивается. В результате края частотной характеристики поднимаются и полоса усиливаемых частот расширяется, как показано на рис. 47, на котором кривая 1 - частотная характеристика усилителя без обратной связи, кривая 2 частотная характеристика усилителя с отрицательной обратной связью. Таким образом отрицательная обратная связь выравнивает частотную характеристику.
|
Отрицательная обратная связь уменьшает фазовые сдвиги в усилителе, и фазовая характеристика приближается к линейной. Фазовые искажения в усилителе под действием отрицательной обратной связи уменьшаются.
Переходная характеристика в усилителях с отрицательной обратной связью также улучшается, поскольку уменьшается время восстановления. Это происходит вследствие уменьшения входной емкости усилительных приборов под действием отрицательной обратной связи. Спад вершины импульса уменьшается в результате стабилизации коэффициента усиления усилителя, т. е, подъема частотной характеристики.
В усилителях часто бывает необходимо скорректировать (исправить) определенный участок частотной характеристики. Для этого используется частотно - зависимая отрицательная обратная связь, в цепи которой имеются частотно - зависимые элементы (индуктивности, емкости).
Принцип действия частотно - зависимой отрицательной обратной связи рассмотрим на примере цепи, состоящей из резистора Ro.c. и конденсатора Сo.c. (рис. 49, а). На высоких частотах сопротивление конденсатора Со.c. уменьшается, шунтируя выход цепи обратной связи.
С повышением частоты шунтирующее действие емкости возрастает и напряжение на выходе цепи обратной связи уменьшается. Частотная характеристика коэффициента передачи напряжения цепи обратной связи |3 снижается (участок БВ на рис. 49, б), т.е действие обратной связи уменьшается и коэффициент усиления каскада увеличивается. Частотная характеристика в корректируемой области частот поднимается (участок БВ на рис. 49, в). На рис.48, в кривая 1 изображает частотную характеристику усилителя без обратной связи, кривая 2 - частотную характеристику усилителя с цепью обратной связи, 'содержащей Ro.с. и Со.c.
|
В усилительных устройствах применяют самые различные схемы частотно - зависимых цепей обратной связи, которые обеспечивают корректировку заданного участка частотной и фазовой характеристик.
Напомним, что отрицательная обратная связь изменяет коэффициент усиления, а также частотную и фазовую характеристики только той части устройства, которая охвачена петлей обратной связи.
Влияние отрицательной обратной связи на входное и выходное сопротивления. Различные ионы отрицательной обратной связи влияют на входное и выходное сопротивления усилителя по - разному.
Характер изменения входного сопротивления усилителя, охваченного отрицательной обратной связью, определяется способом введения сигнала во входную цепь и не зависит от способа снятия его с выходной цени.
Последовательная отрицательная обратная связь по напряжению увеличивает входное сопротивление усилителя. Это можно объяснить так. Поскольку напряжение отрицательной обратной связи противоположно по фазе напряжению источника входного сигнала, напряжение на входе усилителя и входной ток уменьшаются, что эквивалентно увеличению входного сопротивления.
|
Входное сопротивление усилителей обычно имеет активную RBX и емкостную Хс составляющие. Так как в цепи обратной связи сдвига по фазе нет, то и активная и емкостная составляющие входного сопротивления возрастают одинаково (1+(ЗК) раз:
|
Увеличение емкостной составляющей входного сопротивления эквивалентно уменьшению входной емкости в (1 + (Ж) раз:
|
Входное сопротивление усилителя, охваченного отрицательной обратной связью, можно определить по формуле
Параллельная обратная связь по напряжению уменьшает входное сопротивление усилителя. Это происходит потому, что сопротивление обратной связи шунтирует входное сопротивление усилителя.
Изменение входной емкости при параллельной отрицательной обратной связи зависит от характера цепи обратной связи. Если обратная связь осуществляется через конденсатор, то она увеличивает входную емкость, а если через резистор, - то не изменяет входную емкость.
Аналогично этому последовательная отрицательная обратная связь по току увеличивает входное сопротивление усилителя, охваченного обратной связью, а параллельная - уменьшает его.
При всех видах отрицательной обратной связи входное сопротивление усилителя зависит от коэффициента усилении KU, а следовательно, и от сопротивления нагрузки Rи. и остается нестабильным. Это видно из формул для Zвх.о.с. и Rвх.о.с.
Во многих усилительных устройствах требуется обеспечить стабильное входное сопротивление, не зависящее от коэффициента усилении Ки и сопротивления нагрузки RH. Это достигается применением комбинированной отрицательной обратной связи, т. е. последовательно - параллельной. Подбирая коэффициенты передачи цепей обратной связи, можно получить заданное стабильное входное сопротивление.
Изменение выходного сопротивления усилителя, охваченного последовательной отрицательной обратной связью по напряжению, определяется способом снятия сигнала с выхода усилителя и не зависит от способа введения ее во входную цепь усилителя.
Последовательная отрицательная обратная связь по напряжению уменьшает выходное сопротивление усилителя и увеличивает выходную емкость: Rвых.о.с. = Rвых/(1+βК); Свых.о.с.= Свых/(1+βК);
Уменьшение выходного сопротивления усилителя при отрицательной обратной связи по напряжению объясняется тем, что при возрастании выходного напряжения усилителя увеличивается напряжение обратной связи. В результате этого напряжение на входе усилителя, равное разности U - Uо.с, уменьшается, вызывая уменьшение Uвыx, что эквивалентно снижению выходного сопротивления.
Аналогичное действие оказывает и параллельная отрицательная обратная связь по напряжению.
Последовательная отрицательная обратная связь по току увеличивает выходное сопротивление усилителя и уменьшает выходную емкость. Такие же изменения вносит и параллельная отрицательная обратная связь по току.
Поэтому с целью уменьшить зависимость выходного сопротивления от нестабильности параметров усилителя применяют смешанную отрицательную обратную связь - по току и по напряжению.
Влияние отрицательной обратной связи на нелинейные искажения и динамический диапазон усилителя. В процессе работы усилителя из- за нелинейности вольт - амперной характеристики усилительных приборов (транзисторов, ламп) возникают нелинейные искажения, т. е. появляются новые гармоники, которых не было на входе усилителя. По цепи обратной связи они поступают на вход усилителя и, пройдя через усилитель, оказываются на выходе, но уже в противофазе с первоначально возникающими гармониками. Поэтому амплитуды паразитных гармоник на выходе усилителя оказываются ослабленными. А значение напряжения полезного сигнала доводится до прежнего увеличением входного напряжения в (1 + βК) раз. Следовательно, введение отрицательной обратной связи увеличивает соотношение между полезным сигналом и паразитными гармониками, возникающими в усилителе.
Таким же образом отрицательная обратная связь уменьшает на выходе напряжения различных помех, возникающих в усилителе. Следует отметить, что отрицательная обратная связь уменьшает только те помехи, которые возникают в самом усилителе, охваченном обратной связью, но не уменьшает помехи, подведенные ко входу усилителя вместе с полезным сигналом.
Благодаря уменьшению внутренних помех расширяется динамический диапазон усилителя. Такое действие отрицательной обратной связи наблюдается при всех способах введения и снятия обратной связи.
Самостоятельная работа
Применение обратных связей в схемах АЭУ
Рекомендуемая литература:
1. Вайсбурд Ф.И. и др. «Электронные приборы и усилители» М. Комкнога 2007 480с.
§13.2. Влияние обратных связей, стр. 252 - 264.
Тема 2.4. Операционные усилители: структура, параметры, применение. Схемы включения операционных усилителей.
Операционным усилителем называют усилитель постоянного тока, предназначенный для работы с глубокой отрицательной обратной связью и выполнения ряда математических операций над входным сигналом. Это может быть: сложение, вычитание, деление, дифференцирование, интегрирование и т.д.
Усилители постоянного тока отличаются от усилителей переменного тока тем, что позволяют усиливать медленно изменяющиеся сигналы (например для сигнала fсигналов = 0). Поэтому на входе и выходе между каскадами у них должны отсутствовать реактивные компоненты, т.е. конденсаторы, трансформаторы и т.п. которые не пропускают постоянную составляющую.
Однако у усилителей постоянного тока, т.е. имеющих между собой и внутри себя только чисто гальванические связи наблюдается изменение выходного сигнала при закороченном на корпусе входе. Это явление называется дрейфом нуля усилителя постоянного тока и оно объясняется нестабильностью источника питания, влиянием температуры на режим работы усилительных элементов (параметры транзистора зависят от температуры), изменением или смещением точки покоя П транзистора, шумами и наводками от внешних источников.
С целью снижения дрейфа нуля используются различные способы и схемно-технические методы. Одним из наиболее целесообразных практически реализуемым является использование параллельно - балансной схемы, когда два усилительных элемента связаны посредством отрицательной обратной связи. Дальнейший анализ способов совершенствования таких схем усиления привел к созданию сначала достаточно простых, а затем все более совершенных, но усложненных схем дифференциальных усилителей.
Дифференциальным усилителем называется симметричный каскад с двумя входами и двумя выходами. Дифференциальный каскад выполняется по принципу сбалансированного моста (рис. 50), два плеча которого образованы резисторами Rк1, и Rk2, а два других транзисторами VT1 и VT2.
|
На рис. 50, б представлена упрощенная схема замещения, на которой транзисторы показаны динамически изменяющимися сопротивлениями. Баланс моста в схеме б) достигается при симметрировании плеч моста. R1=R2; RVT2=RVT2- значение величины тока через мост определяется величиной R0
|
т.е. оно не зависит от напряжений на входе и является постоянной величиной, это означает что сумма токов IК1 + Iк2 = const, следовательно при увеличении тока через VT1, ток через VT2 уменьшается в результате появляется разница напряжений на коллекторах VT1 и VT2 и эта разница является выходным напряжением дифференциального каскада. На базы транзисторов VT1 и VT2 может подаваться один и тот же сигнал - в этом случае он называется синфазным. При подаче синфазного сигнала напряжения на коллекторах VT1 и VT2 в идеальном случае должно быть одинаковым, следовательно Uвых= 0. Но практически из - за неодинаковости характеристик транзисторов может появляется Uвых
. Однако этот сигнал в несколько раз меньше входного. Отношение UBX/UBblx = Кс называется коэффициентом ослабления синфазного сигнала. Этот параметр характеризует качество балансировки мостовой схемы каскада и от него зависит величина дрейфа UBblx. При хорошей балансировке каскада если базы транзисторов VT1 и VT2 подключены к потенциалу земли, то UBblx = 0. Тмалое имеющееся в схеме сопротивление R, обеспечивает отрицательную обратную связь, которая способствует восстановлению равенства UK1 = Uk2 при появлении каких - либо дестабилизирующих факторов.
Кроме того в схемах дифференциальных усилителей для увеличения коэффициента ослабления синфазного сигнала вводится в цепь эмиттеров VT1 и VT2 генератор постоянного тока с целью более четкой фиксации I0. Это приводит к усложнению схемы, но обеспечивает улучшение ее технических параметров. Развитие схемотехники дифференциальных усилителей на дискретных элементах показало, что они получаются очень громоздкими и дорогостоящими, поскольку включают в себя десятки усилительных элементов, диодов, резисторов и т.д. Поэтому только освоение технологии производства интегральных микросхем позволило построить на их базе операционные усилители (ОУ), обладающие многофункциональными возможностями, малыми габаритами, большой надежностью и экономической целесообразностью.
В настоящее время ОУ выпускаются в виде полупроводниковых интегральных микросхем и используются для построения различных электронных приборов и устройств. Операционные усилители имеют один или выхода.
|
Операционный усилитель, имеющий два симметричных входа, выходной сигнал которого является функцией входного напряжения или тока
называется дифференциальным. Один из входов (обозначается « V ») называется инвертирующим и характеризуется изменением фазы выходного сигнала относительно входного на 180°. Второй вход ОУ называется неинвертирующим. Выводы +U и -U предназначены для подключения ОУ к двухполярному источнику питания. Остальные выводы позволяют более точно
отрегулировать «ноль» на выходе или скорректировать частотную характеристику ОУ и т.п.
Первые операционные усилители, например К140УД1 и т.п. имели трехкаскадную структурную схемудва
:
|
На этой схеме входной усилительный каскад выполнен на транзисторах VT1 и VT2 по дифференциальной схеме. Выходы первого каскада связаны со входами второго каскада на транзисторах VT5 и VT6 также по дифференциальной схеме. Транзисторы VT3 и VT4 представляют схему генератора стабильного тока для первого и второго каскада. Выходной сигнал со второго каскада снимается с резистора R8 и подается на базу выходного усилителя на VT7 и VT8. Двухполяное питание подается на контакты 7 и 1. Микросхема имеет два входа 10 и 9. Выходной сигнал снимается с контакта 5. Контакты 12, 2, 3, 4 предназначены для создания дополнительных электрических цепей в схеме устройства где применяется данная микросхема.
В настоящее время ОУ представлены сериями К140, К544, К553, К574 и др. отличающимися различной степенью сложности, технологическими особенностями (использование биполярных или полевых транзисторов) и разнообразием технических параметров.
1.3. Параметры ОУ
Как и все электронные приборы, ОУ характеризуются своими параметрами - основными показателями, по которым выбирают тот или иной прибор для применения в реальной схеме. Параметры различных типов ОУ меняются в довольно широких пределах.
Рассмотрим параметры ОУ.
Входное сопротивление - дифференциальное сопротивление переменному току на входе Rвхдиф =
Uвхдиф/
Iвх - отношение приращения дифференциального входного напряжения к соответствующему приращению тока неинвертирующего входа в режиме к.з.
Идеальное Rвхдиф —>∞. Реальное Rвх в зависимости от схемы входного каскада ОУ составляет от 4...5 кОм до десятков мегОм. Большое RBx позволяет обеспечить управление усилителем при наименьших затратах мощности источником сигнала и передать на вход ОУ без потерь напряжение источника сигнала.
Обычно в ОУ происходит большое подавление синфазной составляющей, и поэтому входное синфазное сопротивление RBX с на несколько порядков больше
Rвх диф.
Средний ток Iвх - среднее арифметическое значение постоянных входных токов инвертируемого и неинвертируемого входов и отсутствие сигнала. Обычно Iвх не превышает сотен наноампер.
Входной ток сдвига ∆ Iвх = I+ вх - I- вх разность между входными токами. Входной ток сдвига в несколько раз меньше среднего входного тока.
Напряжение смещения UCM - напряжение постоянного тока, которое должно быть приложено к дифференциальному входу ОУ, чтобы его Uвых = 0. Обычно составляет не более единиц милливольт.
Дрейф выходного напряжения смещения ɛсм=∆ UCM /∆Т0С отношение изменения входного напряжения смещения к изменению окружающей температуры. Обычно составляет 1 ... 5 мкВ/°С.
Выходное сопротивление Rвых - внутреннее сопротивление выхода ОУ. Идеальное Rвых—> 0, при этом все выходное напряжение выделяется без потерь в нагрузке. Реальное Rвыхсоставляет единицы и сотни Ом.
Коэффициент усиления К= ∆Uвых/∆Uдиф = ∆Uвых(∆U+вх - ∆U-вх)отношение изменения Uвых к соответствующему изменению разности входных напряжений при разомкнутой цепи обратной связи. В идеальных ОУ К—>∞, в реальных ОУ К составляет от сотен до сотен тысяч. Так как Uвых ограничено напряжением источника питания, которое обычно не превышает 10... 15 В, то при очень больших коэффициентах усиления Uвx очень мало. При больших Uвx транзисторы попадают в режим насыщения.
Полоса пропускания - полоса частот, в которой Uвыхуменьшается не более чем до 0,707 своего максимального значения и неизменной амплитуде на входе.
Идеальная полоса пропускания ОУ —>∞ . Реальная полоса пропускания ограничена. Максимальную частоту полосы пропускания иногда называют
частотой среза. Иногда указывается частота единичного усиления fb при которой коэффициент усиления уменьшается до 1.
Скорость нарастания выходного напряжения VUвых =∆Uвых/∆t - отношение приращения ∆ Uвых к интервалу времени ∆t, за который происходит это приращение, при подаче на вход прямоугольных импульсов. Чем выше частота среза, тем больше скорость нарастания выходного напряжения.
Время установления выходного напряжения tнар — время, в течение которого Uвых ОУ изменяется от уровня 0,1 до уровня 0,9 установившегося значения Uвых при воздействии на вход ОУ прямоугольных импульсов.
Время установления также пропорционально частоте среза.
Максимальный выходной ток Iвыхтах — предельная амплитуда выходного тока, который может быть дан в нагрузку.
Максимальная мощность рассеяния Ртах - максимально допустимая мощность, которая может быть рассеяна ОУ при наличии входного напряжения и подключенной нагрузке.
Требования, предъявляемые к параметрам ОУ, зависят от выполняемых функций. В каждом конкретном случае выбирают тот ОУ, у которого параметры в наибольшей степени удовлетворяют предъявленным требованиям.
В связи с тем что существует определенное противоречие в получении нескольких групп оптимальных параметров ОУ, приходится изготовлять ОУ специального назначения, например, высокочастотные ОУ с широкой полосой пропускания, большой скоростью нарастания выходного напряжения и т. д., но в этом случае трудно получить ОУ с минимальными погрешностями на входе. В других случаях добиваются наибольшей точности параметров. Такие ОУ получили название прецизионных (высокоточных).
Таким образом, имеются ОУ общего назначения - универсальные, многофункциональные, которые больше всего применяют в аппаратуре связи, и ОУ частного применения, которые имеют оптимальные значения по ка- кой-то группе параметров.
Поскольку в зависимости от своего назначения усилительные устройства способны воспринимать и усиливать входные сигналы в определенном диапазоне значений постоянного или переменного тока необходимо знать их амплитудно - амплитудную характеристику (передаточная характеристика) и амплитудно - частотную характеристику (АЧХ).
|
В диапазоне Uвыx макс - Uвыx мин характеристика практически линейна. Этот диапазон называется областью усиления. В области насыщения с ростом UBX увеличения Uвых не происходит. Границы областей Uвых макс - Uвых мин отличаются от значений Uпит + - Uпит - как правило примерно ЗВ от соответствующих питающих напряжений, а напряжения входного сигнала зависят от выбранного коэффициента усиления, которое определяется выбором величины сопротивления обратной связи в цепи ООС. Собственное значение коэффициента усиления ОУ как правило может быть порядка 100 ÷ 1000 раз.
Амплитудная характеристика идеального ОУ проходит через нулевую точку, но для реальных ОУ она как правило сдвинута вправо или влево от нуля, следовательно для того чтобы добиться значения Uвых = 0 надо подать на вход ОУ напряжение, которое называется напряжением смещения нуля U0. Поэтому в некоторых схемах интегральных ОУ имеются специальные выводы для балансировки U0.
Амплитудно - частотная характеристика ОУ отличается от АЧХ каскада предварительного усиления равномерностью коэффициента усиления от 0Гц до некоторого верхнего значения fBepx Гц, где начинается снижение коэффициента усиления. Обычно АЧХ строится в логарифмическом масштабе и для ее обозначения применяется сокращение ЛАЧХ.
|
Где Кр - коэффициент усиления мощности Р в децибелах
frp - граничная частота полосы пропускания на уровне - 3дБ. Частотные возможности ОУ определяются также частотой единичного усиления f1. Причем f1 = Kpмакс*frp, т.е. частота единичного усиления равна произведению коэффициента усиления на полосу пропускания. Интеграторы.
Интеграторы предназначены для интегрирования во времени входных сигналов длительностью tu и например постоянной амплитуды. Элементарная схема интегратора с ОУ имеет вид:
|
RC - постоянная времени интегрирования, определяемая значениями R и С. Обычно интегратор работает в три этапа: подготовка (сброс), интегрирование и хранение. Схема используется в различных измерительных приборах.
|
Дифференциаторы применяются когда необходимо преобразовать напряжение заданной формы в импульсные сигналы адекватные длительности фронта нарастания и спада этого напряжения. Схемы данного типа могут использоваться для измерения времени быстропротекающих процессов в электронной технике.
Дата добавления: 2015-08-11; просмотров: 4212;

где Uex - напряжение на входе до введения обратной связи;
U'вх - напряжение на входе при действии обратной связи;
Uo.с. - напряжение обратной связи.
Определим коэффициент усиления в усилителе с последовательной обратной связью по напряжению, схема которого приведена на рисунке 46.
RC - постоянная времени интегрирования, определяемая значениями R и С. Обычно интегратор работает в три этапа: подготовка (сброс), интегрирование и хранение. Схема используется в различных измерительных приборах.