Объемные насосы.
Принцип действия и типы поршневых насосов. Поршневые насосы относятся к объемным насосам. На рис.7.14 приведена схема поршневого насоса простого (одинарного) действия.

Рис.7.14. Схема поршневого насоса:
1 - цилиндр, 2 - поршень, 3 - всасывающей клапан, 4 - нагнетательный клапан,
5 - шток, 6 - ползун, 7 - шатун, 8 - кривошип, 9 - маховик.
В поршневом насосе всасывание и нагнетание жидкости происходит при возвратно-поступательном движении поршня в цилиндре насоса. При движении поршня вправо в замкнутом пространстве цилиндра создается разрежение. Под действием разности давлений в приемной емкости и цилиндре жидкость поднимается по всасывающему трубопроводу и поступает в цилиндр через открывающийся при этом всасывающий клапан. Нагнетательный клапан при ходе поршня вправо закрыт, т.к. на него действует сила давления жидкости, находящейся в нагнетательном трубопроводе. При ходе поршня влево в цилиндре возникает давление, под действием которого закрывается всасывающий клапан и открывается нагнетательный клапан. Жидкость через нагнетательный клапан поступает в напорный трубопровод. Всасывание и нагнетание жидкости поршневым насосом простого действия происходит неравномерно: всасывание - при движении поршня слева направо, нагнетание - при обратном направлении движения поршня. В данном случае за два хода поршня жидкость один раз всасывается и один раз нагнетается.
Поршень насоса приводится в движение кривошипно-шатунным механизмом, преобразующим вращательное движение вала, на котором установлен кривошип, в возвратно-поступательное движение поршня.
В зависимости от конструкции поршня различают собственно поршневые и плунжерные насосы. В поршневых насосах основным рабочим органом является поршень, снабженный уплотнительными кольцами, пришлифованными к внутренней поверхности цилиндра. Плунжер не имеет уплотнительных колец и отличается от поршня значительно большим отношением длины к диаметру.
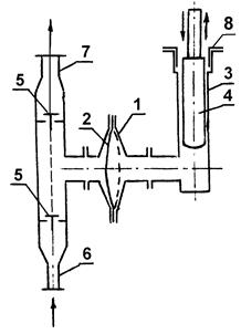
По числу всасываний или нагнетаний, осуществляемых за один оборот кривошипа или за два хода поршня, насосы делятся на насосы простого (рис.7.14) и двойного (рис.7.15) действия. Более равномерной подачей, чем насосы простого действия обладают насосы двойного действия, которые имеют четыре клапана: два всасывающих и два нагнетательных. При ходе поршня 2 вправо жидкость всасывается в левую часть цилиндра 1 через всасывающий клапан 3 и одновременно через нагнетательный клапан 6 поступает из правой части цилиндра в напорный трубопровод; при обратном ходе поршня всасывание в правой части цилиндра через всасывающий клапан 4, а нагнетание в левой части цилиндра через клапан 5.
Рис.7.15. Схема поршневого насоса двойного действия: 1 – цилиндр; 2 – поршень; 3, 4 – всасывающие клапаны; 5, 6 – нагнетательные клапаны.
|
Рис.7.16. Схема дифференциального плунжерного насоса: 1 – плунжер; 2, 3 – цилиндры; 4, 5 – всасывающий нагнетательный клапаны; 6 – сальниковые уплотнители.
|
Таким образом, в насосах двойного действия всасывание и нагнетание происходят при каждом ходе поршня, вследствие чего производительность насосов этого типа больше и подача равномернее, чем у насосов простого действия.
На рис.7.16 представлена схема дифференциального плунжерного насоса. Работает насос следующим образом. При движении плунжера влево закрывается всасывающий клапан 4 и открывается нагнетательный клапан 5, через который часть жидкости проходит в нагнетательный трубопровод, а вторая часть в правый цилиндр 3. При движении плунжера в право закрывается нагнетательный 5 и открывается всасывающий клапан 4, при этом из всасывающего трубопровода жидкость поступает в цилиндр 2; в то же время жидкость плунжером вытесняется из цилиндра 3 и поступает в нагнетательный трубопровод. Таким образом, за один оборот кривошипа всасывается жидкость один раз (при ходе плунжера вправо). В нагнетательную трубу, этот объем жидкости подается за два приема (ход плунжера влево и ход вправо). Следовательно, дифференциальный насос работает на всасывающей стороне как насос одинарного действия, а на нагнетательной стороне - как насос двойного действия. По сравнению с насосом одинарного действия преимуществом дифференциального насоса является большая равномерность подачи. В отличие от поршневых насосов уплотнение в плунжерных достигается с помощью сальников, что является определенным преимуществом, так как не требует столь тщательной обработки поверхности цилиндра и позволяет перекачивать загрязненные жидкости.
Диафрагмовые насосы. Диафрагмовые (мембранные) насосы применяются для перекачивания жидкостей, химически действующих на рабочие органы насоса. В таких насосах роль поршня выполняет упругая диафрагма - мембрана. На рис. 7.21 дана схема мембранного насоса.

Рис.7.21. Схема диафрагмового насоса:
1 - корпус; 2 - диафрагма (мембрана); 3 - цилиндр; 4 - плунжер; 5 - клапаны; 6, 7 - всасывающий и нагнетательный патрубки; 8 - сальниковые уплотнители.
Цилиндр (3), в котором возвратно - поступательно движется плунжер (4), заполнен неагрессивной жидкостью. При его движении вверх происходит изменение объема камеры перед диафрагмой и давления жидкости в ней, которое передается через мембрану перекачиваемой жидкости. При этом всасывающий клапан поднимается и через него происходит засасывание агрессивной жидкости в клапанную коробку и в освободившийся объем перед мембранной. При обратном ходе плунжера давление неагрессивной жидкости под плунжером возрастает и мембрана вследствие этого движется влево. Всасывающий клапан в клапанной коробке закрывается и открывается нагнетательный клапан, а агрессивная жидкость через патрубок (7) перекачивается в нагнетательный трубопровод.
Клапанная коробка и клапаны изготавливаются из химически стойких материалов; упругая диафрагма - из каучука или стали.
Объемные роторные насосы работают как и поршневые по принципу вытеснения жидкости. В отличие от поршневых насосов в конструкции роторных насосов всасывающих и нагнетательных клапанов нет. Главными частями роторного насоса являются: статор или неподвижная часть насоса; ротор, вращающийся от ведущего вала, и вытеснители, вращающиеся вместе с ротором.
В зависимости от вида вытеснителей роторные насосы бывают шестеренные, пластинчатые и винтовые.
Шестеренные насосы. Наиболее простым и распространенным из роторных насосов является шестеренный насос, схема которого представлена на рис.7.22.
. 
Рис.7.22. Схема шестеренного насоса:
1 - корпус; 2,3 - шестерни; 4, 5 - всасывающий и нагнетательный патрубки.
Рабочей частью насоса являются две шестерни с внешним зацеплением, плотно охватываемые корпусом насоса. Ведущая шестерня получает вращение от двигателя, другая шестерня, вращающаяся в противоположную сторону, является ведомой. Направление вращения шестерен на рис.7.22 показано стрелками. При вращении шестерен жидкость захватывается впадинами между зубьями и переносится ими из области всасывания в область нагнетания, где затем она вытесняется из впадин, когда зубья вступают в зацепленье, и проталкивается в нагнетательный патрубок 5. Во время вращения зубчатых шестерен всасывание жидкости происходит с той стороны, где зубья выходят из зацепления.
Эти насосы отличаются равномерностью подачи и могут работать при больших числах оборотов, достигая 50 об/с. Они могут перекачивать сильно вязкие и густые жидкости. Шестеренные насосы обладают реверсивностью, т.е. при изменении направления вращения шестерен области всасывания и нагнетания меняются местами. Объемный к.п.д hn шестеренного насоса достигает 0,7 - 0,9.
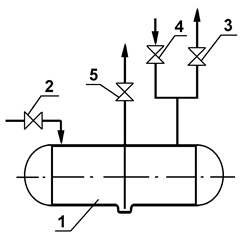
Пневматический насос Монтежю. Пневматические насосы относятся к объемным насосам и работают по принципу вытеснения из резервуара жидкости газом (воздухом). Схема такого насоса показана на рис.7.25.

Рис.7.25. Схема пневматического насоса Монтежю:
1 - резервуар; 2 - кран для впуска жидкости в резервуар; 3 - кран для выпуска воздуха из резервуара; 4 - кран для впуска сжатого воздуха; 5 - кран на нагнетательной трубе.
Насос Монтежю работает следующим образом. Жидкость поступает в резервуар 1 самотеком через кран 2. В это же время должен быть открыт кран 3, через который удаляется воздух из резервуара. Когда резервуар наполнится жидкостью краны 2 и 3 закрывают, а краны 4 и 5 открывают. Через кран 4 поступает сжатый воздух и вытесняет жидкость через кран 5 в нагнетательный трубопровод. Насос Монтежю является насосом периодического действия, так как после удаления жидкости из резервуара цикл его работы снова повторяется. Насос этот применяется для перекачивания небольших объемов химически агрессивных жидкостей. Он прост по конструкции, но имеет низкий к.п.д. (0,1 - 0,25).
Дата добавления: 2015-07-10; просмотров: 4211;

Рис.7.15. Схема поршневого насоса двойного действия: 1 – цилиндр; 2 – поршень; 3, 4 – всасывающие клапаны; 5, 6 – нагнетательные клапаны.
Рис.7.16. Схема дифференциального плунжерного насоса: 1 – плунжер; 2, 3 – цилиндры; 4, 5 – всасывающий нагнетательный клапаны; 6 – сальниковые уплотнители.