IV. ВХОДНЫЕ ЦЕПИ
Входной цепьюрадиоприемного устройства называют цепь, связывающую антенно-фидерное устройство с первым каскадом усиления или преобразования частоты радиосигнала.
Основное ее назначение - предварительная частотная селекция принимаемого сигнала от помех, ухудшающих реальную чувствительность радиоприемного устройства.
Структура входной цепи существенно зависит от назначения и условий работы радиоприемника и представляет собой пассивный частотно-избирательный 4-полюсник.
В общем случае приемная антенна может быть представлена в виде эквивалентного активного двухполюсника, содержащего либо генератор ЭДС, с внутренним сопротивлением
, либо генератора тока
. с внутренней проводимостью
.
Если размеры антенны малы по сравнению с длиной волны принимаемого излучения, то сопротивление
складывается из сопротивлений элементов последовательного колебательного контура.
Рис.4. 1
|
На более длинных волнах, когда влиянием
,
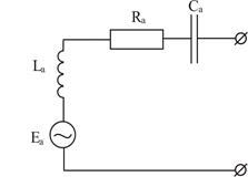
можно пренебречь, получаем эквивалентную схему антенны, содержащую последовательно включенные Еа, Са. Антенны, имеющие такие эквивалентные схемы, обычно используются в диапазонных приемниках умеренно высоких частот и называются ненастроенными антеннами.
В диапазоне СВЧ применяются антенны, настроенные на среднюю частоту принимаемых сигналов, поэтому такие антенны называются настроеннымии их эквивалентную схему можно представить в виде последовательного соединения Еа, Ra. Важным параметром настроенных антенн является номинальная мощность сигнала в антенне, определяемая по формуле (4.1):
(4.1)
Основными качественными показателями входной цепи являются:
1. Коэффициент передачи но напряжению, который определяется как отношение напряжения U сигнала на входе активного элемента к величине ЭДС Е генератора, эквивалентного антенно-фидерной системе:
(4.2)
Поэтому коэффициент передачи входной цепи зависит не только от самого входного устройства, но и от сопротивления антенны Zа.
На метровых и более коротких волнах при данной напряженности поля сигнала антенно-фидерную систему вместе с ЭДС Е, можно характеризовать величиной номинальной мощности Рном. Следовательно, антенную цепь можно характеризовать коэффициентом использования мощности или коэффициентом передачи по мощности.
(4.3)
Потери во входном устройстве удобно учитывать соответствующим входной проводимостью активного элемента Gвхи выходной проводимостью антенно-фидерной системы g.Тогда величина Кр характеризует только рассогласование входа активного элемента с антенно-фидерной системой.
Модуль коэффициента передачи по напряжению К и коэффициент использования номинальной мощности Крсвязаны простой зависимостью
, (4.4)
где
.
Столь простая связь величин К и Крпозволяет в дальнейшем рассматривать лишь одну из них.
Из полученного выражения можно определить предельно-достижимый коэффициент передачи по напряжению. В идеальном случае, при полном согласовании и отсутствии потерь во входном устройстве, во входную проводимость первого активного элемента передается поминальная мощность антенно-фидерной системы (Кр = 1), тогда
. (4.5)
Потери во входном устройстве и рассогласование уменьшают коэффициент передачи по напряжению К.
Наибольший интерес представляет резонансная величина модуля коэффициента передачи по напряжению Кр,так как она характеризует
передачу полезного сигнала, на частоту которого настроено входное устройство. Обычно
, т.е. большинство входных устройств увеличивают напряжение на входе активного элемента по сравнению с величиной ЭДС антенно-фидерной системы. Подчеркнем, что увеличение сигнала достигается за счет трансформации напряжения, а не путем усиления, которое производится активными элементами с дополнительным источником энергии.
2. Полоса пропускания входной цепи, в пределах которой неравномерность передачи составляющих спектра принимаемого сигнала не превышает 3 дб.
3. Избирательность S1 при заданной расстройке f показывает степень подавления мешающей станции. Для входных устройств супергетеродинных приемников важное значение имеет ослабление приема на зеркальной частоте, которая отличается от частоты полезного принимаемого сигнала на две номинальные промежуточные частоты, а также ослабление приема па частоте, равной номинальной промежуточной частоте. Таким образом, входные цепи супергетеродинных приемников обеспечивают избирательность по зеркальному каналу и по каналу прямого прохождения.
4. Диапазон рабочих частот ,в пределах которого входная цепь обеспечивает настройку на любую рабочую частоту при сохранении предыдущих показателей (коэффициента передачи по напряжению, полосы пропускания и избирательности) в заданных пределах. Диапазонные свойства обычно характеризуются коэффициентом перекрытия диапазона
(4.6)
Кроме перечисленных параметров в зависимости от назначения радиоприемного устройства к входным цепям предъявляются и другие важные требования, среди которых, в первую очередь, можно отметить требования обеспечения минимального коэффициента шума, минимальной нелинейности частотно-избирательных цепей с электронной перестройкой частоты и т.д. Иногда предъявляются требования слабого влияния разброса параметров антенны на работу входного устройства. Это требование объясняется тем, что многие приемники должны допускать работу от различных антенн, параметры которых могут значительно отличаться от средних значений.
Перечисленные требования в значительной степени противоречивы. Так получение высокого коэффициента передачи по напряжению неизбежно приводит к ухудшению избирательности входного устройства и к увеличению вредного влияния разброса параметров антенны. Поэтому при
конструировании входного устройства приходится обращать, основное внимание на некоторые требования, в известной степени жертвуя другими.
Решение вопроса о том, какое требование является наиболее важным зависит от условий работы и назначения приемного устройства.
Дата добавления: 2015-08-11; просмотров: 1765;

Рис.4. 1