ТЕПЛОФИКАЦИОННЫЕ ВОДОГРЕЙНЫЕ КОТЛЫ
Для теплоснабжения промышленных предприятий и жилищно-коммунального сектора в настоящее, время одновременно с комбинированной выработкой электрической и тепловой энергии на ТЭЦ широко распространены водогрейные котлы. Для покрытия тепловых нагрузок в СССР использовались котлы типов ТВГ-4Р, ТВГ-8М, ПТВМ-ЗОМ, ПТВМ-50-1, ПТВМ-100 и ПТВМ-180 мощностью соответственно 5; 9,6; 40,6; 58; 116 и 209 МВт. При разработке конструкции водогрейных котлов в СССР были созданы теоретические основы и оригинальные конструкции, не имеющие аналогов в зарубежной технике.
Основной особенностью водогрейных котлов является работа их при постоянном расходе сетевой воды и включении непосредственно в тепловую сеть. Нагрузка котлов регулируется изменением температуры входящей и выходящей воды путем изменения форсировки топки.
Применение водогрейных котлов оправдано только в случаях, когда сами котлы и котельные с ними дешевле и не менее надежны, чем парогенераторы. В связи с этим современные конструкции водогрейных котлов разработаны с учетом максимальной простоты их изготовления, ремонта и эксплуатации.
Надежность и экономичность водогрейных котлов главным образом зависит от конвективных поверхностей нагрева, подвергающихся наибольшему загрязнению и коррозии, особенно при сжигании топлив с высоким содержанием серы.
Водогрейные котлы большую часть отопительного сезона эксплуатируются с низкими нагрузками при низких температурах обогреваемой среды. Кроме того, водогрейные котлы останавливаются на длительный срок в летнее время. Эти особенности работы котлов способствуют наружной и внутренней коррозии поверхностей нагрева. У водогрейных котлов наблюдаются следующие виды коррозии наружных поверхностей нагрева: низкотемпературная сернокислотная, местная под неудаляющимися эоловыми отложениями, низкотемпературная кислородная, стояночная.
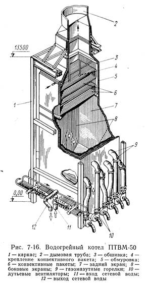
На рис. 7-16 показан один из водогрейных котлов, изготовлявшийся с 1961 г., мощностью 58 МВт.
В отопительных котельных этот котел используется как основной источник для покрытия тепловых нагрузок. Котел предназначен для нагрева сетевой воды от 70 до 150° С.
Топочная камера котла полностью экранирована.
Конвективная поверхность нагрева котла расположена непосредственно над топочной камерой. Стальная дымовая труба диаметром 2,5 м и высотой 53 м расположена над конвективной поверхностью нагрева и должна обеспечивать работу котла на естественной тяге. Такая компоновка получила название башенной.
Объем топочной камеры котла составляет 109 м3.
Лучевоспринимающая поверхность нагрева экранов равна 116 м2 и выполнена из труб диаметром 60
3 мм с шагом 64 мм. Котел предназначен для сжигания газа и мазута. Для этого на боковых стенах топки предусмотрена установка 12 газомазутных горелок с индивидуальными дутьевыми вентиляторами у каждой горелки. Изменение мощности котла достигается изменением числа работающих горелок при постоянном расходе сетевой воды и переменном температурном перепаде. Змеевики конвективной поверхности нагрева выполнены из труб диаметром 28
3 мм. Поверхность нагрева змеевиков составляет 1170 м3. Трубная система котла подвешена за верхние коллекторы к каркасной раме и расширяется вниз. Обмуровка котла выполнена облегченной с креплением непосредственно к экранным трубам. Поставка котла к месту монтажа осуществляется крупными блоками, собираемыми на заводе-изготовителе.
Опыт эксплуатации и обследования работы котлов ЦКТИ, имеющих башенную компоновку поверхностей нагрева, при установке большого числа горелок выявили ряд недостатков, присущих этим агрегатам. Конвективная поверхность нагрева водогрейных башенных котлов вследствие коррозии при работе на мазуте и газе выходит из строя через 3—4 года. Регулирование форсировки топки изменением числа работающих горелок при нагрузках около 70% номинальной приводит к затягиванию мазутного факела в конвективную поверхность нагрева, вызывая химический недожог и отложения сажи на поверхности нагрева. При автоматическом регулировании отключение горелок и включение их в работу сопровождается хлопками в работе топки.
Обследования пиковых водогрейных котлов, установленных на ТЭЦ, показали, что число часов работы котлов колеблется в широких пределах и доходит до 5100 ч в год. Температура воды на входе в котел очень редко достигает 104°С и колеблется в пределах 57—100° С. Температура воды на выходе редко достигала 150° С. Среднемесячная нагрузка водогрейных котлов, работающих как в пиковом, так и в основном режиме, не имеет пика нагрузки в холодные месяцы.
В связи с указанными недостатками ЦКТИ совместно с Дорогобужским котельным заводом разработал новую серию теплофикационных котлов мощностью от 4,6 до 209 МВт типа КВ. Эти котлы предназначены для сжигания газа, мазута и твердого топлива. В котлах новой серии достигнута высокая унификация и увеличена степень заводской готовности агрегатов.
Новая серия водогрейных котлов мощностью от 4,6 до 116 МВт с целью унификации разбита на 4 группы. К первой группе относятся водогрейные котлы мощностью 4,6 и 7,5 МВт. Котлы предназначены для сжигания газа, мазута и твердого топлива. Трубная система котлов поставляется единым блоком. Во вторую группу входят котлы мощностью 11,6; 23,2 и 35 МВт, предназначенные для работы на газе, мазуте и твердом топливе. Котлы предназначены для использования в качестве основного источника теплоснабжения. Они поставляются двумя законченными блоками. В третью группу унифицированных котлов входят котлы мощностью 58 и 116 МВт, предназначенные для работы на газе и мазуте. Четвертую группу составляют котлы этой же мощности, но предназначенные для сжигания твердого топлива. Водогрейные котлы, мощностью 58 и 116 МВт могут использоваться в качестве основных источников теплоснабжения и пиковых для установки на ТЭЦ.
Водогрейные котлы всех групп имеют П-образную компоновку и полностью экранированную топочную камеру. Экранные поверхности нагрева выполнены из труб диаметром
Рис. 7-17. Продольный разрез водогрейного котла КВ-ГМ-4 и КВ-ГМ-6,5
60X3 мм. Обмуровка всех котлов облегченная натрубная толщиной около 110 мм. Все водогрейные котлы, предназначенные для сжигания газа и мазута мощностью до 116 МВт, имеют ротационные газомазутные горелки типа РГМГ. Котлы, предназначенные для сжигания твердого топлива мощностью до 35 МВт, оборудуются слоевыми топками с пневмомеханическими забрасывателями и цепными решетками.
В качестве расчетных топлив для газомазутных котлов принят мазут с теплотой сгорания Q
= 38808 кДж/кг и природный газ Ставропольского месторождения (Q
= 36204 кДж/м3). Слоевые котлы рассчитывались на минусинском каменном угле марки Д (Q
= 22596 кДж/кг) и буром угле Ирша-Бородинского месторождения (Q
= 15 708 кДж/кг).
На рис. 7-17 показаны газомазутные котлы типа КВ-ГМ мощностью 4,6 и 7,5 МВт. Они имеют единый профиль и отличаются только глубиной топочной камеры и конвективной, шахты. В табл. 7-5 приведены основные технические данные этих котлов, предназначенных для сжигания газа, мазута и твердого топлива.
Таблица 7-5
Дата добавления: 2015-07-10; просмотров: 1931;
