Назначение, принцип действия и место парового котла в составе судовой энергетической установки
Паровой котел служит для производства влажного или перегретого водяного пара при давлении, превышающем атмосферное. Температура выходящего из котла влажного пара равна температуре насыщения, а температура перегретого пара может быть значительно больше температуры насыщения.
Водяной пар на судне предназначен для различных целей. Например, в главных паросиловых установках он необходим для работы главных тепловых двигателей – паровых турбин, а также для нагревания воды, топлива и других сред в различных теплообменных аппаратах. На судах с дизельными и газотурбинными установками пар нужен турбогенераторам, вырабатывающим электроэнергию, а также для обогревания жилых помещений. Кроме того, пар необходим для хозяйственных нужд (камбуза и др.), для технологических установок по переработке рыбы и других продуктов моря. Водяной пар в паровом котле образуется в результате подвода теплоты к воде. Источником теплоты служат продукты сгорания органического топлива (дымовые газы).
Принципиальная схема котла показана на рис. 1.1, а, общий вид котлов разных типов – на рис. 1.1, б, в, г. Паровой котел (ПК) состоит из топки I и ряда рекуперативных теплообменников, расположенных за топкой: пароперегревателя II, испарителя III, водоподогревателя (экономайзера) IV и воздухоподогревателя V. В этих теплообменниках горячая среда (дымовые газы) отделена от холодной (пар, вода, воздух) непроницаемой твердой стенкой, то есть среды, обменивающиеся теплотой, не смешиваются друг с другом.
Назначение теплообменников следует из их названий: пароперегреватель – для перегрева пара, испаритель – для превращения воды в пар, экономайзер – для подогрева воды, а воздухоподогреватель – для подогрева воздуха. Испаритель представляет собой основную поверхность нагрева ПК, а теплообменники II, IV, V – дополнительную. Основную поверхность нагрева имеют все котлы. Она может быть скомпонована совместно с топкой (Рис. 1.1, б, в). Дополнительная поверхность нагрева у ряда котлов может частично (Рис. 1.1, б, г) или полностью отсутствовать (Рис. 1.1, в). Котлы, использующие теплоту отработавших газов дизелей и газотурбинных двигателей (ГТД), могут не иметь топки (Рис. 1.1, г).
Рис. 1.1. Принципиальная схема парового котла (а) и общий вид главного (б), вспомогательного (в) и утилизационного (г) котлов
В – воздух; Т – топливо; ДГ – дымовые газы; ПП – перегретый пар;
НП – насыщенный пар; ПВ – питательная вода
|
У паровых котлов можно выделить два независимых тракта: газовоздушный и пароводяной. Температура дымовых газов при движении через теплообменники II–V газовоздушного тракта снижается. Стрелками внутри теплообменников показано, что часть теплоты от газов в каждом из них отводится к нагреваемой среде, температура (энтальпия) которой при этом увеличивается.
На рис. 1.2 в координатах
(s – удельная энтропия, Дж/(кг∙К); Т – абсолютная температура, К) изображен термодинамический цикл паротурбинной установки (ПТУ). Нижняя (х = 0, где х – степень сухости) и верхняя (х = 1) пограничные кривые соответствуют состояниям насыщения кипящей воды и сухого водяного пара при различных давлениях. Изобарный процесс 1–2–3–4 (
;
) реализуется в пароводяном тракте котла. Он состоит из более простых процессов: подогрева питательной воды до состояния, близкого к состоянию насыщения при давлении в котле (линия 1–2); подогрева воды до кипения и образования влажного насыщенного пара, степень сухости которого близка к единице (линия 2–3); подсушки и перегрева пара (линия 3–4).
Рис. 1.2. Термодинамический цикл паротурбинной установки
|
Процессы превращения воды в перегретый пар происходят соответственно в экономайзере (линия 1–2), в испарительной поверхности нагрева (линия 2–3) и в пароперегревателе (линия 3–4) ПК.
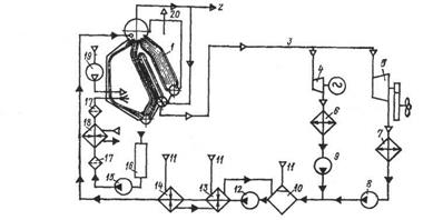
Паровой котел – основной элемент судового энергетического комплекса, упрощенная схема которого приведена на рис. 1.3. Весь комплекс можно условно разделить на две установки: турбинную (машинную) и котельную. В состав турбинной установки входят главный турбозубчатый агрегат (ГТЗА) 5 и вспомогательные турбоагрегаты (турбогенераторы) 4, главный 7 и вспомогательный 6 конденсаторы и обслуживающие их системы (на рис. 1.3 не показаны).
Котельная установка включает паровой котел 1 и обеспечивающие его работу системы:
– питательную, состоящую из подогревателей питательной воды (ППВ) 10, 13, 14, питательного насоса 12. трубопроводов 11 от паровых магистралей, конденсатных насосов 8, 9, измерительных приборов и арматуры;
– паровую, предназначенную для отвода пара потребителям по трубопроводам 2, 3 с арматурой и контрольно-измерительными приборами;
– топливную, состоящую из расходных цистерн 16, топливного насоса 15, топливных фильтров 17, подогревателя топлива 18, трубопроводов с измерительными приборами и арматурой;
– газовоздушную, включающую газоход 20, дымовую трубу (на схеме непоказана), вентилятор 19 с воздухоприемником, воздушные коробы и др.
Рис. 1.3. Принципиальная схема судового паротурбинного
энергетического комплекса
|
Котельная установка оснащена также системами автоматического регулирования подачи воды, топлива и воздуха в котел, водоподготовки, дистанционного управления и защиты ПК, которые на схеме не показаны. Бóльшая часть пара поступает в главный турбозубчатый агрегат 5, остальная направляется к вспомогательному турбоагрегату 4.
Отработавший в турбине ГТЗА 5 пар поступает в главный конденсатор 7, где конденсируется и насосом 8 в виде конденсата (воды) нагнетается в ППВ 10. Сюда же насосом 9 подается конденсат от вспомогательного конденсатора 6, а также греющий пар (стрелки на трубопроводах 11) от отборов турбины ГТЗА 5. Вода в ППВ 10 смешивается с паром и нагревается до температуры кипения. Растворенные в ней газы удаляются в атмосферу, то есть смесительный подогреватель 10 служит также деаэратором питательной воды. Из подогревателя-деаэратора 10 питательным насосом 12 вода нагнетается в паровой котел 1 (через ППВ 13 и 14, обогреваемые паром из отборов турбины ГТЗА 5). Здесь теплота, выделившаяся при сжигании органического топлива, передается от дымовых газов к воде и пару. Топливо в топку котла 1 подается из расходной цистерны 16 насосом 15 через фильтры 17 и подогреватель топлива 18. Туда же вентилятором 19 из атмосферы подается воздух, а образующиеся при сгорании топлива дымовые газы отводятся (стрелка 20) в дымовую трубу.
Цикл ПТУ, изображенный на рис. 1.2, включает в себя процессы, происходящие не только в ПК, но и в других элементах СЭУ: 4–5 – адиабатное расширение пара в турбине; 5–6 – изобарно-изотермический процесс конденсации пара в конденсаторе; 6–7 – адиабатный процесс в насосах; 7–1 – изобарный процесс подогрева питательной воды в ППВ.
Термодинамическая эффективность цикла ПТУ в значительной степени зависит от параметров пара, производимого котлом.
Дата добавления: 2015-07-10; просмотров: 948;

Рис. 1.1. Принципиальная схема парового котла (а) и общий вид главного (б), вспомогательного (в) и утилизационного (г) котлов
В – воздух; Т – топливо; ДГ – дымовые газы; ПП – перегретый пар;
НП – насыщенный пар; ПВ – питательная вода
Рис. 1.2. Термодинамический цикл паротурбинной установки
Рис. 1.3. Принципиальная схема судового паротурбинного
энергетического комплекса