Схемы групповой квартирной сети
Групповая квартирная сеть является завершающим звеном электрической сети жилого дома. Она предназначена для питания осветительных и бытовых электроприемников. Количество групповых линий и их пропускная способность составляется с учётом электрических нагрузок, наличия стационарных и переносных электроприемников и удобства эксплуатации.
По соображениям безопасности групповые линии целесообразно выполнять однофазными. В перспективе при значительном росте нагрузок возможно устройство трехфазных четырехпроводных вводов в квартиры, но при этом необходимы дополнительные меры по обеспечению электробезопасности, такие как более надежная изоляция проводников и приборов, а также, устройство автоматического защитного отключения. Однако и при трехфазных вводах целесообразно групповые линии общего освещения и штепсельной сети внутри квартир выполнять однофазными, а для питания электрических плит, электроводонагревателей и т. п.— трехфазными. Как правило, рекомендуется выделять общее освещение на отдельную групповую линию.
В целях экономии проводов нормы допускают смешанное питание общего освещения и штепсельных розеток. Однако такая схема менее надежна, и, по мнению авторов, ее применять нецелесообразно. В квартирах с числом комнат более трех допускается устройство дополнительной групповой линии для питания штепсельных розеток на ток до 16А.
Число штепсельных розеток, устанавливаемых в квартирах, регламентировано нормами и составляет:
в жилых комнатах квартир и общежитии — одна розетка на каждые полные и неполные 6 м2 площади комнаты;
в коридорах квартир — одна розетка на каждые полные и неполные 10 м2 площади, в общей комнате квартир, оборудованных кондиционерами,— дополнительная розетка на ток 10 А для подключения кондиционера;
в кухнях квартир площадью до 8 м2—три штепсельные розетки на ток 6 А, а 8 м2 и более — четыре для подключения холодильника, бытового прибора, надплитного фильтра, динамика трехпрограммного вещания, местного освещения;
одна штепсельная розетка с заземляющим контактом на ток 10 А для подключения бытового прибора мощностью до 2,2 кВт;
одна штепсельная розетка с заземляющим контактом на ток 25 А для подключения бытового прибора мощностью до 4 кВт (в домах с электроплитами мощностью до 5,8 кВт, эта же розетка используется для подключения электроплиты);
одна штепсельная розетка с заземляющим контактом на ток 40 А для подключения электроплиты мощностью от 5,9 до 8 кВт. Следует иметь в виду, что розетки 25 и 40 А не предназначены для отключения электроплит под нагрузкой. Увеличение числа штепсельных розеток по сравнению с ранее действовавшими нормами имеет целью по возможности избежать применения жильцами различных удлинителей и разветвителей, создающих, повышенную опасность поражения электрическим током. В ванных комнатах может устанавливаться штепсельная розетка, подключаемая через разделяющий трансформатор 20 ВА.

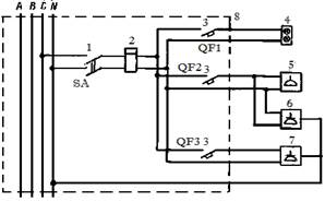
Рис. 14. Схема групповой квартирной сети:
1 - выключатель; 2 - счетчик;
3 - автоматические выключатели; 4 - общее освещение;
5 - розетка 6 А; 6 - розетка 10 А; 7 - электроплита;
8 — этажный щиток
На рис. 14 приведена схема групповой сети квартиры с электроплитой. Как видно из рисунка, для зануления корпуса стационарной электроплиты и бытовых приборов, требующих зануления, от этажного щитка прокладывается отдельный проводник. Сечение его принимается равным сечению фазного проводника. Ни в нулевом защитном, ни в нулевых рабочих проводах аппараты защиты не устанавливаются. Для безопасной смены счетчика перед ним устанавливается двухполюсный выключатель.
Дата добавления: 2015-07-10; просмотров: 2497;
