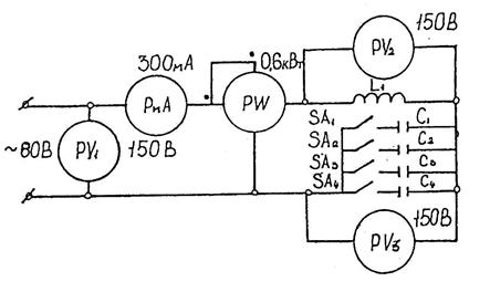
ОБЛАДНАННЯ. 1. Вольтметр змінного струму на 250 В (PV1PV3) – 3шт
1. Вольтметр змінного струму на 250 В (PV1...PV3) – 3шт
2. Міліамперметр змінного струму на 300 мА (PмA) – 1шт
3. Кіловатметр однофазний на 0,6 кВт (PW) – 1шт
4. Котушка індуктивності L1 з витягнутим осердям – 1шт
5. Набір конденсаторів ємністю 24 мкФ (С1...С4) – 1шт
6. Комплект з’єднувальних проводів – 1шт
Короткі відомості з теорії
При послідовному з’єднанні котушки індуктивності та конденсаторів загальна напруга дорівнює сумі напруг на кожному опорі :
,
де U – загальна напруга кола, В; UАК – напруга на активній частині опору котушки індуктивності, В; ULK– напруга на індуктивній частині опору котушки індуктивності, В; UC – напруга на ємнісному опорі, В.
Котушку індуктивності можна уявити, як складену з активного та індуктивного опорів, ввімкнених послідовно або паралельно. Напруга на кожному опорі:
Uak=rkI; UKL=xLKI; UC=xCI.
Закон Ома для кола з послідовним з’єднанням котушки індуктивності та конденсаторів:
,
деI – струм у колі, А; U – загальна напруга, В; z – повний опір кола, Ом.
Повний (або загальний) опір кола з послідовним з’єднанням котушки індуктивності та конденсаторів дорівнює геометричній сумі опорів:
,
де rk– активний опір котушки індуктивності, Ом; xLK – індуктивний опір котушки індуктивності, Ом; xC – ємнісний опір набору конденсаторів, Ом.
Реактивним опором кола називається різниця індуктивногота ємнісногоопорів x = xL - xC.
У колі з послідовним з’єднанням котушки індуктивності та конденсаторів можливі три режими роботи :
при x > 0 – з перевагою індуктивності;
при x = 0 – резонанс напруг;
при x < 0 – з перевагою ємності.
Коефіцієнт потужності показує, яка частина потужності корисно використовується споживачем:
;
деcosφ – коефіцієнт потужності; Ua – активна напруга, В; U – загальна напруга, В; r – активний опір, Ом; z – повний опір, Ом; P – активна потужність, Вт; S – повна потужність В·А..
,
деUр = UL – UC – реактивна напруга, В; Q = QL- QC – реактивна потужність, вар.
.
Активнапотужність: P = rI2 = Uicosφ.
Реактивна потужність: Q = xI2 = UI sinφ
Індуктивнапотужність: QL = xLI2.
Ємнісна потужність: Qc = xСI2.
Повна потужність:
.
Коефіцієнт потужності котушки індуктивності:
,
деUК– напруга на затискачах котушки, В.
Повний опір котушки індуктивності:
.
Активний опір котушки індуктивності:
rK=ZKcosφK.

Рис. 4. Схема вимірів при послідовному з’єднанні котушки індуктивності та конденсаторів.
Дата добавления: 2015-08-04; просмотров: 558;
