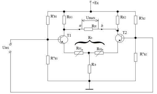
Параллельно-баласный каскад УПТ.

Приведенная схема представляет собой сбалансированный мост, в одну диагональ которого включено напряжение питания +Ек, а в другую диагональ - нагрузка Rн. Плечами моста являются резисторы Rк1=Rк2 и внутреннее сопротивление транзисторов Т1 и Т2 (вместе с соответствующими частями R0 и резистором Rэ).

Для нормальной работы схема должна быть строго симметричной, что обеспечивается балансировкой моста.
Условие баланса моста, при котором Uвых=0 (Uа=Uв):

Если учесть, что R01=R02, то в упрощенном виде баланс моста:
Если Rк1=Rк2 по условию, а транзисторы Т1 и Т2 с одинаковыми свойствами, то
Uа – Uв = 0 при любом Ек и любом изменении Iкт1, Iкт2,
что исключает дрейф нуля в такой схеме (т.к. Uвых=0 – всегда при Uвх=0).
Дата добавления: 2015-08-04; просмотров: 915;
